Dík za případné tipy
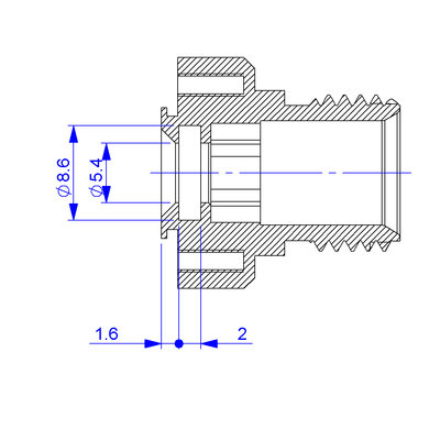
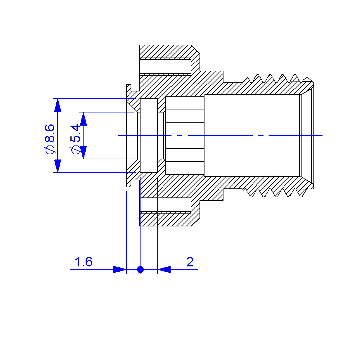
Čím změřit takovouhle drážku
http://www.sometcz.com/obchod/meridla-n ... 0-20-r-0-3" onclick="window.open(this.href);return false;
píšou měření od 6mm.. myslím že u Hoffmana jsem našel něco takového s výměnejma hrotama.. případně se dá ten hrot ubrousit..
píšou měření od 6mm.. myslím že u Hoffmana jsem našel něco takového s výměnejma hrotama.. případně se dá ten hrot ubrousit..
věčný rýpal,který musí mít poslední slovo, odpůrce low-cost zařízení končících v naprosté většině případů v hromadě šrotu
uživatelé hýbátek, kteří mají z mých příspěvků celoživotní trauma nechť si mé příspěvky VYPNOU
uživatelé hýbátek, kteří mají z mých příspěvků celoživotní trauma nechť si mé příspěvky VYPNOU
-
prochaska
- Sponzor fora
- Příspěvky: 8421
- Registrován: 16. 7. 2006, 12:33
- Bydliště: Praha Bohnice + Roudnice nad Labem
- Kontaktovat uživatele:
U tý šuplery by se musely obrousit ze tří stran, to už je trochu moc práce
Možná zkusím tu věcičku ze Sometu (dík za odkaz), tam by stačil ubrousit jen kousek. Ale ještě lepší by bylo to někde najít úplně hotové 
Aleš Procháska
pokud jich máš měřit stovky, tak na to koupit speciálku, pokud kusy, udělat si přípravek - nabrousit zobáček - upnout do výšky osy - z boku dotknout hodinkami a ty vynulovat - pak "nasadit" díl a hodinky opřít o vnější průměr - a dopočítat.
Víťa - BF20 - upraveno na CNC + Mach3 + SS, soustruh CJM250, MK3 Průša, ostřička nástrojů
- robokop
- Site Admin
- Příspěvky: 23083
- Registrován: 10. 7. 2006, 12:12
- Bydliště: Praha
- Kontaktovat uživatele:
u araba ve vyprodeji bejvali kleste na uchylkomer
konec klesti sis mohl uzpusobit
dalo se tim merit v 10mm dire tak 60-80 hluboko a pod.
mezi kloubem a rukojetma byla dira na hodinky
konec klesti sis mohl uzpusobit
dalo se tim merit v 10mm dire tak 60-80 hluboko a pod.
mezi kloubem a rukojetma byla dira na hodinky
Vsechna prava na chyby vyhrazena (E)
-
prochaska
- Sponzor fora
- Příspěvky: 8421
- Registrován: 16. 7. 2006, 12:33
- Bydliště: Praha Bohnice + Roudnice nad Labem
- Kontaktovat uživatele:
Právě že jich mám stovky a měření nesmí být moc komplikované, aby to nesvádělo dělat chybychb píše:pokud jich máš měřit stovky, tak na to koupit speciálku, pokud kusy, udělat si přípravek - nabrousit zobáček - upnout do výšky osy - z boku dotknout hodinkami a ty vynulovat - pak "nasadit" díl a hodinky opřít o vnější průměr - a dopočítat.
Aleš Procháska
toto by bylo vhodné v otázce zmínitprochaska píše:Právě že jich mám stovky a měření nesmí být moc komplikované, aby to nesvádělo dělat chybychb píše:pokud jich máš měřit stovky, tak na to koupit speciálku, pokud kusy, udělat si přípravek - nabrousit zobáček - upnout do výšky osy - z boku dotknout hodinkami a ty vynulovat - pak "nasadit" díl a hodinky opřít o vnější průměr - a dopočítat.
Ale i pro takovéto použití si dokážu představit přípravek s hodinkami které by ukazovaly průměr nebo odchylku. Ale to už záleží kdo/kde s tím má měřit.
Víťa - BF20 - upraveno na CNC + Mach3 + SS, soustruh CJM250, MK3 Průša, ostřička nástrojů
-
Reinkarnace
- Příspěvky: 1227
- Registrován: 21. 11. 2017, 9:16
Vnitřní hmatadlo, něco jako https://www.uni-max.cz/digitalni-vnitrn ... d/?wdph=on a upravit hroty popř. konce ramen.
Uvedene hmatadlo pouzivam, je to spis pro kutila. Hmatadlo ma zbytecne velky rozsah a diky tomu vyrazne mensi presnost. Mistr Prochazka vyrabi sakra fajnove hracky, proto ho spis potesi neco vyrazne lepsiho. Viz odkaz Range: 5-25mm , Accuracy: 0.005mm . celkove zpracovani hmatadla je uplne nekde jinde. To co nabizi UniMax je na Ali za neco pres 30USD.
https://www.aliexpress.com/item/5-25mm- ... autifyAB=0" onclick="window.open(this.href);return false;
https://www.aliexpress.com/item/5-25mm- ... autifyAB=0" onclick="window.open(this.href);return false;
-
prochaska
- Sponzor fora
- Příspěvky: 8421
- Registrován: 16. 7. 2006, 12:33
- Bydliště: Praha Bohnice + Roudnice nad Labem
- Kontaktovat uživatele:
elbarto: Dík, na Aliexpressu mě to nenapadlo hledat, to by mohlo být ono
vitex: Mahr jsem prohledal, ale mají toho tam strašně moc a tohle jsem nenašel, kdybys šel okolo, koukni se mi prosím na katalogové číslo.
vitex: Mahr jsem prohledal, ale mají toho tam strašně moc a tohle jsem nenašel, kdybys šel okolo, koukni se mi prosím na katalogové číslo.
Aleš Procháska
Pripadne ebay, ale potom uz leze cena nahoru: https://www.ebay.de/itm/KROPLIN-Innensc ... Sw87RaoWA9" onclick="window.open(this.href);return false;