akce uni-max.cz, vsecno mozne mereni ..

jak na ebayi kupovat a prodavat, odkazy na zajimave veci obchodniky
Pravidla fóra
Toto forum vyzaduje schvaleni prispevku moderatorem.
t256
Příspěvky: 2989
Registrován: 19. 1. 2012, 4:49

26. 6. 2018, 7:33

Ja jeden ten cinsky provozuju i na 2Mbps a vubec zadny problem. Souhlasim ale, ze pokud budou potreba takove rychlosti, bylo by lepsi koupit znackovy, nemusi na to byt spoleh. Ja tam mam detekci chyb, takze pokud by nestihal, vedel bych to hned.
Mex
Příspěvky: 10287
Registrován: 6. 2. 2014, 10:29

26. 6. 2018, 7:43

No tak ty 2 Mbit/s jsou maximálně právě ten 1 MHz. ;-)
Jasně, nějak to funguje, ale prostě tyhle MAXy nejsou dělané na vysoké přenosové rychlosti. To není nedostatek, prostě na to nejsou určeny. Dělají se i verze, které jsou záměrně ještě 10x pomalejší, aby tak nevyzařovaly.
Pro hodně rychlé signály se pak dělají tyhle rychlé verze. Nejlepší jsou třeba 75LBCxxx, dělají se i varianty do vysokých desítek MHz. Ale to má smysl použít jen tam, kde to k něčemu je. U nějakého optického pravítka to jistě není třeba používat.
Uživatelský avatar
grade065
Příspěvky: 1012
Registrován: 9. 1. 2015, 12:45

27. 6. 2018, 12:46

Mex píše:
grade065 píše:Je to opravdu takhle jednoduché? Jestli to dobře chápu tak ten am26c32 zase převede diferenciální signál zpět na pozitivní? Tzn.pokud budu chtít vést digitální signál (<200Khz) tak tou 31čkou ho u senzoru převedu na diferenciální a dál vedu k plc u které ho převedu zase 32kou z5 to vše kvůli rušení vodiče stíněnè...
Jo, takhle jednoduché to je.
Když to povedeš nějakým krouceným párem, tak to pravděpodobně ani nebudeš muset stínit (pokud to nevedeš na desítky metrů).

Jen diferenciální sběrnici je třeba zakončit. Na krátkých linkách to není tak kritické, při delším vedení a horším prostředí (velké rušení) je lepší to udělat pořádně. Takže na signály A+ dát odpor něco mezi 2k2 a 4k7 na +5V, na A- pak stejný odpor na GND. A mezi A+ a A- zakončovací odpor, něco mezi 120R a 2k2 (podle vedení a dalších parametrů).
To zakončení sběrnice tomu nerozumím jak se to počítá ?
Nenašel jsem o tom moc informací u diferenciálních přijímačů je zmíněn jen jakýsi terminátor(taky nerozumím) už se pouštíme do říše dotazů z těch nejblbějších no :oops:
Pro chlupatý koule mistra Kápě pečený na vohni!!
t256
Příspěvky: 2989
Registrován: 19. 1. 2012, 4:49

27. 6. 2018, 1:09

Pokud to mas bezne vedeni s par metry kabelu, mas na kazdem konci jen jedno zarizeni a pomalou prenosovou rychlost, nic nemusis pocitat. Dej mezi A+ a A- 150R. Ty odpory na Vcc a GND tam byt nemusi, ale predpokladam ze Mex je tam dava hlavne pro pripad preruseni kabelu. Nicemu to urcite neuskodi a ta hodnota neni nijak kriticka.

Mrkni jaka nejvetsi frekvence ti z pravitek poleze a podle toho zvol rychlost obvodu, pokud das 10x rychlejsi obvod nez potrebujes, nicemu si nepomuzes a jen budes zbytecne chytat potencionalni ruseni na vyssich frekvencich.
Uživatelský avatar
grade065
Příspěvky: 1012
Registrován: 9. 1. 2015, 12:45

27. 6. 2018, 2:18

:) no vedení bude mít max 2m a max frekvence do 200Khz spíš bych potřeboval nějak vysvětlit tu terminaci jak to funguje :oops:
Pro chlupatý koule mistra Kápě pečený na vohni!!
Mex
Příspěvky: 10287
Registrován: 6. 2. 2014, 10:29

27. 6. 2018, 2:46

Zakončení sběrnice je obecně k tomu, aby na vedení nevznikaly odrazy.
Ideální stav je takový, kdy je sběrnice na obou koncích zakončena jmenovitou impedancí vedení, kterým je ta sběrnice tažena.
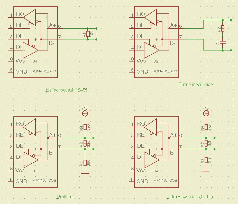
Protože se RS485/422 v drtivé většině tahá kroucenou dvoulinkou (v praxi většinou síťovým UTP nebo FTP kabelem, protože ten je snadno dostupný, levný a má skvělé parametry), který má jmenovitou impedanci kolem 100R, tak se jako nejjednodušší řešení jeví zakončit to odporem třeba 120R. Viz první obrázek.

Jenže nic není zadarmo. Když tam dáš takto malý odpor, tak přes něho teče docela velký proud, který ho jednak zahřívá, ale hlavně zatěžuje vysílač a zmenšuje napěťový odstup těch drátů A+ a B-.
Tak se občas dělají různá modifikace, jako třeba že se zakončovák stejnosměrně oddělí kondenzátorem, jak je to na druhém obrázku. Nebo spíš že se použije nějaká kombinace, dá se jeden odpor napřímo a menší odpor pak přes kondenzátor atd.

Ale dá se využít i chytřejší řešení. Z impedančního hlediska je možná napájecí zdroj považovat za zkrat. Takže je možné to zakončení, nebo aspoň jeho část, udělat vůči zdroji. Má to 2 efekty: v neaktivním stavu, což je většinou největší část doby, nejsou budiče příliš zatěžovány, protože nemusí krmit velkou DC zátěž. A navíc je pak rozkmit signálu větší, než při zakončení jen odporem mezi linkami A a B. Další výhodou pak je, že i když je třeba vysílač vypnutý (platí hlavně u jednosměrných komunikaci), tak je stále na sběrnici zaručen neaktivní stav, tj. sběrnice neplave. Na třetím obrázku je zapojení, které používá třeba sběrnice Profibus, což je RS485 s přenosovou rychlostí až 12 Mbit/s (Profibus je celosvětově nejrozšířenější real-time průmyslová sběrnice ne-ethernetového typu).

Všechny tyhle metody tvrdého zakončení předpokládají, že sběrnice je lineární a je zakončena jen za začátku a na konci, tj. vše je v ideální konfiguraci. Ale v praxi se často hodí udělat občas nějakou odbočku, občas to někdo nezakončí nebo naopak zakončí ve více místech atd. Pak pokud se nejde skutečně na nějaké komunikační limity rychlostně nebo délkou sběrnice, tak není špatně udělat to zakončení měkčí, a pak ho zapojit na tom zařízení nafurt (tvrdý zakončovák by měl mít switch, kterým se vypne, pokud není to zařízení na konci sběrnice). Viz poslední obrázek. Pokud předpokládaný počet těch komunikujících zařízení není velký, dal bych tam takové hodnoty, jako jsem namaloval ve schematu. Při předpokladu větší sítě bych zvolit ty odpory nahoře a dole třeba 4k7 a ten mezi A a B třeba 2k2.
RS485_422_zakonceni.jpg
Naposledy upravil(a) Mex dne 28. 6. 2018, 12:15, celkem upraveno 2 x.
Mart76
Příspěvky: 1011
Registrován: 17. 12. 2016, 11:04
Bydliště: Prostějov

27. 6. 2018, 3:26

Já používám pro RS485 s rychlostí 115kb obvody MAX3468ESA.
U mastera mám odpory 1k do +5V a 1k do GND, mezi A B vodiči odpor 220R.
Počet účastníků maximálně 20, délka rozvodu do cca 50 metrů, na konci rozvodu mezi A B vodiči odpor 220R.
Každé zařízení má linku RS485 galvanicky oddělenou od "jádra", tzn. z procesoru Rx, Tx a DIR přes 4kV optočleny na MAX3468ESA, který je napájen ze zařízení pomocí 4kV DC/DC měniče. Za budičem mám zařazeny filtry ACM2520-102-2P a transily kvůli ochraně před přepětím.
Linka je tvořena vodiči A, B a GND.

:D Toto zapojení funguje i když se urve jeden z datových vodičů.

To upnutí do +5V a GND je hlavně kvůli přepínání směru, kdy jak master, tak i slave mají výstupy ve vysoké impedanci. Ten odporový dělič zajistí, aby se úrovně na lince moc nerozjely. Zkrátí se tak doba do ustálení linky a může se začít komunikovat dřív.

Hodnoty odporů hlavně závisí na délce linky, používané rychlosti a hlavně kvalitě použitých obvodů.
Vývoj HW, návrhy DPS (OrCAD, Eagle, Pads)
Uživatelský avatar
zz912
Příspěvky: 1549
Registrován: 25. 5. 2008, 7:16

25. 11. 2020, 5:50

Týjo super vlákno, na netu jsou mraky obecných článků, ale většinou né tak do hloubky.

Dotaz na Admina:
nešlo by přesunout někde do ostatní elektronika a přejmenovat třeba na Problematika RS485/422 ?
Mart76 píše: 27. 6. 2018, 3:26 Každé zařízení má linku RS485 galvanicky oddělenou od "jádra", tzn. z procesoru Rx, Tx a DIR přes 4kV optočleny na MAX3468ESA, který je napájen ze zařízení pomocí 4kV DC/DC měniče.
Tzn, že máš jeden DC/DC měnič na procesor a zvlášť DC/DC měnič na sběrnici? Zvyšuje takto galvanicky oddělené zapojení i vyšší spolehlivost, nebo je to jen ochrana? Jde mi o to, že kvalitní DC/DC měnič bude dražší než mnou používaný mikrokontrolér Atmel 328P :-)
Mart76 píše: 27. 6. 2018, 3:26 Za budičem mám zařazeny filtry ACM2520-102-2P a transily kvůli ochraně před přepětím.
Linka je tvořena vodiči A, B a GND.
Jak máš ten filtr zapojený? Takto:
Komunikace_RS485.JPG
Mart76 píše: 27. 6. 2018, 3:26 Hodnoty odporů hlavně závisí na délce linky, používané rychlosti a hlavně kvalitě použitých obvodů.
Něco takového jsem se dočetl skoro všude. Co jsem pochopil, tak pokud budu používat rychlost 9600kb a krátké kabely, tak ty rezistory nemusím skoro řešit. Ovšem oddělit silové kabely a signálové kabely na většině CNC strojích je jen zbožné přání elektrotechniků. Tudíž je správný můj předpoklad, že když postavím CNC stroj a pak si pozvu kamaráda s osciloskopem a průběh lince bude připomínat obdélníčky tak vše je OK?
LinuxCNC - MESA 7i96
zz912.webnode.cz
Mex
Příspěvky: 10287
Registrován: 6. 2. 2014, 10:29

25. 11. 2020, 7:01

Pozor na transily na lince. Většina obecných transilů má hodně vysokou kapacitu, takže utlučou rychlé signály. Pro RS485 nebo třeba pro CANbus se dělají speciální transily s malou kapacitou. Pak je to jedno pouzdro SOT23, v něm jsou všechny transily už propojené.
Např. https://cz.mouser.com/ProductDetail/Bou ... 5RLA%3D%3D

Jednou jsem si takhle sám naběhl. Použil jsem běžné obousměrné transily 6.8V. A když jsem to připojil na Profibus, tak jsem zabil celou sběrnici. A to jela jen na 1.5 Mbit/s.

Ale pokud to chceš provozovat na 9600 bit/s, tak to můžeš pustit i po rezavém drátu ze sousedova plotu.
Uživatelský avatar
zz912
Příspěvky: 1549
Registrován: 25. 5. 2008, 7:16

25. 11. 2020, 8:18

Má smysl používat ty transily, když jsem si objednal tohle:
https://www.tme.eu/cz/details/max485ecs ... ntegrated/
https://www.tme.eu/Document/4a0486f2462 ... 1E-DTE.pdf
?

Píšou tam ±15kV ESD-Protected
Mex píše: 25. 11. 2020, 7:01 Ale pokud to chceš provozovat na 9600 bit/s, tak to můžeš pustit i po rezavém drátu ze sousedova plotu.
No asi jdu z extrému do extrému. Když jsem dělal svoji první sběrnici, tak jsem si zvolil I2C, protože na ni bylo nejvíce examplů ve světě Arduin. Na stole mezi 2 mikrokontroléry na 10 cm kablíčcích to chodilo bez problémů. Pak jsem I2C natahal skoro 2m v nekroucené nestíněné lince po cca 10 mikrokontrolérech a divil se, že to občas blblo. Od té doby jsem se začal o sběrnice trochu zajímat k čemu jaké je vhodná a snažím se to teď udělat co nejlépe.
LinuxCNC - MESA 7i96
zz912.webnode.cz
Mex
Příspěvky: 10287
Registrován: 6. 2. 2014, 10:29

25. 11. 2020, 9:39

Ale jo, fungovat to bude i bez jakýchkoli ochran.
Nicméně kdybych měl sázet, tak bych si asi vsadil spíš na ten transil, že přežije víc. Nejde jen o napětí, ale i o energii, kterou do dokáže zmařit. A tady se asi spíš projeví větší schopnost toho transilu.

Kdybych to dělal já, a opravdu to plánoval jen pro nízké rychlosti, tak bych tam vrazil dva kousky třeba něčeho takového:
https://www.tme.eu/cz/details/sm6t6v8ca ... ectronics/
Je to za 3 kačky, a pak nemusíš používat drahé MAXy ale nějaký nejlacinější převodník RS485, který bude stát mnohem míň.
Uživatelský avatar
zz912
Příspěvky: 1549
Registrován: 25. 5. 2008, 7:16

25. 11. 2020, 10:06

Děkuji z rady.
LinuxCNC - MESA 7i96
zz912.webnode.cz
Mart76
Příspěvky: 1011
Registrován: 17. 12. 2016, 11:04
Bydliště: Prostějov

25. 11. 2020, 11:54

zz912 píše: 25. 11. 2020, 5:50 Tzn, že máš jeden DC/DC měnič na procesor a zvlášť DC/DC měnič na sběrnici? Zvyšuje takto galvanicky oddělené zapojení i vyšší spolehlivost, nebo je to jen ochrana? Jde mi o to, že kvalitní DC/DC měnič bude dražší než mnou používaný mikrokontrolér Atmel 328P :-)
Mnou výše popisované řešení odpovídá tomu, co dělám. A já dělám HW zabezpečovacího zařízení na dráze. Pokud si dáš do googlu "EIP ESA" tak to je po HW stránce moje a kolegovo dílo.
Já se snažím dělat zařízení tak, abych ho po instalaci zapnul a ono běželo ideálně cca 25 roků bez poruchy. Tzn. že je poněkud předimenzované.
Vše je o prioritách. U drážního zařízení je prioritou tzv. RAMS.
Vývoj HW, návrhy DPS (OrCAD, Eagle, Pads)
Uživatelský avatar
zz912
Příspěvky: 1549
Registrován: 25. 5. 2008, 7:16

26. 11. 2020, 6:44

Mart76 píše: 25. 11. 2020, 11:54 Já se snažím dělat zařízení tak, abych ho po instalaci zapnul a ono běželo ideálně cca 25 roků bez poruchy.
No tak to seš přesně ten člověk, u kterého bych se chtěl inspirovat. :-)
zz912 píše: 25. 11. 2020, 5:50 Jde mi o to, že kvalitní DC/DC měnič bude dražší než mnou používaný mikrokontrolér Atmel 328P
Pokud ten další DC/DC měnič povede ke větší spolehlivosti, tak ho tam samozřejmně dám, bez ohledu na cenu.
LinuxCNC - MESA 7i96
zz912.webnode.cz
Mex
Příspěvky: 10287
Registrován: 6. 2. 2014, 10:29

26. 11. 2020, 1:07

zz912 píše: 26. 11. 2020, 6:44 Pokud ten další DC/DC měnič povede ke větší spolehlivosti, tak ho tam samozřejmně dám, bez ohledu na cenu.
Jestli můžu sázet, tak si u mě prosím poznamenej sázku na volbu "nepovede". ;-)
Bavíme se předpokládám o zařízeních někde v jedné hale a ne třeba o propojení různých fabrik. Tam pak samozřejmě patří optika.
Odpovědět

Zpět na „Ebay, aukro, a jine“