frezovacie vrtacie cnc

Odpovědět
JaroH
Příspěvky: 11
Registrován: 30. 4. 2009, 11:20

24. 5. 2009, 8:38

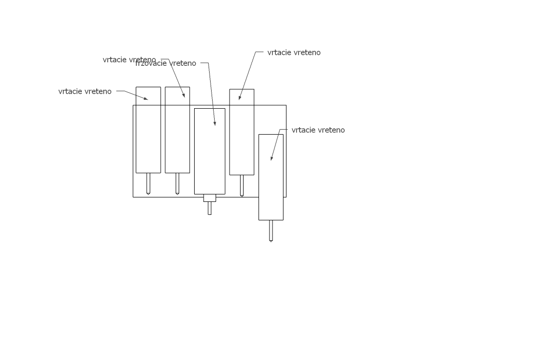
ahojte,chcem si postavit frezovacie vrtacie cnc s tym ze freza a vrtacky budu uchitene na jednej doske (ose z) , ked sa bude frezovat vrtacky budu hore a ked sa bude vrtat tak sa budu dat jednotlivo pneumaticky zosunut dole pod uroven frezy v kazdej vrtacke bude iny vrtak
malo by to byt plne automatizovane . Riadit to chcem Machom.asi bude k tomu treba nejake makra ktore si sam neviem napisat . Pomohol by mi niekto stym makrom?malo by to sluzit na kolikovanie a frezovanie nabytkovych dielcov . skuste pozriet nejake nabytkove cnc ked vrta
dakujem
Přílohy
Untitled1.jpg
Untitled.jpg
Uživatelský avatar
Pavelono
Sponzor fora
Příspěvky: 390
Registrován: 28. 1. 2008, 1:18
Bydliště: Sokolov
Kontaktovat uživatele:

24. 5. 2009, 9:09

Numym si představit jak to bude muset byt velký a težký. Na co to chceš? Neni lepší tam mít automat na výměnu držáku? už i na Proxonu jsem to viděl.
Uživatelský avatar
Pavel R
Příspěvky: 480
Registrován: 5. 7. 2008, 5:52
Bydliště: Hlinsko

24. 5. 2009, 9:50

Já si to představit umím. Problém je v tom, že pokud chceš na tom stroji produkovat nábytkové dílce, jsi už v oblasti normálních nábytkářských CNC a nikoliv hobby mašinek. To, co popisuješ, se jmenuje multivrtací agregát a není to ani levný, ani lehký. Vypadá to takto : http://www.gcolombo.eu/prodotto.htm?categoriaID=70&p=82 a těch vřeten potřebuješ relativně dost, protože do nábytku se vrtá D 8 (kolíky), D 5 (podpěrky) D 35 (panty) + další dle potřeby. Navíc kolíky potřebuješ vrtat i do hrany - tudíž vodorovným vřetrenem. Dále - vřeteno pro frézování do nábytkových dílců musí mít aspoň 10kW - a pri použití multivrtacího agregátu musí být na suportu, aby šlo zvednout do klidové polohy a mohlo se vrtat. Takže osa Z nese nějakých minimálně 100kg. Umíš si tedy představit, jak asi vypadá pak to CNC a že nebude chodit na krokáče z kopírky. Tím Tě nechci strašit, ani odradit, ale nábytkářský CNC mě živí už mnoho let, vím, o čem to je. Jistě, lze jít do kompromisů a vyrobit si třeba strojek z dřevotřísky. Ale věř, že to, co stačí na hobby, je něco jiného, než mašina na výrobu. Jinak je dnes celkem výhodná doba pro koupi profi mašiny - i jeté jsou cenově nízko - díky krizi.
prochaska
Sponzor fora
Příspěvky: 8435
Registrován: 16. 7. 2006, 12:33
Bydliště: Praha Bohnice + Roudnice nad Labem
Kontaktovat uživatele:

24. 5. 2009, 11:04

Proč 10 kW? Na jakou operaci je to potřeba?
Aleš Procháska
Uživatelský avatar
Pavel R
Příspěvky: 480
Registrován: 5. 7. 2008, 5:52
Bydliště: Hlinsko

24. 5. 2009, 11:30

Na prakticky každou pořádnou frézu - třeba při falcování, profilování masívu a pod. Samozřejmě - pokud plánuješ zůstat u stopkových fréz typu IGM a pod, které jsou určeny do ručních strojků, stačí ti vřeteno slabši. Ale pak nelze mluvit o výrobě nábytku. Pro srovnání - většina profi mašinek má vřeteno od 13kW výše. Jde také o to, že větší vřetena mají větší krouťák v nižších otáčkách, ty slabé se musí honit prakticky pořád nadoraz
JaroH
Příspěvky: 11
Registrován: 30. 4. 2009, 11:20

25. 5. 2009, 6:29

ja som si skor predstavoval ze tam uchytim styri vrtacky ,potrebujem
vrtat otvory 5,8,15,20mm a vreteno my staci 2KW uchytavat sa tam budu len stopkove frezy
k
Příspěvky: 814
Registrován: 12. 8. 2008, 12:00
Bydliště: Kosice SK

25. 5. 2009, 6:57

10kW sa miekomu zda dost .. ale krutak 2kW vretena pri 30k otackach nie je nic extra .. a pre vrtanie a frezovanie do dreva, hlavne pri mensich priemeroch frez je to nutne tocit tak rychle (aby sa dodrzala spon ako tak optimalna rezna rychlost).

Naopak . 2kW motor pri 3k otackach bude na tom krutakom o hodne lepsie . hlavne ked je prevodovany povedzme na 600 otaciek .. to je ale skor na 20-ku fezu do zeleza.

Drevo proste xce svoje ..
Uživatelský avatar
lamoz
Sponzor fora
Příspěvky: 366
Registrován: 31. 1. 2008, 1:26
Bydliště: Praha

25. 5. 2009, 8:28

neco takoveho ?
Přílohy
DSC_0033.jpg
JaroH
Příspěvky: 11
Registrován: 30. 4. 2009, 11:20

25. 5. 2009, 8:46

ano,nieco take
Uživatelský avatar
Pavel R
Příspěvky: 480
Registrován: 5. 7. 2008, 5:52
Bydliště: Hlinsko

25. 5. 2009, 9:10

lamoz píše:neco takoveho ?
Hmm - tři vřetena - a to si myslíš, že budel lehčí, nebo levnější? Dost pochybuju. Navíc bacha na jednu věc - jdou sice použít malé motory - třeba z fréz z olepovačky a pod. Ale ty táhnou až tak od 5.000 ot/min. Dodělával jsem si na CNC vrtání na 45° - právě tímto způsobem a na tohle jsme narazil. Ono osmička vrták ty otáčky ještě snese, ale není to ono. Rozhodně větší vrták by byl problém. A ještě jedna věc - multivrtací hlava je napájená přímo, zatímco tyto malé motory vyžadují frekvenční měniče!
JaroH
Příspěvky: 11
Registrován: 30. 4. 2009, 11:20

25. 5. 2009, 9:31

freza by mala byt klasicka stolarska rucna horna freza
a to ostatne obycajne rucne vrtacky a zapinal by som ich rucne
Uživatelský avatar
Pavelono
Sponzor fora
Příspěvky: 390
Registrován: 28. 1. 2008, 1:18
Bydliště: Sokolov
Kontaktovat uživatele:

25. 5. 2009, 11:31

Ještě takový dotaz, máš představu na kolik tě to asi vyjde? To bude balík.
Odpovědět

Zpět na „Zacinam stavet a nevim jak na to“