Hlinikovy profil

CAM software
Odpovědět
Jukos3
Příspěvky: 203
Registrován: 24. 10. 2008, 5:20
Bydliště: Svit
Kontaktovat uživatele:

9. 7. 2009, 8:42

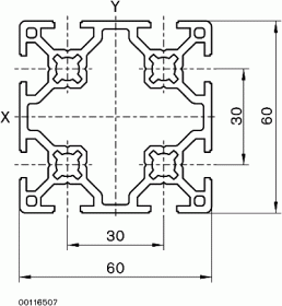
Prosim vas nema niekto nahodou profil od Bosch Rexroth rozmer 60x60 (kategoria 30mm) nakresleny v solidworkse, alebo v nejakom subore ktory by som mohol do solidu importovat? pozeral som online kniznicu profilov na http://www.3dcontentcentral.com ale akurat tento profil tam nie je. Vopred dakujem
Přílohy
profil 60x60.gif
Kazdy raz nejako musel zacat ...
http://robotika.yweb.sk
http://ap.urpi.fei.stuba.sk/sensorwiki/index.php/Kráčajúci_mobilný_robot
c.honza
Příspěvky: 76
Registrován: 9. 9. 2007, 11:05
Bydliště: val. mez.

9. 7. 2009, 11:31

Já když jsem potřeboval model, tak jsem ho stahl na strankach Bosche, ale trvalo mi, než jsem se k tomu proklikal. Jinak včera jsem pořezal asi 20m Boschackeho lechkého profilu 90x90.
Uživatelský avatar
lamoz
Sponzor fora
Příspěvky: 366
Registrován: 31. 1. 2008, 1:26
Bydliště: Praha

9. 7. 2009, 1:16

skus to stahnout tady http://www.aluteckk.cz/katalog/info.php?id=106060

jeto vlastne neni bosch, ale strašne podobny.
Uživatelský avatar
pájač
Příspěvky: 1115
Registrován: 28. 1. 2008, 8:35
Bydliště: Levice

9. 7. 2009, 4:41

Nemáš CNC - nič neznamenáš.
30.01.10 pokusne spustené CNC. Neviem, ako som mohol doteraz bez neho žiť. ><((((º>
http://www.fishpol.sk
Jukos3
Příspěvky: 203
Registrován: 24. 10. 2008, 5:20
Bydliště: Svit
Kontaktovat uživatele:

9. 7. 2009, 8:32

dakujem za ochotu . ja som zo stranky boschu stahoval, ale akurat presne ten nemaju spracovany :( ide o to ze potrebujem profil s rozmerom 60x60 a 2 inch je cca 50,8 trosku som zmenil konstrukciu a pouzil profil 30x60x60. uvidim aku dopadnu simulacie konstrukcie.
Kazdy raz nejako musel zacat ...
http://robotika.yweb.sk
http://ap.urpi.fei.stuba.sk/sensorwiki/index.php/Kráčajúci_mobilný_robot
Uživatelský avatar
pájač
Příspěvky: 1115
Registrován: 28. 1. 2008, 8:35
Bydliště: Levice

9. 7. 2009, 8:54

Aha , nevšimol som si , že som našiel inchový profil . Ale po zväčšení na 60x60 by to mohlo pasovať ? :?
Nemáš CNC - nič neznamenáš.
30.01.10 pokusne spustené CNC. Neviem, ako som mohol doteraz bez neho žiť. ><((((º>
http://www.fishpol.sk
Uživatelský avatar
sysel
Příspěvky: 655
Registrován: 12. 6. 2007, 9:24
Bydliště: Šenov u Ostravy
Kontaktovat uživatele:

10. 7. 2009, 3:00

Zrovna jsem něco hledal na Boschi a vzpomněl jsem si že jste nedošli ke zdárnému konci, tak sice pozdě, ale přece to sem dávám... Třeba ještě pomůže..

Nakonec se mi podařilo nahrát až ZIP, je v tom STP a nějaký X_T údajně pro Solidworks
Přílohy
STRUT_PROFILE_60X60_8N.zip
(191.16 KiB) Staženo 279 x
Jukos3
Příspěvky: 203
Registrován: 24. 10. 2008, 5:20
Bydliště: Svit
Kontaktovat uživatele:

11. 7. 2009, 7:58

dakujem pekne
Kazdy raz nejako musel zacat ...
http://robotika.yweb.sk
http://ap.urpi.fei.stuba.sk/sensorwiki/index.php/Kráčajúci_mobilný_robot
Odpovědět

Zpět na „CAM“