Ahoj.
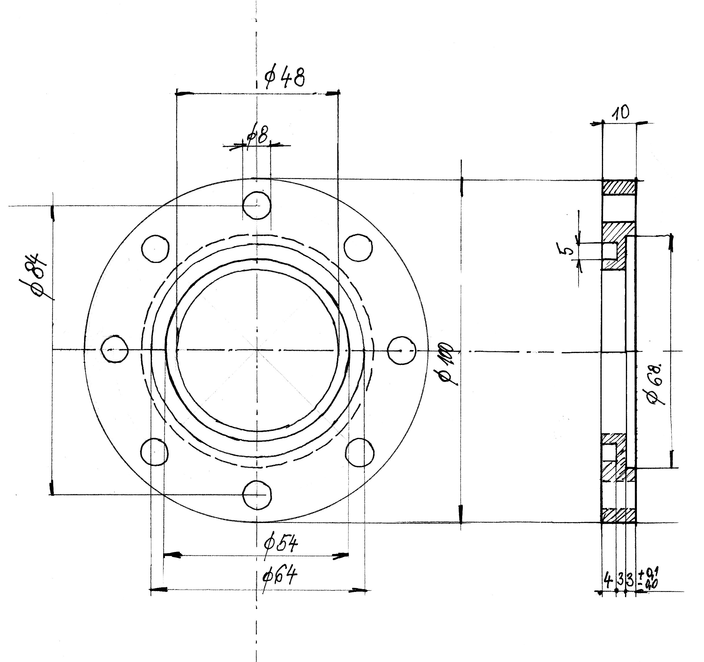
potřeboval bych vyrobit tuto přírubu, tolerance 0,1. Zvládl by to někdo?
Díky za pomoc. Nemo. PS: materiál - konstrukční ocel.
Příruba
Pravidla fóra
Toto forum vyzaduje schvaleni prispevku moderatorem.
Toto forum vyzaduje schvaleni prispevku moderatorem.
