nastaveni CNC3AX v MACH3

Diskuze o softvéru MACH od tvůrců Artsoft všech verzí: dotazy, programování, skripty, poznatky atd...
Odpovědět
Uživatelský avatar
VIKES
Příspěvky: 12
Registrován: 9. 5. 2007, 3:40
Bydliště: Tachov

27. 5. 2007, 8:56

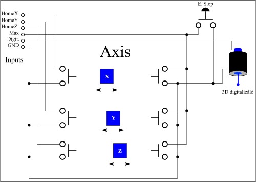
zdravim,mam takovy problem z nastavenim parametru /kompletniho nastaveni/pro desku CNC3AX v Mach3.Nemate nekdo zkusenosti,jak tuto desku nastavit pro 3osy.dekuji
ok1njb
Příspěvky: 32
Registrován: 31. 8. 2006, 12:22

28. 5. 2007, 12:01

Mám taky toto elektroniku, a nevidím žádný problém , nastavím DIR A STEP na správné vývody LPT 8) , zrovna tak snímače home X,Y,Z, 8) další snímače na krajní polohy společně s Estop kam vřadím rozpínací tlačítko pro případné odjetí z koncáku :oops: , a je to. :wink:
Přílohy
veg.jpg
Uživatelský avatar
VIKES
Příspěvky: 12
Registrován: 9. 5. 2007, 3:40
Bydliště: Tachov

28. 5. 2007, 7:02

porty DIR A STEP jsem nastavil dle manualu pro CNC3AX,co jsem stahnul z nejakych bulharskych stranek,je tam vse dukladne popsano,bohuzel to sem nemohu dat,poskytovatel hlasi mani prostor.Bohuzel mi to po nastaveni stejne nejde,nekomunikuje to spolu PC a deska.No a podle toho manualu,se tam nekde v MACH3 zaskrtava typ drivru,ale v mach3 jsem to nenasel.Tu prilohu bych mohl poslat na email.Jsem zacatecnik,tak teprv zbiram zkusenosti
Uživatelský avatar
wolf
Příspěvky: 244
Registrován: 4. 11. 2006, 4:23
Bydliště: Březí u Mikulova

28. 5. 2007, 7:18

VIKES píše:porty DIR A STEP jsem nastavil dle manualu pro CNC3AX,co jsem stahnul z nejakych bulharskych stranek,je tam vse dukladne popsano,bohuzel to sem nemohu dat,poskytovatel hlasi mani prostor.Bohuzel mi to po nastaveni stejne nejde,nekomunikuje to spolu PC a deska.No a podle toho manualu,se tam nekde v MACH3 zaskrtava typ drivru,ale v mach3 jsem to nenasel.Tu prilohu bych mohl poslat na email.Jsem zacatecnik,tak teprv zbiram zkusenosti
Když jsem nejdou umisťovat soubory, tak sem dávám alespoň odkaz na stránky s popisem nastavení o němž psal VIKES.
http://www.kmel.dir.bg/bg/mach3h.htm
wolf
ok1njb
Příspěvky: 32
Registrován: 31. 8. 2006, 12:22

28. 5. 2007, 8:18

napadla mne ještě jedna věc, nastavení čísla portu, :oops: a v adresáři mach3 jsou soubory které je vhodné nahrát do registrů


a tady je návod ve frančtině
Přílohy
cnc3axdoc.pdf
(115.98 KiB) Staženo 1434 x
kalin.oleg
Příspěvky: 312
Registrován: 15. 7. 2006, 5:37
Kontaktovat uživatele:

30. 5. 2007, 7:16

pouzivate tento soft vo free verzii, alebo existuje nejaka "lepsia" verzia? sla by poslat na mail? funguje vo free verzii vsetko? alebo je nutne to zaplatit?
Počas práce s CNC možno fajčiť...
Uživatelský avatar
robokop
Site Admin
Příspěvky: 23178
Registrován: 10. 7. 2006, 12:12
Bydliště: Praha
Kontaktovat uživatele:

30. 5. 2007, 8:22

soubory uz jdou pridavat
byla to chyba v nastaveni
kdyz jsem tohle forum zakladal tak jsem si rikal ze prez 500 mega priloh tu nikdy nebude
a ejhle je to tady
limit jsem zvednul na 50 giga pro forum a uz nevim kolik pro uzivatele
Vsechna prava na chyby vyhrazena (E)
ok1njb
Příspěvky: 32
Registrován: 31. 8. 2006, 12:22

30. 5. 2007, 8:32

lze registraci pořídit na slovensku

www.gravirovanie.sk

já používám demo s omezením na 1000 řádků, zatím mi to stačí, složitější díly jdou dělat po etapách
Uživatelský avatar
robokop
Site Admin
Příspěvky: 23178
Registrován: 10. 7. 2006, 12:12
Bydliště: Praha
Kontaktovat uživatele:

30. 5. 2007, 8:37

sbytecne drahe
poslete to artovi treba paypalem a do peti minut mate licenci za mnohem nizsi penize
Vsechna prava na chyby vyhrazena (E)
mechy22
Příspěvky: 9
Registrován: 17. 6. 2009, 12:06
Bydliště: Louka 219

17. 6. 2009, 12:15

Prosím jestli Vám to někomu jede jestli by jste mi neposlali konfigurační soubory na mach. Nejde mi to nastvit a už panikařím:-( Všem předem děkuji.
Jarda
rawen
Sponzor fora
Příspěvky: 1586
Registrován: 15. 3. 2008, 12:22
Bydliště: Prostějov

19. 6. 2009, 12:18

mechy22 píše:Prosím jestli Vám to někomu jede jestli by jste mi neposlali konfigurační soubory na mach. Nejde mi to nastvit a už panikařím:-( Všem předem děkuji.
Jarda
Každá mašina to má jinak a tak nebuď líný a najdi si tady screenshoty. Jsou hlavně ve vláknech o zprovozňování Maczakovy elektroniky.

Radek
soustruh Bernardo 500, frézka Proxxon
(CNC Tron, CNC Proxxon MF70)
Odpovědět

Zpět na „MACH všech verzí“