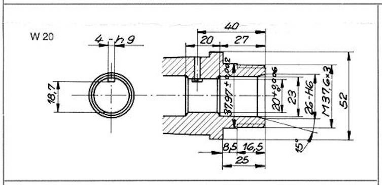
nevím přesně, co jsem koupil, je to takový mix. Habegger byla nebo možná stále je švýcarská firma, která vyráběla soustruhy alá Schaublin, toto je v podstatě kopie Schaublin 102, díly jsou vzájemně kompatibilní, kličkový support a většina mých kleštin je přímo Schaublin. Vřeteno (100 013 v katalogu 1970) má reduktor 1:5, vývrt 20mm, podporu pro kleštiny W20. S nahozeným reduktorem vydávalo strašlivé zvuky, to je teď opraveno (výměna ložiska v řemenici). Koník je také kleštinový (také W20), asi bych raději MK2, ale uvidíme, protože jinak je to docela luxus. QCTP je Tripan 111, mám bohužel jen dva držáky, s tím se bude muset něco udělat.
Kromě asi nekompletního podavače k tomu mám navíc dva pákové supporty, jeden jednoduchý a jeden dvouosý. Nevím, co jsou přesně zač, nenašel jsem je zatím v žádném katalogu, ale na lože sedí. Přemýšlím, jestli by ten dvouosý časem nešel upravit pro jednoduchý CNC režim, má to rozjezdy 100x80 a je to fest masivní. Případně to za něco vymění. Časem bych se rád dopracoval k frézovacímu přípravku.
Soustruh jsem nahrubo očistil, odmontoval vše, co nepotřebuji (většinu elektroinstalace, podavač, čerpadlo oleje pro podavač), připojil na měnič (dvourychlostní motor vyžaduje 3x380V, to nemám, takže jsem na třetinovém výkonu, s čímž ale pro nějaký čas myslím vystačím) a opravil vřeteno. Byla to docela detektivka, dostupné řezy z katalogů neodpovídají, zdroj problémů, ložisko v řemenici, nebylo ani na jednom z nich, nicméně podařilo se.
Je tam pár excesů (např. lože přivařené ke stolu, držák lampičky přivařený ke stolu, dost nahrubo ubastlený - samozřejmě svářením - odtok chladící kapaliny), sem tam jemná liška, ale vesměs jsem spokojen. Mrzí mě absence alespoň podélného strojového posunu, ale zase by mě to mohlo vyhecovat k realizaci nějaké formy CNC úpravy
Pěkný víkend, T.
