Přípravek (Soustružení)

Požadavky na výrobu dílů - poptávkové fórum
Pravidla fóra
Toto forum vyzaduje schvaleni prispevku moderatorem.
Odpovědět
Uživatelský avatar
drakpetr
Příspěvky: 91
Registrován: 19. 5. 2015, 4:49

22. 11. 2020, 8:14

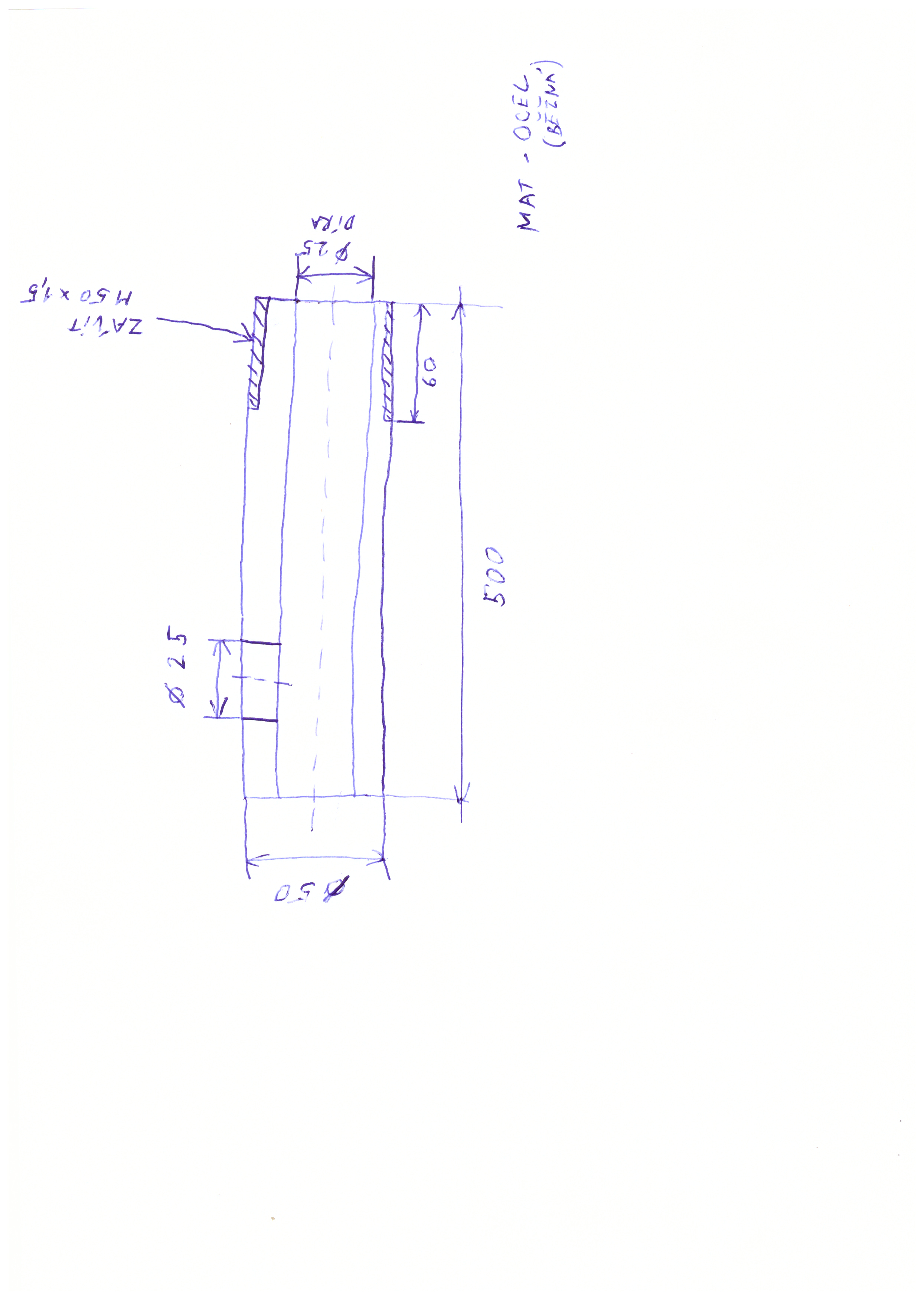
Dobrý den poptávám výrobu přípravku prosím o nacenění,materiál běžná konstrukční ocel.
(oprava do osy díry 25mm je vzdálenost 100mm a zápich pro závit muže samodřejimě být)
Děkuji
Přílohy
Scan_20201122_090952.jpg
Naposledy upravil(a) drakpetr dne 22. 11. 2020, 8:36, celkem upraveno 3 x.
qwer
Příspěvky: 1405
Registrován: 8. 4. 2008, 8:09

22. 11. 2020, 8:22

Chýba ti tam kóta na ten otvor- kolko je od čela tej trubky, a ešte by bolo dobre, ak by bol zápich na výbeh závitu.
Naposledy upravil(a) qwer dne 22. 11. 2020, 8:24, celkem upraveno 1 x.
Uživatelský avatar
drakpetr
Příspěvky: 91
Registrován: 19. 5. 2015, 4:49

22. 11. 2020, 8:23

do osy 100mm
Uživatelský avatar
drakpetr
Příspěvky: 91
Registrován: 19. 5. 2015, 4:49

22. 11. 2020, 9:29

zadáno
Odpovědět

Zpět na „Potřebuji vyrobit - vypomoc pri vyrobe“