Dobry den,
Rozjizdim jeden stary neukonceny projekt a potreboval bych jeden dil z hliniku (mozna duralu) a jeden z oceli (konstrukcni ocel nebo jakou budete mit k dispozici).
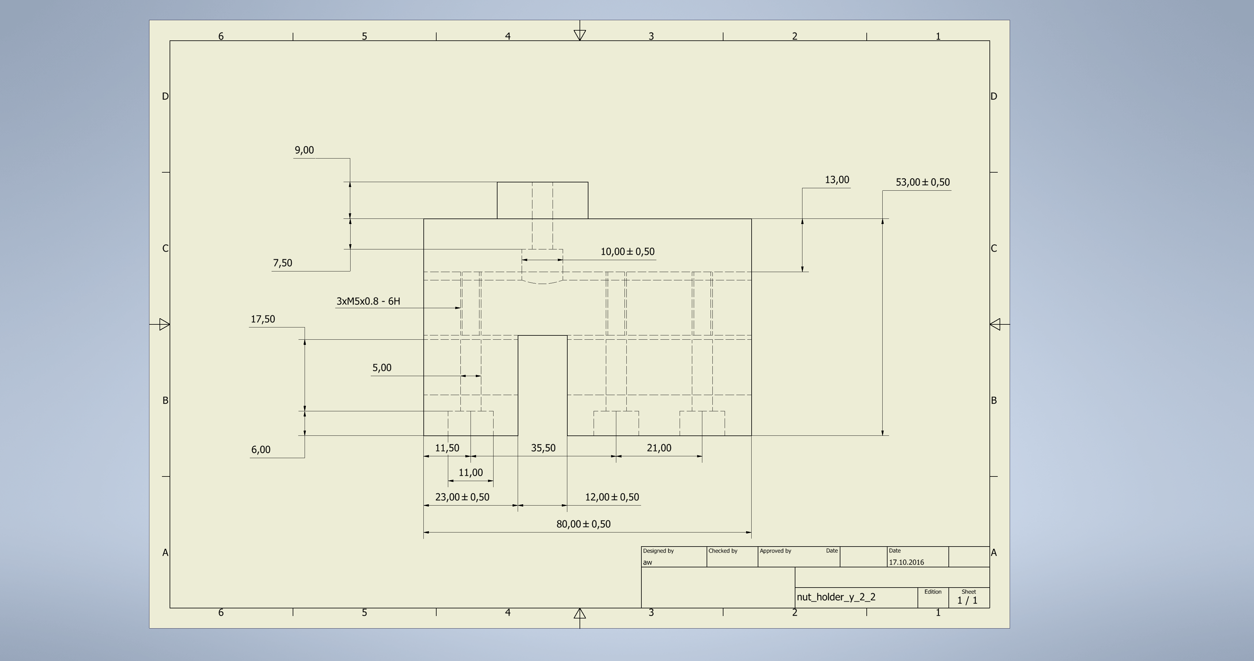
V priloze jsou fotky, vykresy v DWG (autocad 2004) a modely v ruznych formatech. Rozmery (vc. tol.) jde videt na obrazkach.
Na cistote povrchu nezalezi.
Prosim nabidnete cenu do SZ.
Pokud mate moznost zaroven provest soustruzeni tak poptavam jeste jeden dil:
viewtopic.php?t=39054
Archiv s modely a vykresy:
Vykres(jeden z 3):
Frézování hliníku 1ks
Požadavky na výrobu dílů - poptávkové fórum
Pravidla fóra
Toto forum vyzaduje schvaleni prispevku moderatorem.
Toto forum vyzaduje schvaleni prispevku moderatorem.
Zpět na „Potřebuji vyrobit - vypomoc pri vyrobe“
Přejít na
- O tomto fóru
- ↳ Rady začátečníkům
- ↳ Proč vzniklo toto fórum
- ↳ Členové
- ↳ Provozní záležitosti
- ↳ Test
- ↳ Sponzoring, reklama
- ↳ Srazy, akce, výstavy, burzy
- ↳ Vývoj fóra
- Motory
- ↳ Krokové motory
- ↳ Servomotory
- ↳ Ostatní elektromotory
- ↳ Třífázové krokové motory
- Šrouby a převodovky
- ↳ šrouby a převodovky
- ↳ lineárni vedení
- ↳ Ostatní mechanika
- ↳ řemenové převody a pohony
- Konvenční a CNC stroje, provoz údržba, přestavba
- ↳ Frézky asijské produkce - Optimum, Bernado, Warco, Sieg, Proma, Optimum, a tak dále a tak dále
- ↳ Jiné stroje - vrtačky, brusky, pily atd.
- ↳ Kde koupit starší stroje
- ↳ CNC soustruhy
- ↳ CNC frézky
- ↳ zahranicni produkce
- ↳ konvenční soustruhy
- ↳ konvenční frézky
- ↳ roboti a manipulatory
- Software
- ↳ LinuxCNC - drive pod nazvem EMC2
- ↳ MACH všech verzí
- ↳ Skriptorium - Odkladiště skriptů pro MACH
- ↳ Učíme se Fusion 360
- ↳ TurboCNC
- ↳ CAD
- ↳ CAM
- ↳ Gravostar
- ↳ postprocesory
- ↳ Ostatní software
- ↳ PLM, PDM
- ↳ školeni, kurzy, výměna zkušenosti
- ↳ Aspire
- ↳ FreeCAD
- PC
- ↳ levná PC
- ↳ Periferie
- ↳ Ostatní (pc)
- ↳ hardware na kterem skutecne chodi mach
- Zajímavé stránky a odkazy
- ↳ www stranky o stavbe CNC
- ↳ výrobci mini cnc
- ↳ Ostatní odkazy
- G-kód
- ↳ Učebnice programování, literatura, dokumentace systémů
- ↳ podpora v mach3
- ↳ editory
- ↳ Ostatní veci kolem programovani
- Elektronika
- ↳ krokove unipolarni bipolarni a servomotory
- ↳ Driver Bistep www.cncnet.info
- ↳ elektronika pro krokove motory http://www.siliconbrain.biz/
- ↳ plosnaky
- ↳ H1 a jine z www.gravirovanie.sk
- ↳ Ostatní elektronika
- ↳ GSK
- ↳ cinske desky s TB-6560 cervena a modra
- ↳ MCU
- Materiál
- ↳ ceníky
- ↳ hliníkové profily
- ↳ materiál pro gravírování
- ↳ povrchová úprava
- ↳ Ostatni material
- ↳ Technologie a měření
- ↳ konvencni obrabeni
- Galerie a knihovna
- ↳ naše mašinky
- ↳ výrobky a obrobky
- ↳ videa
- ↳ Ruzne jine fotecky videa a dokumenty
- ↳ Dokumentace ke strojům
- ↳ Technická literatura
- ↳ Videopřednášky
- ↳ Neurazitelní
- ↳ Fyzikální čtvrtky
- ↳ Pátečníci
- Inzerce
- ↳ Nákup
- ↳ Prodej CNC strojů v exekuční dražbě
- ↳ Prodej
- ↳ Ebay, aukro, a jine
- ↳ Volné výrobní kapacity
- ↳ Potřebuji vyrobit - vypomoc pri vyrobe
- ↳ Prace
- Nástroje
- ↳ pro soustruh
- ↳ pro frézku
- ↳ dalsi
- Profi CNC a konvenční stroje
- ↳ Mechanika a komponenty
- ↳ Ridici systemy
- Co se jinam nevešlo
- ↳ Zacinam stavet a nevim jak na to
- ↳ kdyz nebudes vedet kam
- ↳ Prevazne nevazne
- ↳ Co lze použít na stavbu stroje
- ↳ Navody ke strojum, dokumentace
- ↳ plazma plyn voda laser EDM
- ↳ Rapid prototyping - stereolitografie - 3D tisk - 3D skenery - RepRap a související projekty
- ↳ Multioborová diskuze o technických tématech
- ↳ slovnicek pojmu
- ↳ Automaticka vymena
- ↳ Sobestacnost - alternativní životní styl
- ↳ doprava
- ↳ kafilerie
- ↳ Vstřikování plastů
- ↳ Astronomie
- ↳ Rébusy
- ↳ Měření
Reklama