Medzidoska pre stolnú vŕtačku

Požadavky na výrobu dílů - poptávkové fórum
Pravidla fóra
Toto forum vyzaduje schvaleni prispevku moderatorem.
Odpovědět
Uživatelský avatar
eadst
Příspěvky: 9
Registrován: 26. 11. 2017, 11:11
Bydliště: Humenné

5. 12. 2021, 6:47

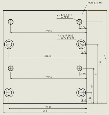
Ahojte, dopytujem výrobu oceľovej medzidosky pre pripevnenie stolnej vŕtačky k podstavcu s nesúhlasnými dierami.
Materiál: napr. 11 500 (alebo aký bude poruke)

EDIT: Ďakujem za ponuky všetkým zúčastneným. Výrobca sa uz našiel.
Přílohy
doska.jpg
doska.PDF
(25.28 KiB) Staženo 130 x
Odpovědět

Zpět na „Potřebuji vyrobit - vypomoc pri vyrobe“