Připojení druhého vzdušníku ke kompresoru

kdyz nebudes vedet kam to dat tak to napis sem, admin to za tebe umisti nebo vytvori novou sekci
Odpovědět
ZoSo
Příspěvky: 144
Registrován: 26. 7. 2016, 10:50

1. 2. 2022, 3:24

Ahoj.
Řeším problém.
Koupil jsem si plazmu a můj malý kompresor na to nestačí, resp vzniká jiný problém.
Když řežu a spustí se i kompresor tak minto neudrží jističe.
Mám tedy nápad připojit druhý- větší vzdušník ke kompresoru. Nechat ho nafoukat a řezat až pak. Se zatěžovatelem plazmy z lídlu už to bude stačit.
Mám ti namyšlené takto.
Dám je nad sebe a přes závity v čele je spojím trubkou s kulovým vypínačem, kdybych bechtěl plnit ten spodní.
Na boku toho přídavnýho je ještě jeden vstup- ten sem myslel že buď zaslepím ,nebo ram dám pojistný ventil.
Lze to takhle na hulváta spojit?
Děkuju
Obrázek Obrázek Obrázek
Mex
Příspěvky: 10287
Registrován: 6. 2. 2014, 10:29

1. 2. 2022, 4:02

Nevím, jestli to lze.
Ale já to tak už mnoho let používám.
Na kompresoru 50l bandaska, k ní připojená opět cca 50l LPG nádrž z auta.
Občas ještě jako 3. nádrž cca 15l hasičák.
Kompresor nemůžu provozovat v noci kvůli hluku. Těch 100l dohromady už mi na práci stačí na celou noc.
Hasičák pak používám jako pohotovostní zásobník pro pneumatický dispenser. S tím dělám v místnosti, kde nemám rozvod vzduchu.
Mám to propojené hadicí, což bylo mnohem míň práce než tahání nějakých tvrdých trubek.

Jen aby se ta tvoje horní bandaska nevytahovala na tu spodní. Jednak je výš, navíc má pěkný červený kabát.
Natřel bych i tu spodní nějakou veselou barvou, aby z toho neměla mindrák. :wink:
ZoSo
Příspěvky: 144
Registrován: 26. 7. 2016, 10:50

1. 2. 2022, 4:31

Mex píše: 1. 2. 2022, 4:02
Mám to propojené hadicí, což bylo mnohem míň práce než tahání nějakých tvrdých trubek.
Takže to máš normálně na přímo bez jakýchkoli ventilů a tak?
Tlakovej spínač z horního kompresoru bude stačit?

Ta bandaska dole je z trolejbusu a je nastříkaná takovou to pískovou barvou a pak přetažený asfaltem, nebo co to je.
Takže to bude fuška ho dát do barvy.
Uživatelský avatar
salus
Příspěvky: 1528
Registrován: 1. 9. 2013, 1:30
Bydliště: Chrudimsko

1. 2. 2022, 4:45

Klidně si tam mezi ten přídavný vzdušník a původní vzdušník můžeš dát i ten ventil, abys ho mohl "odstavit". Samozřejmě tlakový spínač na horním kompresoru obslouží oba dva vzdušníky. Bude to "spojené nádobí" :D takže v případě otevřeného propojovacího ventilu bude tlak v obou vzdušnících stejný.
Soustruh: S-28 Žebrák
Stolní vrtačka: TOS V10A
Pásová pila: G5013W/400
Mex
Příspěvky: 10287
Registrován: 6. 2. 2014, 10:29

1. 2. 2022, 4:56

ZoSo píše: 1. 2. 2022, 4:31
Mex píše: 1. 2. 2022, 4:02
Mám to propojené hadicí, což bylo mnohem míň práce než tahání nějakých tvrdých trubek.
Takže to máš normálně na přímo bez jakýchkoli ventilů a tak?
Tlakovej spínač z horního kompresoru bude stačit?

Ta bandaska dole je z trolejbusu a je nastříkaná takovou to pískovou barvou a pak přetažený asfaltem, nebo co to je.
Takže to bude fuška ho dát do barvy.
Jasně, velké bandasky spojené natvrdo.
Hasičák je pak připojený přes ventil, abych ho mohl snadno odpojit a nafoukaný odnést.

S tou barvou to bude problém. To nebude dělat dobrotu.
Aby ta horní nádrž nešikanovala tu spodní.
Jako dneska ve škole - když děcko nemá značkové hadry, tak ho ostatní šikanujou a posmívají se mu. Což mi přijde šílené, ale je to tak.
testone
Sponzor fora
Příspěvky: 7496
Registrován: 3. 12. 2010, 5:56
Bydliště: Slaný

1. 2. 2022, 5:05

...... a hlavně než s tím začneš něco tvořit, tak si tu několik desítek let starou z nějakého důvodu vyřazenou nádrž z trolejbusu odtlakuj
zjisti si na jaký je to provozní tlak a pak ji vodou (!!!!) vyzkoušej na alespoň 1,5 násobek
je tu o tom několik diskusí
instalatérská tlakovačka je vhodný způsob
Obvykle se dějí věci obvyklé. Méně často se dějí věci neobvyklé a zcela vyjímečně se dějí věci vyjímečné...
Masturn 40 CNC, Hermle UWF1200H CNC a pár klasik
http://www.radialengine.cz" onclick="window.open(this.href);return false;
http://www.autopejsek.cz" onclick="window.open(this.href);return false;
r4cv
Příspěvky: 2912
Registrován: 8. 12. 2009, 8:32
Bydliště: Topoľčany

1. 2. 2022, 5:17

každá nádoba musí mať svoj poistný ventil. stojí pár korún. inak spojiť hadicami, ventil medzi nádobami je výhoda.
ZoSo
Příspěvky: 144
Registrován: 26. 7. 2016, 10:50

1. 2. 2022, 5:23

testone píše: 1. 2. 2022, 5:05 ...... a hlavně než s tím začneš něco tvořit, tak si tu několik desítek let starou z nějakého důvodu vyřazenou nádrž z trolejbusu odtlakuj
zjisti si na jaký je to provozní tlak a pak ji vodou (!!!!) vyzkoušej na alespoň 1,5 násobek
je tu o tom několik diskusí
instalatérská tlakovačka je vhodný způsob
Když na tu nádobu přidělám nějaký běžný instalatérský šroubení , tak by mi ji mohl nějaký instalatér otestovat, ne?
Na 12bar?

Takže na boční vývod dám pojostný ventil a nádoby spojím hydraulickou hadicí.

Nádobu otestuju.
Uživatelský avatar
stanik84
Příspěvky: 2604
Registrován: 3. 8. 2016, 9:29

1. 2. 2022, 5:44

Ten boční vývod má být směrem dolů. Je na odkalovací zátku - v zápichu na konci zavitu je cca 4 mm díra - nevytáčí se ven celá nebo odkalovací ventil na kondenzát.
Mex
Příspěvky: 10287
Registrován: 6. 2. 2014, 10:29

1. 2. 2022, 5:59

Aniž bych tě chtěl nějak ovlivňovat, tak jenom poznámka, jak to mám zapojené já.
Na druhé nádrži žádný další pojišťovák nemám. Nějak mě nenapadá, proč bych ho tam měl dávat. Není tam žádný dodatečný zdroj tlaku.
Propojení nádrží a pak i další rozvod po dílně a do garáže mám udělaný klasickými vodařskými hadicemi.
Konkrétně mými oblíbenými Tubitech Crystal za pár korun:
https://www.gumex.cz/h/zahradni-hadice- ... laceholder
K tomu obyčejné vodařské mosazné fitinky, kuláče a hadičníky, na konci běžné pneumatické rychlospojky.
Mám to nainstalované ale teprve krátce (od roku 2004, takže jenom 18 let).

Jenom nesouvisející postesknutí: co mě štve, že mi někdy trochu utíká vzduch zpětně přes kompresor. Jestli někdy blbě dolehne zpětný ventil nebo.
Občas to nafoukám, a do 24 hodin je tlak třeba poloviční.
Přitom někdy jindy si to sedne líp. A pak můžu klidně odjet na dovolenou, a za týden je tam furt plný tlak, úplně beze změny.
ZoSo
Příspěvky: 144
Registrován: 26. 7. 2016, 10:50

1. 2. 2022, 6:37

Já sem doteď vzduch vůbec nepoužíval, mám to opravdu jen na tu plazmu. Koupil sem si takovej ten samonavijeci buben s 9 metrama hadice. Tím si vystačím po celé garáži.

Nádobu otočím odkalovačem dolu a natvrdo to
s kuláčem spojím. Tím bude hotovka.
Plnilo to 2 minuty, tak teď to bude tak 7. To je akorát než si člověk připraví řezání.

JEŠTĚ NÁPAD
Co když k tý nádobě přidělám manometr a natlakuju to vapkou? To by pro test stačilo, ne?
Uživatelský avatar
Habešan
Příspěvky: 1187
Registrován: 12. 12. 2013, 2:25
Bydliště: Čechy
Kontaktovat uživatele:

1. 2. 2022, 7:26

Vapka má řádově vyšší tlak, může se stát, že tu nádobu roztrhneš.

Četl jsi vlákno: t=40962 ("zinkování") ???
Koupím hliníkové profily délky cca 60cm, nabízím 90,-Kč/kg.
milan.83
Příspěvky: 826
Registrován: 25. 1. 2018, 7:26

1. 2. 2022, 8:02

r4cv píše: 1. 2. 2022, 5:17 každá nádoba musí mať svoj poistný ventil. stojí pár korún. inak spojiť hadicami, ventil medzi nádobami je výhoda.
To bych netvrdil s jistotou. Která norma říká, že každá nádoba musí mít pojišťovák?
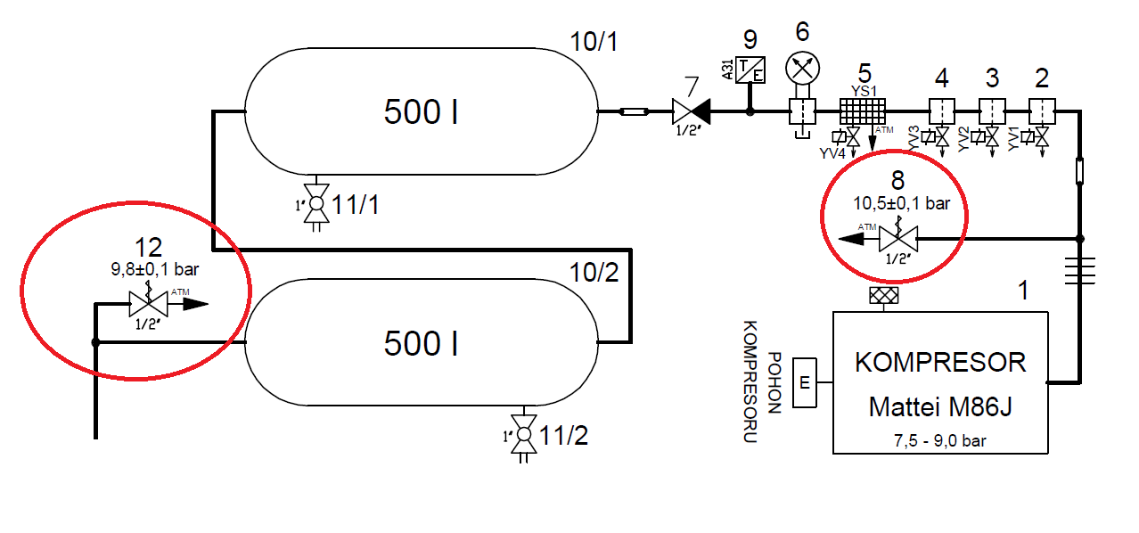
V práci používáme léty osvědčené zapojení, viz schéma níže. Jen je tam změna, že jednou jsou v sérii 2, někdy 3 a někdy 4 vzduchojemy. Schéma je pravidelně upravováno podle konkrétních potřeb a posledních platných norem, ověřeno Drážním úřadem, odborem, který má na starost pneumatické instalace.

Stručný popis:
1 - kompresor
2, 3, 4 - filtry s odkalením
5 - sušička vzduchu
6 - prachový filtr
7 - jednosměrný ventil
8 - pojistný ventil - ochrana sušičky
9 - snímač rosného bodu
10 - vzduchojemy
11 - odkalovací ventily
12 - pojistný ventil - ochrana vzduchojemů

bohatě stačí jeden pojišťovák, protože je jeden zdroj vzduchu a chráníme vzduchojemy před přetlakem od tohoto jednoho kompresoru.

Já bych se nebál toho jednoho pojišťováku v soustavě, na kterou se ZoSo ptá. V soustavě nikdy nemůže být vyšší tlak, než co je schopný nafoukat kompresor do prvního vzduchojemu. Jen ten pojišťovák musí být schopný vypouštět víc, než co dokáže dodávat kompresor. Předpokládám, že tahle podmínka je u kompresoru splněna původním pojišťovákem.


PS: a tenhle obvod není pro malý kompresůrek, tohle zapojení používáme i pro nasávané množství 480 m3/h :)

vzduchojemy.png
předválečný soustruh Volman, protahovačka HMS 850, Gude MIG 192/6K, frézka F1J2
ZoSo
Příspěvky: 144
Registrován: 26. 7. 2016, 10:50

1. 2. 2022, 8:10

Habešan píše: 1. 2. 2022, 7:26 Vapka má řádově vyšší tlak, může se stát, že tu nádobu roztrhneš.

Četl jsi vlákno: t=40962 ("zinkování") ???
Tak to vlákno...teď nevim.
Nechci bejt-vrah, terorista, zabiják psů, ohrožovat sousedy a co všechno...
Tou vapkou bych dával krátké impulzy.
Zkusim nějakýho instalatéra a pak uvidim.
Kompresor bude bydlet v rohu skovanej za SV18, tak snad tam nic nevyvede.
Nebo kouoim 33kg PB láhev, ta bude v cajku.

Všem vám moc děkuju.
testone
Sponzor fora
Příspěvky: 7496
Registrován: 3. 12. 2010, 5:56
Bydliště: Slaný

1. 2. 2022, 9:46

ZoSo píše: 1. 2. 2022, 8:10 Tou vapkou bych dával krátké impulzy.
to je tahání čerta za ocas
.....
bacha ještě na něco
z principu při tom tlakování nikde v té nádobě ani příslušenství NESMÍ být vzduchová bublina !!!!!!
Obvykle se dějí věci obvyklé. Méně často se dějí věci neobvyklé a zcela vyjímečně se dějí věci vyjímečné...
Masturn 40 CNC, Hermle UWF1200H CNC a pár klasik
http://www.radialengine.cz" onclick="window.open(this.href);return false;
http://www.autopejsek.cz" onclick="window.open(this.href);return false;
Odpovědět

Zpět na „kdyz nebudes vedet kam“