hliníkové profilové desky

kdyz nebudes vedet kam to dat tak to napis sem, admin to za tebe umisti nebo vytvori novou sekci
Odpovědět
rawen
Sponzor fora
Příspěvky: 1586
Registrován: 15. 3. 2008, 12:22
Bydliště: Prostějov

10. 5. 2022, 7:35

Nazdar.
Prosím o pomoc znalce hliníkových profilů resp. desek. Googlím jak blázen ale zjevně se ptám špatně...
Hledám náhradu Profilové desky Festo Didactic (resp. nechce se nám z originál drahé vyřezávat potřebné tvary). Ale nedokážu najít výkres profilu, resp. "ITEM" s roztečí 50 mi nic neříká.
Google dává spoustu odpovědí, ale pokud nevidím explicitně profil drážky, jsou mi na pytel. V podstatě nejzásadnější rozměr je pro nás světlost drážky, do které těsně vejdou zámky plastových dílů silné 8.4mm.
Pokud mi někdo můžete poradit nebo přímo doporučit prodejce, moc nám tím pomůžete.

Díky, Radek
soustruh Bernardo 500, frézka Proxxon
(CNC Tron, CNC Proxxon MF70)
Mex
Příspěvky: 10287
Registrován: 6. 2. 2014, 10:29

10. 5. 2022, 8:27

Asi bych místo "profile plate" hledal "T-table".
To od Festa je překládám klasická T-drážková deska.
rawen
Sponzor fora
Příspěvky: 1586
Registrován: 15. 3. 2008, 12:22
Bydliště: Prostějov

10. 5. 2022, 9:15

Díky, ale to moc nefunguje; zkoušel jsem.
Bez uvozovek to T bere často jako typ kolena (rozdvojku) a table jako stolek nebo podložku různých hejblat. "T-table" dává ještě horší výsledky. Technicky nejde o "pevný" profil pod obráběcí mašinu, ale o plochý odlehčený (a vícenásobný) konstrukční profil, čemuž odpovídají ty moje odkazy.

Radek
soustruh Bernardo 500, frézka Proxxon
(CNC Tron, CNC Proxxon MF70)
Castiel
Příspěvky: 113
Registrován: 5. 9. 2014, 6:50
Bydliště: Slovensko

11. 5. 2022, 7:16

Podla popisu teda tipujem, ze budu drazky kompatibilne s Itemom https://www.item24.com/en-de/mb-buildin ... /profiles/
Akurat profily Item myslim nemaju roztec draziek 50mm.
rawen
Sponzor fora
Příspěvky: 1586
Registrován: 15. 3. 2008, 12:22
Bydliště: Prostějov

11. 5. 2022, 9:53

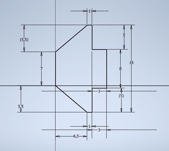
Upřesňuju - rozteč drážek je opravdu 50mm, nicméně na tomto parametru nezáleží.
světlost drážky je 8.8mm.
Do drážky se vejde takovýto ořech:
ořech.jpg
Radek
soustruh Bernardo 500, frézka Proxxon
(CNC Tron, CNC Proxxon MF70)
r4cv
Příspěvky: 2906
Registrován: 8. 12. 2009, 8:32
Bydliště: Topoľčany

11. 5. 2022, 10:09

do Haberkornu si skúšal volať? dodávajú ITEM
rawen
Sponzor fora
Příspěvky: 1586
Registrován: 15. 3. 2008, 12:22
Bydliště: Prostějov

11. 5. 2022, 2:23

r4cv píše: 11. 5. 2022, 10:09 do Haberkornu si skúšal volať? dodávajú ITEM
Zatím ne, na českém webu jsem viděl jen spojovák, profily ne.

Radek
soustruh Bernardo 500, frézka Proxxon
(CNC Tron, CNC Proxxon MF70)
Mex
Příspěvky: 10287
Registrován: 6. 2. 2014, 10:29

13. 5. 2022, 8:49

Byl jsem ve firmě Amtek, pro kterou dost dělám.
Měli tam zrovna nachystaný profilovník na výstavu Amper příští týden.
Tak jsem ji blejsknul.
Ty profily Maytec jsou dost kvalitní a je k tomu chytrý spojovák.
Profily_Maytec.jpg
rawen
Sponzor fora
Příspěvky: 1586
Registrován: 15. 3. 2008, 12:22
Bydliště: Prostějov

14. 5. 2022, 3:55

Děkuju za fotku.

Radek
soustruh Bernardo 500, frézka Proxxon
(CNC Tron, CNC Proxxon MF70)
Odpovědět

Zpět na „kdyz nebudes vedet kam“