Soustružení, rychlovka- výroba redukce, spěchá!

Požadavky na výrobu dílů - poptávkové fórum
Pravidla fóra
Toto forum vyzaduje schvaleni prispevku moderatorem.
Odpovědět
miroslav.simkovic
Příspěvky: 25
Registrován: 18. 3. 2017, 8:56

24. 7. 2022, 2:57

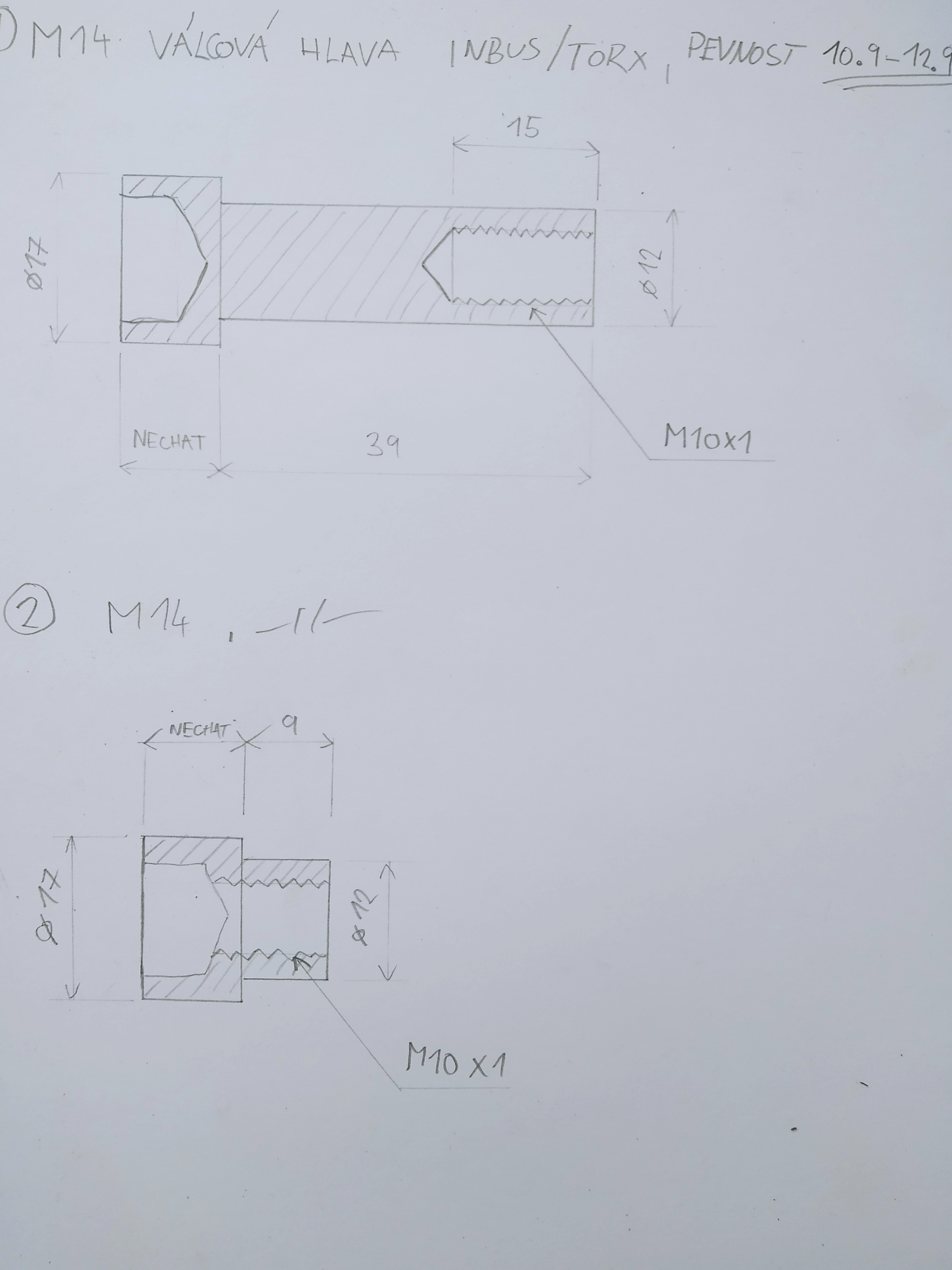
Dobrý den, potřebuji vyrobit tyto redukce, vyrobit je ze šroubů M14 s inbus/ torx hlavou o pevnosti min. 10.9....
Zmenšit pouze průměr hlaviček na 17mm, tolerance +/-0,2mm....průměr dříku stáhnout na 12mm +/-0,06....poté vyvrtat otvor do dříků a vyříznout do obou závit M10x1...kdo by se toho ujal? Docela to spěchá, potřebuji to už v následujícím týdnu, dám 700,- + poštovné... ozvěte se prosím, díky
Přílohy
IMG_20220724_135748.jpg
Aris
Příspěvky: 846
Registrován: 15. 11. 2012, 8:21

24. 7. 2022, 3:07

SZ :arrow:
miroslav.simkovic
Příspěvky: 25
Registrován: 18. 3. 2017, 8:56

25. 7. 2022, 7:08

Hotové, smazat, díky
Odpovědět

Zpět na „Potřebuji vyrobit - vypomoc pri vyrobe“