No a takhle je to presne generalizovat špatně! U siloveho motoru to nevadi, ze to pripojis na obou stranach, on se ale neptal na obyč asynchroňák, ptal se na krokáč a spíš obecně a pak je to cesta do pekel pripojit obe strany. Musis totiz rozlisovat kdy to je jen na potlaceni vyzarovani, abys splnil hodnoty, a na druhe strane o funkcnostiSelic píše: ↑28. 12. 2022, 9:33Tohle je právě zcela chybná elektrikářská latina. Správně to má být zapojeno podle návodu výrobce.pafik píše: ↑27. 12. 2022, 1:33Pointa je ta, že po tom stínění nesmí téct proud. Když (obecně) připojíš stínění na obou koncích paralelně k něčemu (nuláku, zemi), může tam nějakej proud téct a problém je na světě.Milan199 píše: ↑27. 12. 2022, 10:58
Setkal jsem se s několika teoriemi a dodneška nevím ...
STAV :Mezi měničem a krokáčem je stíněný kabel 3 fáze + žlutozelený zemnící.
DOTAZ : Stínění je připojeno :
a) na obou koncích
b) u měniče
c) u motoru
PODDOTAZ :
a ) Stínění je spojeno se žz vodičem.
b) Stínění je samostatně vedeno a připojeno na "HUP" .
moc díky za info
Pro připojení 3f motoru na 3f měnič je správný postup použít 4 žilový stíněný kabel.
Na motoru je zž připojen na zemnící svorku a stínění na tutéž svorku nebo druhou, pokud ji motor má.
Na straně měniče je zž od motoru zapojen na PE svorku měniče k tomu vyhraženou a stínění také na kostru měniče, ideálně po celém obvodu kabelu třmenem, co je dodáván k měniči.
Pokud se zapojí stínění kamkoliv jinam než na měnič, tak se rušení projevuje náhodně všude možně i mimo rozvaděč. Největší zvrhlost, kterou vídám po fabrikách, je zapojení stínění od kabelů se smyčkami 4-20mA od regulace společně se stíněním silových kabelů od motoru do jedné svorkovnice. Druhá zvrhlost je použití 3 žilového stíněného kabelu pro připojení motoru. (většinou je jedna fáze ještě zž.) Pak se člověk nestačí divit, co to zařízení provádí.
Pointa stínění silových kabelů je právě v tom, že stíněním musí protéct rozdílový proud který vzniká ve spotřebiči nebo i v samotném kabelu zpět ke zdroji nejkratší cestou. Je na to dokonce i norma z 90tých let, bohužel pokud vím tak ještě není přeložena do češtiny. Výrobci měničů jako Siemens se jí drží.
uzemnění a rušení CNC+PC
SM16A, FN20, 3E710B, CDC7-2, HO02, CO2laser, Fiber.. propagator www.atreon.cz
Navíc si buď protiřečíš, nebo jsem to nějak nepochopil.
......Druhá zvrhlost je použití 3 žilového stíněného kabelu pro připojení motoru. (většinou je jedna fáze ještě zž.) Pak se člověk nestačí divit, co to zařízení provádí.....
X
.... Pointa stínění silových kabelů je právě v tom, že stíněním musí protéct rozdílový proud který vzniká ve spotřebiči nebo i v samotném kabelu zpět ke zdroji nejkratší cestou. ....
Ta "druhá zvrhlost" je přesně to, čím dosáhneš toho druhého. Předpokládám, že kabel funguje 3 žíly = 3 fáze, stínění = nulák.
A na tom měniči, ta svorka, označená jako zem, není spojená se svorkou PE.
......Druhá zvrhlost je použití 3 žilového stíněného kabelu pro připojení motoru. (většinou je jedna fáze ještě zž.) Pak se člověk nestačí divit, co to zařízení provádí.....
X
.... Pointa stínění silových kabelů je právě v tom, že stíněním musí protéct rozdílový proud který vzniká ve spotřebiči nebo i v samotném kabelu zpět ke zdroji nejkratší cestou. ....
Ta "druhá zvrhlost" je přesně to, čím dosáhneš toho druhého. Předpokládám, že kabel funguje 3 žíly = 3 fáze, stínění = nulák.
A na tom měniči, ta svorka, označená jako zem, není spojená se svorkou PE.
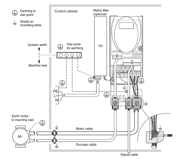
Takhle doporučují zapojit jednotku D326 s třífázovým krokáčem v origo dokumentaci :
Tyhle krokáče mohou - ale nemusí mít encoder !
Ptal jsem se, protože jsem před časem koupil rozvaděč se čtyřmi těmito jednotkami zapojený origo výrobcem // je to na protokolu o měření EMC // a tam to bylo zase jinak.
Stínění bylo připojené dle tohoto obrázku na té destičce u svorkovnice driveru a zároveň byla punčoška stínění ohrnutá a přikostřená specielní vývodkou na motoru.
Tyhle krokáče mohou - ale nemusí mít encoder !
Ptal jsem se, protože jsem před časem koupil rozvaděč se čtyřmi těmito jednotkami zapojený origo výrobcem // je to na protokolu o měření EMC // a tam to bylo zase jinak.
Stínění bylo připojené dle tohoto obrázku na té destičce u svorkovnice driveru a zároveň byla punčoška stínění ohrnutá a přikostřená specielní vývodkou na motoru.
díky všem za přispění! Ještě mi nedá spát jedna věc… pokud dám kovovou skřín kolem CNC řídící elektroniky se zdrojem (skřín bude tak v magnetickém poli elektroniky a zdroje), jaký rozdíl bude ve stínění polí uzavřené elektroniky když skřín bude a nebo nebude uzeměná? …bez uzemnění bude nižší magnetické pole ale vzroste elektrické pole a s uzemněním to bude "nepropustná" faradayova klec?
pak bych se rád do-zeptal:
1)
2)
3) paralelní port/kabel nepropojuje zem mezi PC a CNC že ne?
pak bych se rád do-zeptal:
1)
měli byste prosím ukázku nebo bližší popis, jak to máte řešeno? ještě jsem to takhle neviděl a neumím si představit, jak to oddělit

2)
pokud je u krokáče např "Jmenovitá indukčnost: 3,5mH ± 20%", tak tím je myšleno 3,5MHz a ferrit se tu tím pádem osvědčí? ...pokud vím, ten zaklapávací s děleným jádrem bývá na vyšší frekvence, takový ten volný velký celistvý navlíkací prstenec na nižší (možná to neplatí vždy možná vůbec), tak je dobrý je kombinovat pro pokrytí vyššího rozsahu frekvencí? ..a navlíknout 1ks na celý kabel nebo na každý vodič solo ferit? ...výběr konrk feritu je dle přůměru kabelu nebo tam jsou další specifika? ...pro zajímavost kde se setkáváš ještě s vyššími frekvencemi krom motorů?
3) paralelní port/kabel nepropojuje zem mezi PC a CNC že ne?
Je to docela psina. Zrovna před měsícem jsem absolvoval osvěžovací školení z padesátky (teda dnes to má jiné číslo) a pro zajímavost jsem se přesně na toto zeptal školitele. No a výsledek - stínění mezi měničem se má prý určitě připojit na obou stranách. A teď si vyber.
To mH jsou milihenry a jde o indukčnost cívky motoru. S ochranou proti vyzařování to nemá nic společného. Ferit se navléká na kabel a sníží vyzařování nosné frekvence a dalších vyšších harmonických z kabelu.
Stineni mezi mezi menicem a motorem rozhodne na obou stranach. Delaji se na to specialni kovove pruchodky na ktere se nakontaktuje stineni po celem obvodu https://automatizace.hw.cz/zajimavost-s ... eni-kabelu . Myslel jsem si ze je to kravina protoze jsou dost drahe, ale ma to znatelny vliv i kdyz pouziju cinskou verzi z ebay.
Obecne plati ze pokud stinis aby neslo neco z kabelu ven (typicky menice), zemnit na obou stranach, pokud stinis proti pronikani bordelu do kabelu z venku (signalove linky), zemnit jen na jedne strane. Pripojit asynchronak stinenym 3zilovym kabelem je samozrejme prasecina, zemnici zila musi jit uvnitr.
Skrin uzemnit v kazdem pripade, stalo se mi napriklad ze jsem u velkeho 48 portoveho switche po oprave zapomnel vevnitr prisroubovat zemnici sroubek ke skatuli a switch se vubec nechytal. Po pripojeni jak mavnutim proutku ozil a funguje bez problemu dodnes.
Ferity urcite vsude kde to jen jde, nemusis na kazdou zilu zvlast, staci jen na cely kabel. Bud ty nacvakavaci perly, nebo protahnout drat jednim, ale klidne i dvema nebo tremi zavity do feritovych krouzku vykutanych z neceho. Nejspis by tam mel byt nejaky vhodny druh feritu, ale kdyz jsem zkousel vsechny mozne co mam, nevypozoroval jsem mezi tim zadny patrny rozdil. Vypada to jako prkotina, ale dela to strasne moc. Napriklad na stroji kde jsem musel vyvest alfanumericky displej cca 0,5m plochym kabelem to bez feritu na obou stranach naprosto nebylo schopne fungovat, po doplneni temi plochymi ferity se skvirou pro kabel to jede zcela bez problemu. Nebo kdyz jsem dal tu nacvakavaci perlu na privod k heatbedu 3D tiskarny jez byla napajena 24V/25A s 500Hz PWM ta perla vrcela tak nahlas, ze to byla nehlucnejsi vec na tiskarne
Kdyz si navrhuju vlastni HW, davam do jakehokoliv signaloveho vstupu zvenku ESD a RLC fitry, staci malicke smd indukcnosti. Tech par investovanych kacek se mnohonasobne vrati kdyz nasledne nemusim hledat problemy typu stroj spadne jednou za tyden.
Ani optocleny nejsou vsespasne. Pokud treba vedou kabely vedle silovych (nekdy jina moznost proste neni) Neni naprosto zadny problem aby se tam naindukoval takovy curbes ktery rozne ledku v optoclenu. Pokud to jde, pouzivam radeji diferencialni vedeni a optoclenem oddelim az za prijimacem. Funguje to o poznani lip.
Obecne plati ze pokud stinis aby neslo neco z kabelu ven (typicky menice), zemnit na obou stranach, pokud stinis proti pronikani bordelu do kabelu z venku (signalove linky), zemnit jen na jedne strane. Pripojit asynchronak stinenym 3zilovym kabelem je samozrejme prasecina, zemnici zila musi jit uvnitr.
Skrin uzemnit v kazdem pripade, stalo se mi napriklad ze jsem u velkeho 48 portoveho switche po oprave zapomnel vevnitr prisroubovat zemnici sroubek ke skatuli a switch se vubec nechytal. Po pripojeni jak mavnutim proutku ozil a funguje bez problemu dodnes.
Ferity urcite vsude kde to jen jde, nemusis na kazdou zilu zvlast, staci jen na cely kabel. Bud ty nacvakavaci perly, nebo protahnout drat jednim, ale klidne i dvema nebo tremi zavity do feritovych krouzku vykutanych z neceho. Nejspis by tam mel byt nejaky vhodny druh feritu, ale kdyz jsem zkousel vsechny mozne co mam, nevypozoroval jsem mezi tim zadny patrny rozdil. Vypada to jako prkotina, ale dela to strasne moc. Napriklad na stroji kde jsem musel vyvest alfanumericky displej cca 0,5m plochym kabelem to bez feritu na obou stranach naprosto nebylo schopne fungovat, po doplneni temi plochymi ferity se skvirou pro kabel to jede zcela bez problemu. Nebo kdyz jsem dal tu nacvakavaci perlu na privod k heatbedu 3D tiskarny jez byla napajena 24V/25A s 500Hz PWM ta perla vrcela tak nahlas, ze to byla nehlucnejsi vec na tiskarne

Ani optocleny nejsou vsespasne. Pokud treba vedou kabely vedle silovych (nekdy jina moznost proste neni) Neni naprosto zadny problem aby se tam naindukoval takovy curbes ktery rozne ledku v optoclenu. Pokud to jde, pouzivam radeji diferencialni vedeni a optoclenem oddelim az za prijimacem. Funguje to o poznani lip.
krokáč (jakýkoli spotřebič) sám o sobě žádnou frekvenci (kmitočet) nemá
nějaký kmitočet má elektrika (napětí a proud) která ten krokáč napájí
kmitočet se mění s rychlostí otáčení (resp. obráceně - rychlost otáčení je přímo úměrná kmitočtu napájecího proudu (velmi zjednodušeno)
1 krok/sekundu = 1Hz, 1000 kroků/sec = 1000 Hz (veeeelmi zjednodušeno pro ilustraci)
Obvykle se dějí věci obvyklé. Méně často se dějí věci neobvyklé a zcela vyjímečně se dějí věci vyjímečné...
Masturn 40 CNC, Hermle UWF1200H CNC a pár klasik
http://www.radialengine.cz" onclick="window.open(this.href);return false;
http://www.autopejsek.cz" onclick="window.open(this.href);return false;
Masturn 40 CNC, Hermle UWF1200H CNC a pár klasik
http://www.radialengine.cz" onclick="window.open(this.href);return false;
http://www.autopejsek.cz" onclick="window.open(this.href);return false;
Z hlediska rušení bude asi spíše důležitá "nosná frekvence", tedy frekvence se kterou měnič // driver krokáče // modeluje sinusovky na jednotlivých fázích. Ta je buďto pevně daná nebo ji lze naprogramovat dle typu a výrobce.testone píše: ↑29. 12. 2022, 6:41krokáč (jakýkoli spotřebič) sám o sobě žádnou frekvenci (kmitočet) nemá
nějaký kmitočet má elektrika (napětí a proud) která ten krokáč napájí
kmitočet se mění s rychlostí otáčení (resp. obráceně - rychlost otáčení je přímo úměrná kmitočtu napájecího proudu (velmi zjednodušeno)
1 krok/sekundu = 1Hz, 1000 kroků/sec = 1000 Hz (veeeelmi zjednodušeno pro ilustraci)
U soudobych driveru neni ani tak problem frekvence spinani jednotlivych kroku. Zadny z bezne pouzivanych driveru dnes nefunguje tak, ze by jen prepinal napeti do civek podle rytmu kroku, to se pouziva snad uz jen u malickych motorku. Standartni driver se snazi do civek nacpat pozadovany proud a kvuli charakteru indukcni zateze musi zpocatku kazdeho kroku do civky pustit mnohem vyssi napeti aby toho docilil. Deje se tak pomoci PWM na frekvenci v radech desitek kHz, tedy mnohem vyssi nez je frekvence kroku. Velice zjednodusene receno, driver cpe do civky napeti dokud nedosahne nastaveneho proudu snimaneho bocnikovymi odpory, pak na chvilicku vypne, az proud poklesne opet sepne a tohle se porad opakuje aby byl prumerny proud takovy jak je nastaveny. A tohle "rozsekani" napeti v ramci jednoho kroku zpusobuje ruseni. Napeti se na civce vlivem indukcnosti vyfitruje, ale v kabelu proste ten curbes je. Analogicky u vypnuti civky po ukonceni pulzu pro krok driver jen tak neodpoji civku od napajeni, ale v zavislosti na zvolenem decay rezimu ji bud podobnym PWM rizenim zkratuje, nebo do ni pousti napeti opacne polarity aby ji rychlejs odbudil, pripadne ty rezimy ruzne kombinuje v zavislosti na otackach, zatizeni apod. A pri tom opet vznika spoustu ruseni, protoze mosfety spinaji velice rychle aby se nezahrivaly. Je to cele velice zjednodusene receno, driver malokdy spina civku stylem zapni/vypni ale snazi se do civky poslat lepsi nebo horsi sinusovku (podle nastaveni poctu mikrokroku) apod. ale k pochopeni pricipu jak vznika ruseni od motoru to snad staci.testone píše: ↑29. 12. 2022, 6:41krokáč (jakýkoli spotřebič) sám o sobě žádnou frekvenci (kmitočet) nemá
nějaký kmitočet má elektrika (napětí a proud) která ten krokáč napájí
kmitočet se mění s rychlostí otáčení (resp. obráceně - rychlost otáčení je přímo úměrná kmitočtu napájecího proudu (velmi zjednodušeno)
1 krok/sekundu = 1Hz, 1000 kroků/sec = 1000 Hz (veeeelmi zjednodušeno pro ilustraci)
Vlozenim feritove perly na kabel se jako by do vedeni vlozi dalsi indukcnost ktera tyhle rychle hrany spinani "vyfiltruje". Na druhou stranu to zase muze ovlivnovat zpusob jakym driver ridi proud, protoze on s necim takovym nepocita a prubeh proudu jez snima je timto zkresleny, proto na krokove motory radeji ferity nedavam. U modernich driveru je to rizeni proudu mnohem slozitejsi nez jsem nastinil, daji se nastavit desitky ruznych parametru tohoto spinani, takze tezko rict nakolik by tato dalsi vlozena indukcnost ovlivnila to co driver v tom kterem okamziku dela.
koukám, že jsem v tomhle měl a mám hodně velkou mezeru
čili když se to shrne, ferit na krokáče je rozporuplný (prubeh proudu se může zkreslovat), tak ani nevím, jestli se do toho budu pouštět
a síněný uzemněný kabel je jistota - pokud je řeč o stíněnní kabelů ke krokáčům na osách stroje, pak se zemní jedna strana stínění dodatečným přizemněním a to např., jak už bylo řečeno, na krabici příslušného driveru a ta krabice dál na zemnící sběrnici a nebo rovnou na sběrnici a jde o to, aby po tom nelítal proud, čili nespojuje se to se zž kabelem motoru.


myslel jsem, že použití feritu na jednu stranu nebo někam do středu obecně stačí, nebo ne? co nakombinovat teda ten menší a větší ferit pro pro pokrytí vyššího rozsahu frekvencí, dá se?

co by se vlastně dělo bez uzemnění? čekal bych že stínit to bude taky, ale zároven se nic neodvede nikam do země, takže se zvýší elektrické pole?
Naprostý souhlas. Až na to, že ty ceny vývodek nejsou jen vysoké, ty jsou naprosto odpornét256 píše: ↑29. 12. 2022, 6:26 Stineni mezi mezi menicem a motorem rozhodne na obou stranach. Delaji se na to specialni kovove pruchodky na ktere se nakontaktuje stineni po celem obvodu https://automatizace.hw.cz/zajimavost-s ... eni-kabelu . Myslel jsem si ze je to kravina protoze jsou dost drahe, ale ma to znatelny vliv i kdyz pouziju cinskou verzi z ebay.
Obecne plati ze pokud stinis aby neslo neco z kabelu ven (typicky menice), zemnit na obou stranach, pokud stinis proti pronikani bordelu do kabelu z venku (signalove linky), zemnit jen na jedne strane. Pripojit asynchronak stinenym 3zilovym kabelem je samozrejme prasecina, zemnici zila musi jit uvnitr.
Skrin uzemnit v kazdem pripade, stalo se mi napriklad ze jsem u velkeho 48 portoveho switche po oprave zapomnel vevnitr prisroubovat zemnici sroubek ke skatuli a switch se vubec nechytal. Po pripojeni jak mavnutim proutku ozil a funguje bez problemu dodnes.
Ferity urcite vsude kde to jen jde, nemusis na kazdou zilu zvlast, staci jen na cely kabel. Bud ty nacvakavaci perly, nebo protahnout drat jednim, ale klidne i dvema nebo tremi zavity do feritovych krouzku vykutanych z neceho. Nejspis by tam mel byt nejaky vhodny druh feritu, ale kdyz jsem zkousel vsechny mozne co mam, nevypozoroval jsem mezi tim zadny patrny rozdil. Vypada to jako prkotina, ale dela to strasne moc. Napriklad na stroji kde jsem musel vyvest alfanumericky displej cca 0,5m plochym kabelem to bez feritu na obou stranach naprosto nebylo schopne fungovat, po doplneni temi plochymi ferity se skvirou pro kabel to jede zcela bez problemu. Nebo kdyz jsem dal tu nacvakavaci perlu na privod k heatbedu 3D tiskarny jez byla napajena 24V/25A s 500Hz PWM ta perla vrcela tak nahlas, ze to byla nehlucnejsi vec na tiskarneKdyz si navrhuju vlastni HW, davam do jakehokoliv signaloveho vstupu zvenku ESD a RLC fitry, staci malicke smd indukcnosti. Tech par investovanych kacek se mnohonasobne vrati kdyz nasledne nemusim hledat problemy typu stroj spadne jednou za tyden.
Ani optocleny nejsou vsespasne. Pokud treba vedou kabely vedle silovych (nekdy jina moznost proste neni) Neni naprosto zadny problem aby se tam naindukoval takovy curbes ktery rozne ledku v optoclenu. Pokud to jde, pouzivam radeji diferencialni vedeni a optoclenem oddelim az za prijimacem. Funguje to o poznani lip.

Prdlajs pstruzi. Cívka krokového motoru má dost velkou idukčnost na to, aby si proud podržela sama. Ten ferit s protaženým kabelem má proti tomu indukčnost celkem zanedbatelnou. Bez uzemnění bude vše plavat ve vzduchu a tvořit elektrické pole, které se pak vybije v místě nejmenšího odporu - viz blesk. Ono je to trochu složitější, protože máš kapacitní vazby proti zemi všude možně (např. i v trafech) takže je třeba uzemnění věnovat opravdu velikou pozornost. On to kolega t256 konec konců popsal perfektně. Neuzemníš - nakope ti to většinou zadek

U výrobce. Momentové charakteristiky v závislosti na krokovém kmitočtu udává každý slušný výrobce. U těch totálně neznačkových si to musíš změřit sám, pokud na tom záleží.VENCAZ píše: ↑29. 12. 2022, 5:52kde zjistit jakou má krokáč frekvenci?![]()