[Uzavřeno] Poptávám CNC frézování plastů/hliníku

Požadavky na výrobu dílů - poptávkové fórum
Pravidla fóra
Toto forum vyzaduje schvaleni prispevku moderatorem.
Odpovědět
invi
Příspěvky: 17
Registrován: 5. 4. 2017, 11:58

15. 3. 2023, 7:29

EDIT 15.3.2023 13:14 hod.: ozvalo se mi už několik zájemců, proto prosím, aby už další nepsali. Děkuji.

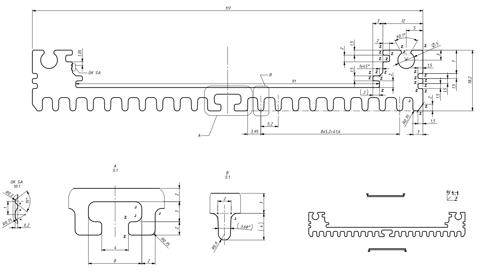
Poptávám vytvoření koncovky pro uzavření hliníkového profilu. V příloze zasílám výkres hliníkového profilu profil.jpg, do toho profilu nasuneme elektroniku (LED diody) a krycí plexisklo. Jak vypadá profil s nasunutou elektronikou zasílám na fotografiích foto-profil-1.jpg a foto-profil-2.jpg

Profil je z obou stran otevřený, takže jej potřebujeme uzavřít. Naše představa, kterou poptáváme, je že by se například do plastové desky (může být i jiný materiál, možná tenčí hliníková deska?) o tloušťce 6 mm vyřezal tvar profilu, s tím že část, která by kopírovala plnou část hliníkového profilu by měla 2 mm a zbytek vyřezané plastové koncovky by měl tloušťku 6 mm. Plastovou koncovku bychom tedy "zaklepli" do hliníkového profilu a ještě bychom ji z vnitřní strany připevnili k profilu lepidle/silikonem.

Hrubou představu výsledku zasílám v koncovka.jpg

Celkem bychom takto v první objednávce potřebovali dodat 1000 ks.

Prosím do SZ o info, zda máte o poptávku zájem, bylo by možné, tak jak navrhuji realizovat a odhad ceny/ks (můžeme nejprve vytvořit a uhradit vzorek, pro zjištění časové náročnosti).

Děkuji.
Přílohy
foto-profil-1.jpg
foto-profil-2.jpg
profil.jpg
koncovka.jpg
Odpovědět

Zpět na „Potřebuji vyrobit - vypomoc pri vyrobe“