cívka na hlavním spínači

Odpovědět
Uživatelský avatar
tumlik
Sponzor fora
Příspěvky: 3767
Registrován: 19. 12. 2007, 8:20
Bydliště: já su z Moravskej :-)
Kontaktovat uživatele:

26. 6. 2024, 1:11

potřebuju popíchnout, shořela mně cívečka s jádrem na hlavním vypínači na soustruhu, fce taková, že jakmile otočím hlavním spínačem, sepnou se tři fáze + do cívky, to přitáhne ten střed a vypínač zůstane sepnutý, předpokládám, že v případě "zvýšené teploty" se ten klixon odpojí, přeruší obvod a ta cívka vyhodí kolíkem vypínač??
ty dva žluté dráty jdou do svorkovnice
bude to fungovat, když tu svorkovnici proklemuju? mechanicky ten vypínač bez toho trafa zůstane pěkně zaseklý s sepnutém stavu, protože na to netlačí ta pružinka v té cívce to nebude v případě něčeho vybavovat, tu cívku asi neseženu, případně čím to nahradit, nebo neuměl by to někdo šikovný za úplatu převinout??
díky moc
IMG_20240626_132250.jpg
IMG_20240626_132304.jpg
IMG_20240626_133554.jpg
schéma.jpg
http://www.tumlikovo.cz/
Popularizační web nástrojařství a kovoobrábění
Uživatelský avatar
Thomeeque
Příspěvky: 9421
Registrován: 30. 1. 2012, 10:20
Bydliště: Mimo ČR

26. 6. 2024, 3:47

Pokud vypínač drží i bez cívky a nepotřebuješ tu ochrannou funkci, máš to hotové :) Určitě neklemovat, poslal bys 400V na ten klixon ☠️
mimooborová naplavenina • kolowratský zázrak™ • NPS • GCU • HirthCalc • ncDP.ino
Uživatelský avatar
tumlik
Sponzor fora
Příspěvky: 3767
Registrován: 19. 12. 2007, 8:20
Bydliště: já su z Moravskej :-)
Kontaktovat uživatele:

26. 6. 2024, 4:12

Thomeeque píše: 26. 6. 2024, 3:47 Pokud vypínač drží i bez cívky a nepotřebuješ tu ochrannou funkci, máš to hotové :) Určitě neklemovat, poslal bys 400V na ten klixon ☠️
dík, ještě to upřesním, poslal jsem starý schéma, kde jde vidět ta cívka, já mám ale tuhle verzi se stykačem a tam ji nevidím, on ten spínač sice drží, ale už nejde sepnout stykač když je ta cívka spálená, dokážeš to z toho rozlousknout? :)
schéma se stykačem.jpg
http://www.tumlikovo.cz/
Popularizační web nástrojařství a kovoobrábění
Uživatelský avatar
tumlik
Sponzor fora
Příspěvky: 3767
Registrován: 19. 12. 2007, 8:20
Bydliště: já su z Moravskej :-)
Kontaktovat uživatele:

26. 6. 2024, 5:48

tady jsem to ještě proměřil kam to z té cívky vede (modře dokreslená cesta)
jeden kontakt dolů na stykač a pak do trafa s číslem 0, druhý pak přímo na trafo, číslo je tam blbě vidět 268asi
cívka.jpg
http://www.tumlikovo.cz/
Popularizační web nástrojařství a kovoobrábění
Uživatelský avatar
jenicek
Příspěvky: 1822
Registrován: 17. 9. 2018, 9:35
Bydliště: Vedle Trautenberka

26. 6. 2024, 7:04

Zkus tu cívku rozkuchat a změř středový jádro a výšku. Třeba tam bude pasovat nějaká unifikovaná solenoidová cívka :wink:
https://www.kovaz.cz/civky-pro-solenoid ... ily-c4556/
Uživatelský avatar
picom
Příspěvky: 2290
Registrován: 11. 8. 2006, 2:07
Bydliště: Praha

26. 6. 2024, 7:16

Pokud se ti podaří civku sundat tak půjde převinout. Bude tam ale hodne tenký drát
Uživatelský avatar
tumlik
Sponzor fora
Příspěvky: 3767
Registrován: 19. 12. 2007, 8:20
Bydliště: já su z Moravskej :-)
Kontaktovat uživatele:

26. 6. 2024, 7:29

picom píše: 26. 6. 2024, 7:16 Pokud se ti podaří civku sundat tak půjde převinout. Bude tam ale hodne tenký drát
Cívku jsem sundal, průměr jádra je 8mm, výška cca 22, drát 0,13mm, pořád nechápu, proč to bez ní nefachčí, jako kdyby ta třetí fáze musela přes ní :roll:
IMG_20240626_201007.jpg
IMG_20240626_201652.jpg
http://www.tumlikovo.cz/
Popularizační web nástrojařství a kovoobrábění
Uživatelský avatar
jenicek
Příspěvky: 1822
Registrován: 17. 9. 2018, 9:35
Bydliště: Vedle Trautenberka

26. 6. 2024, 8:11

Máš to nějakej hybrid mezi těma dvouma schématama. Zeptám se blbě, ty pojistky E1-E3 v tý patici vlevo jsi zkoušel? A měřil jsi ohmetrem nebo jen prozváněčkou? Pokud jen prozváněčkou, tak ta může pískat i přes cívku stykače.
Uživatelský avatar
tumlik
Sponzor fora
Příspěvky: 3767
Registrován: 19. 12. 2007, 8:20
Bydliště: já su z Moravskej :-)
Kontaktovat uživatele:

26. 6. 2024, 8:27

jenicek píše: 26. 6. 2024, 8:11 Máš to nějakej hybrid mezi těma dvouma schématama. Zeptám se blbě, ty pojistky E1-E3 v tý patici vlevo jsi zkoušel? A měřil jsi ohmetrem nebo jen prozváněčkou? Pokud jen prozváněčkou, tak ta může pískat i přes cívku stykače.
Pojistky jsem vytáhl ven jako první a prozvonil, ta E5 byla v hajzlu F2A, tu jsem vyměnil, ostatní byly dobré, je to furt stejné, ta civecka je spíš mechanický prvek, nemůžu ji v tom schématu identifikovat, jsem v elektrice samouk :)
Že to je hybrid, může být, oni to dělali na zakázku, ne jako sérii
http://www.tumlikovo.cz/
Popularizační web nástrojařství a kovoobrábění
miv
Příspěvky: 1239
Registrován: 17. 9. 2019, 11:55

26. 6. 2024, 9:17

tumlik píše: 26. 6. 2024, 8:27
jenicek píše: 26. 6. 2024, 8:11 Máš to nějakej hybrid mezi těma dvouma schématama. Zeptám se blbě, ty pojistky E1-E3 v tý patici vlevo jsi zkoušel? A měřil jsi ohmetrem nebo jen prozváněčkou? Pokud jen prozváněčkou, tak ta může pískat i přes cívku stykače.
Pojistky jsem vytáhl ven jako první a prozvonil, ta E5 byla v hajzlu F2A, tu jsem vyměnil, ostatní byly dobré, je to furt stejné, ta civecka je spíš mechanický prvek, nemůžu ji v tom schématu identifikovat, jsem v elektrice samouk :)
Že to je hybrid, může být, oni to dělali na zakázku, ne jako sérii
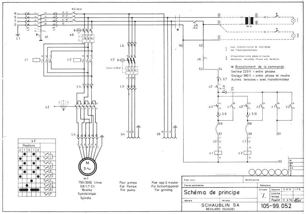
Já si myslím, že je to ten prvek a6 dle druhého schématu. Pak by bylo jasné, proč to nefunguje po sepnutí hlavního spínače. Vypadá to, že ta cívka spíná tři fáze. Pokud bys ji chtěl vyhodit, pak musíš překlemovat všechny tři kontakty. Ale je to jen domněnka, musel bych ten spínací prvek vidět. Když se na to schéma podíváš pozorně, vyskytuje se označení a6 dvakrát. Kdoví, jaké měli Švýcaři zvyklosti pro kreslení takových schémat.
Uživatelský avatar
picom
Příspěvky: 2290
Registrován: 11. 8. 2006, 2:07
Bydliště: Praha

26. 6. 2024, 10:00

Schéma a foto rozvaděče jsou odlišné.
a6 je motorová ochrana stejně jako a3 a na fotce nikde není.
Na fotce je jeden stykač, dc brzda, pojistky a trafo

Hledal bych mechanický problém v přepínači.
Cívka možná mechanicky nesepla a proto jí tekl velký proud který ji spálil.
Odpovědět

Zpět na „Ostatní elektronika“