Ozubene soukoli

mechanika k motorům
Odpovědět
Polesovsky
Příspěvky: 536
Registrován: 28. 5. 2011, 9:30
Bydliště: Brno

27. 12. 2025, 4:55

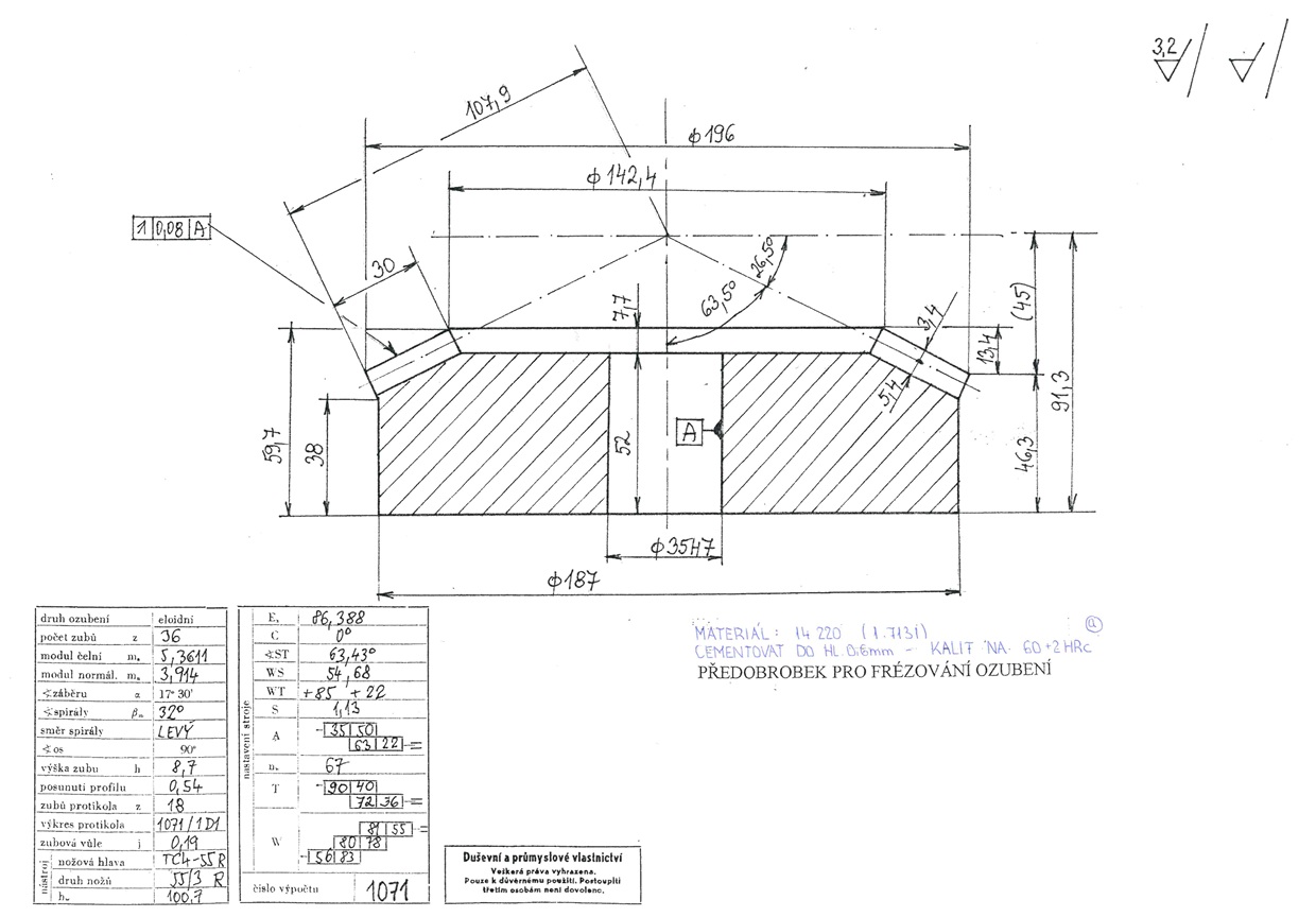
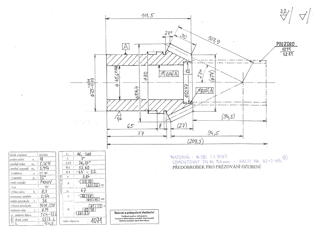
Zdravim.
mam prosbu. Jak vytvorit soukoli v Solidworksu dle vykresu. Dostal jsem to od kamarada co potrebuje po jednom kuse. Nedokazi posoudit, jestli jsem schopen vyrobit, pokud nemam realny model pro obrabeni.
Diky predem za radu i pripadny navod jak modelovat v solidWorksu
Přílohy
ozub_kolo.jpg
pastorek.jpg
Polesovsky
Příspěvky: 536
Registrován: 28. 5. 2011, 9:30
Bydliště: Brno

30. 12. 2025, 9:07

Polesovsky píše: 27. 12. 2025, 4:55 Zdravim.
mam prosbu. Jak vytvorit soukoli v Solidworksu dle vykresu. Dostal jsem to od kamarada co potrebuje po jednom kuse. Nedokazi posoudit, jestli jsem schopen vyrobit, pokud nemam realny model pro obrabeni.
Diky predem za radu i pripadny navod jak modelovat v solidWorksu
Asi nikdo nevi jak na to. Skoda
Odpovědět

Zpět na „šrouby a převodovky“