Pokud chcete stavět něco extra, nic lepšího nenajdete
Vše nové
Cena 34.000,- nebo dohoda.
2x Kuličkové šrouby KSK, přesnost IT1
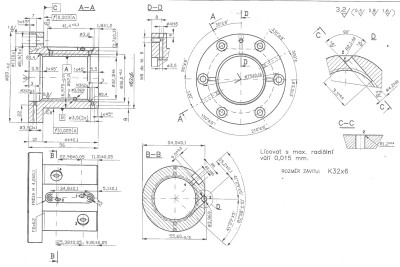
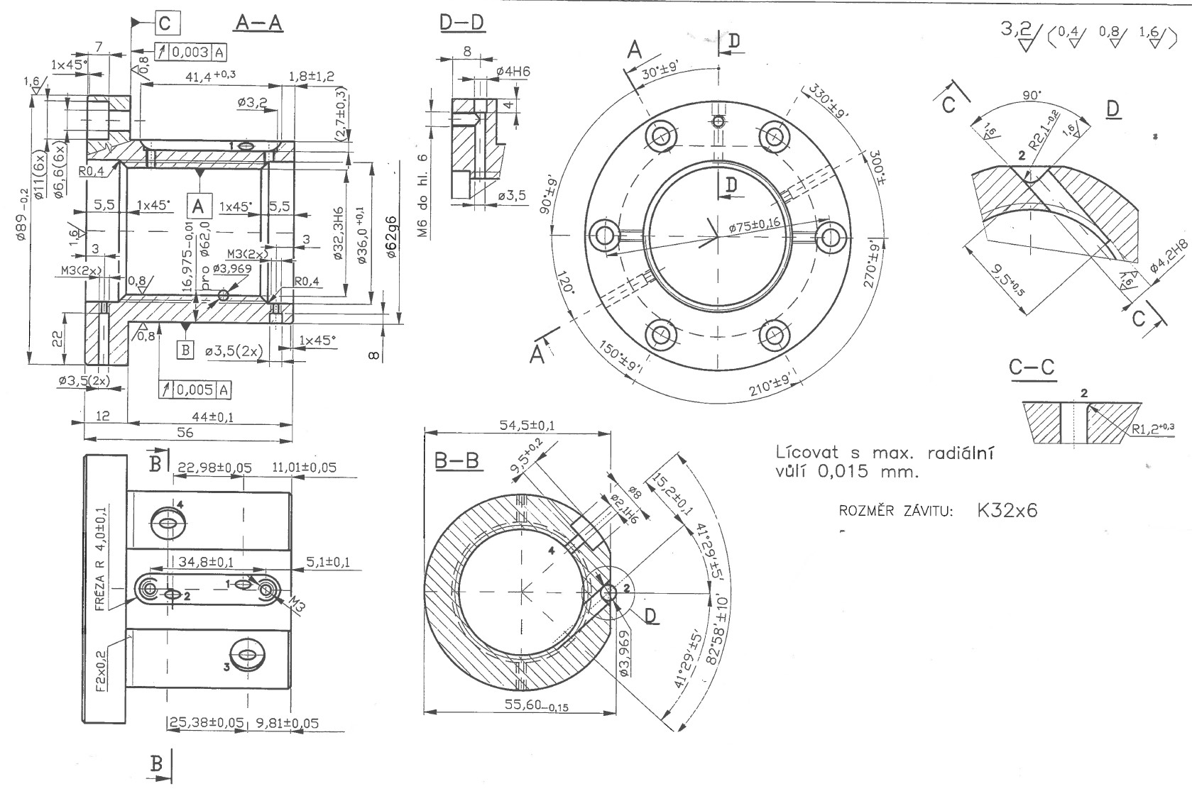
Domek dle výkresu, předpětí lze zvýšit broušenou podložkou
Použitelný zdvih s aktuálním domkem 250mm
1x Kuličkový šroub KSK, přesnost IT3
Ložisko ZKLF 2068-2RS
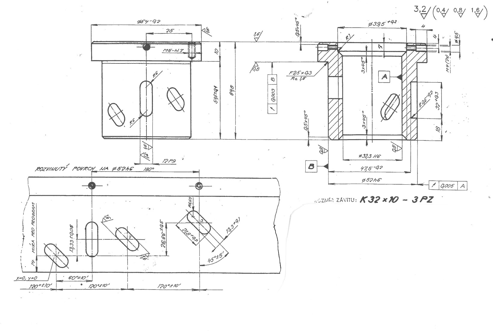
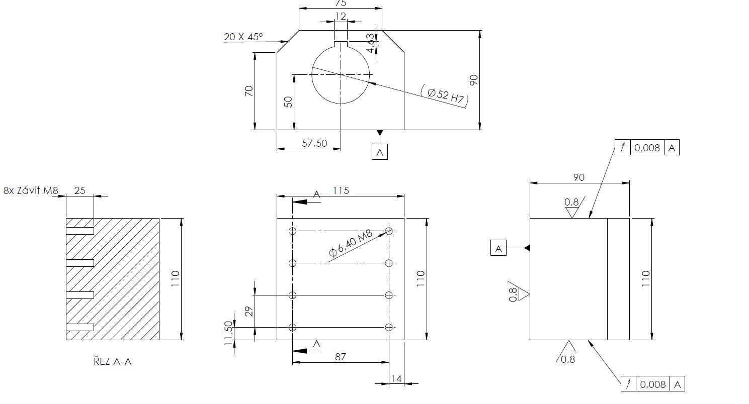
Polotovary pro domky
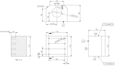
2x 112x60x90mm
4x 110x90x90
Tolerance broušených rozměrů a, b, c - 0,00; + 0,05 mm
Drsnost povrchu ploch Ra 1,6 µm
Rovnoběžnost ploch 0,02/100 mm
Kolmost ploch 0,05/100 mm