Zdravim
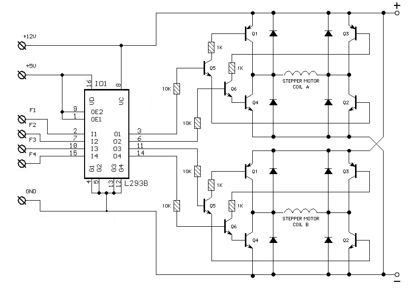
Chcel by som sa spytat, ci by sa tu nenasiel nejaky dobrak ktory by my poskytol schemu na driver pre bipolarny krokovy motor ktory je na 6V a 0,67A.
Nenasiel som nic co by ma zaujalo, a moc sa riadeniu nerozumiem tak by som bol strasne rad keby mi niekdo pomohol
Vopred dakujem
bipolarny driver
pohledej obvod TA8435H stojí okolo stovky a stavba je jednoduchá a podporuje mikrokrok
odkaz : http://maczaka.webz.cz/deskata.htm
odkaz : http://maczaka.webz.cz/deskata.htm
Ahoj
Pocuval by som radu vyssie a urobil elektroniku od maczaka, pripadne z obvodom TB6560 su to komplexne obvody, ktore maju vsetko potrebne v sebe a podporuju mikrokrokovanie(zvysenie poctu krokov na otacku pomocou presneho riadenia prudu cievkami motora) staci pripajat uz len signal krok(STEP) a smer(DIR). To zapojenie co mas navrhnute ma dost vela velkych much a pravdepodobne by bolo nefunkcne.Nepisal ako chces dany motor riadit, pripadne mozes pouzit kombinaciu L278+L298, riadi KM v plnom kroku a polkroku, je to kvalitativne horsie riesenie ako TA8435H alebo TB6560. Existuju aj dalsie obvody ako napr L6208 a milion inych.
s.p. Jukos3
Pocuval by som radu vyssie a urobil elektroniku od maczaka, pripadne z obvodom TB6560 su to komplexne obvody, ktore maju vsetko potrebne v sebe a podporuju mikrokrokovanie(zvysenie poctu krokov na otacku pomocou presneho riadenia prudu cievkami motora) staci pripajat uz len signal krok(STEP) a smer(DIR). To zapojenie co mas navrhnute ma dost vela velkych much a pravdepodobne by bolo nefunkcne.Nepisal ako chces dany motor riadit, pripadne mozes pouzit kombinaciu L278+L298, riadi KM v plnom kroku a polkroku, je to kvalitativne horsie riesenie ako TA8435H alebo TB6560. Existuju aj dalsie obvody ako napr L6208 a milion inych.
s.p. Jukos3
Kazdy raz nejako musel zacat ...
http://robotika.yweb.sk
http://ap.urpi.fei.stuba.sk/sensorwiki/index.php/Kráčajúci_mobilný_robot
http://robotika.yweb.sk
http://ap.urpi.fei.stuba.sk/sensorwiki/index.php/Kráčajúci_mobilný_robot