Magiho výzkumný ústav
zdravim Magi,magi píše:Akce propojení dvou kotelen již druhým týdnem úspěšně pokračuje.
Na poslední fotce je budoucí rozdělovač / sběrač pro hlavní kotelnu.
Krom jiného je již nataženo i zaizolováno cca 80m trubek, odpojen a vystěhován původní kotel na dřevoplyn a vyřezané veškeré rozvody kolem něj.
ten rozvadzac na fotke je len pre vystup z kotla ? Alebo ho mas v strede rozdeleny a lava cast je na vratnu vodu do kotla?
...inak fajn forum, tiez sa chystam prestavat horak kupeny na ebay-i na pouzity olej...
- magi
- Sponzor fora
- Příspěvky: 2741
- Registrován: 16. 10. 2006, 12:40
- Bydliště: Třebíč
- Kontaktovat uživatele:
Zdravím též,zusky píše:zdravim Magi,magi píše:Akce propojení dvou kotelen již druhým týdnem úspěšně pokračuje.
Na poslední fotce je budoucí rozdělovač / sběrač pro hlavní kotelnu.
Krom jiného je již nataženo i zaizolováno cca 80m trubek, odpojen a vystěhován původní kotel na dřevoplyn a vyřezané veškeré rozvody kolem něj.
ten rozvadzac na fotke je len pre vystup z kotla ? Alebo ho mas v strede rozdeleny a lava cast je na vratnu vodu do kotla?
...inak fajn forum, tiez sa chystam prestavat horak kupeny na ebay-i na pouzity olej...
rozdělovač-sběrač, tedy levá půlka jsou vratky a pravá půlka jsou přívody - uprostřed je přepážka.
Ano podobný hořák tady mám taky a přestavba jej teprve čeká.
Dakon DOR je na použití s tlakovým hořákem naprosto nepoužitelný. Je to plecháč - na tak velký žár není stavěný, do půl roku bude propálený a poteče.
Musí to být litinový kotel a úplně nejlíp přímo určený pro hořák. Já používám Viadrus U22 do kterého jsem koupil všechno příslušenství pro tlakový hořák.
Kromě jiného se jedná o spoustu šamotových obložek, které pokud tam nebudou propáli se i litina (info. přímo od výrobce ŽDB).
Pro tyhle hořáky platí ve spojení s horkovodním kotlem několik zásad a ty se musí dodržet. Min. teplota vratné vody, min. teplota spalin, cesta spalin kotlem pouze vzhůru (toto Dakon DOR nesplňuje), nutnost použití 4-cesťáku s pohonem a tak dále.
Tyhle všechny moudra nejsou nijak tajné, vše se dá nastudovat v manuálech pro hořáky na těžké oleje, vše to tu je popsáno.
Pokud se některá z podmínek nedodrží, nebo dodrží jen z části jsou potom obrovské problémy s kvalitou spalin a kouřivostí. U takovéto aplikace je kvalita spalin alfa a omega úspěchu.
Dle úpravy hnojiště poznáme hospodáře, dle výsledu voleb jakýchkoliv duševní úroveň voličů.
Ďakujem za obšírnu odpoveď, samozrejme, všetky fóra so záujmom sledujem, aj sem som sa dostal odkazom z TZB-info...
Čím viac to sledujem a študujem, tým menej sa mi do toho chce... Hlavne preto, že susedia sú veľmi blízko a nerád by som sa s nimi dostal do sporu kvôli spalinám a sadziam... Čo je pri pokusoch s horákmi na použitý olej zrejme častý problém...
Držím palce v ďalšej práci, budem to pozorne sledovať...
Čím viac to sledujem a študujem, tým menej sa mi do toho chce... Hlavne preto, že susedia sú veľmi blízko a nerád by som sa s nimi dostal do sporu kvôli spalinám a sadziam... Čo je pri pokusoch s horákmi na použitý olej zrejme častý problém...
Držím palce v ďalšej práci, budem to pozorne sledovať...
- Ben Ash
- Site Admin
- Příspěvky: 1456
- Registrován: 25. 3. 2009, 8:02
- Bydliště: Vladislav
- Kontaktovat uživatele:
Pokud máš nebezpečný sousedy tak je potřeba zadokumentovat jejich zatápění tuhými palivy a pak se nechlubit v hospodě
Onoo pokud budeš někde viditelně skladovat dvacet sudů oleje, taky to někomu může být nápadný.
Per aspera ad astra
Susedia z obidvoch strán idú na plyn... Ale ani moja drahá by ma nepochválila, keby na prádle našla mastné olejové sadze...
Zatiaľ idem na plyn, zapojím si ten svoj zdedený starý Dakon na akumulačku, popálim nejaký drevený odpad, čo mám z rekonštrukcie domu a keď Dakon doslúži, porozmýšľam čo ďalej... Ale najviac sa mi páči ten nápad so stabilákom krmeným rastlinným olejom a prebytok EE dodávať do siete...
Zase je tu otázka hluku...
Zatiaľ idem na plyn, zapojím si ten svoj zdedený starý Dakon na akumulačku, popálim nejaký drevený odpad, čo mám z rekonštrukcie domu a keď Dakon doslúži, porozmýšľam čo ďalej... Ale najviac sa mi páči ten nápad so stabilákom krmeným rastlinným olejom a prebytok EE dodávať do siete...
Zase je tu otázka hluku...
- Ben Ash
- Site Admin
- Příspěvky: 1456
- Registrován: 25. 3. 2009, 8:02
- Bydliště: Vladislav
- Kontaktovat uživatele:
No u Vás na slovensku (předpokládám) je situace aktuálně zřejmě zcela jiná než tady. Jady bez výpalného úřadům nejde udělat už zhola nic. U Vás je situaci ohledně dodávky energie do sítě jiná. Ovšem pokud nemáš zdroj tuku a motor s velmi dobrou účiností, tak to vcelku ekonomicky nevychází. Hluk je opravdu to skoro poslední čím se zabývat (položíš na silentbloky, zavřeš do bedny s pěnou, stejně jako jiné kogenerace)
Per aspera ad astra
- magi
- Sponzor fora
- Příspěvky: 2741
- Registrován: 16. 10. 2006, 12:40
- Bydliště: Třebíč
- Kontaktovat uživatele:
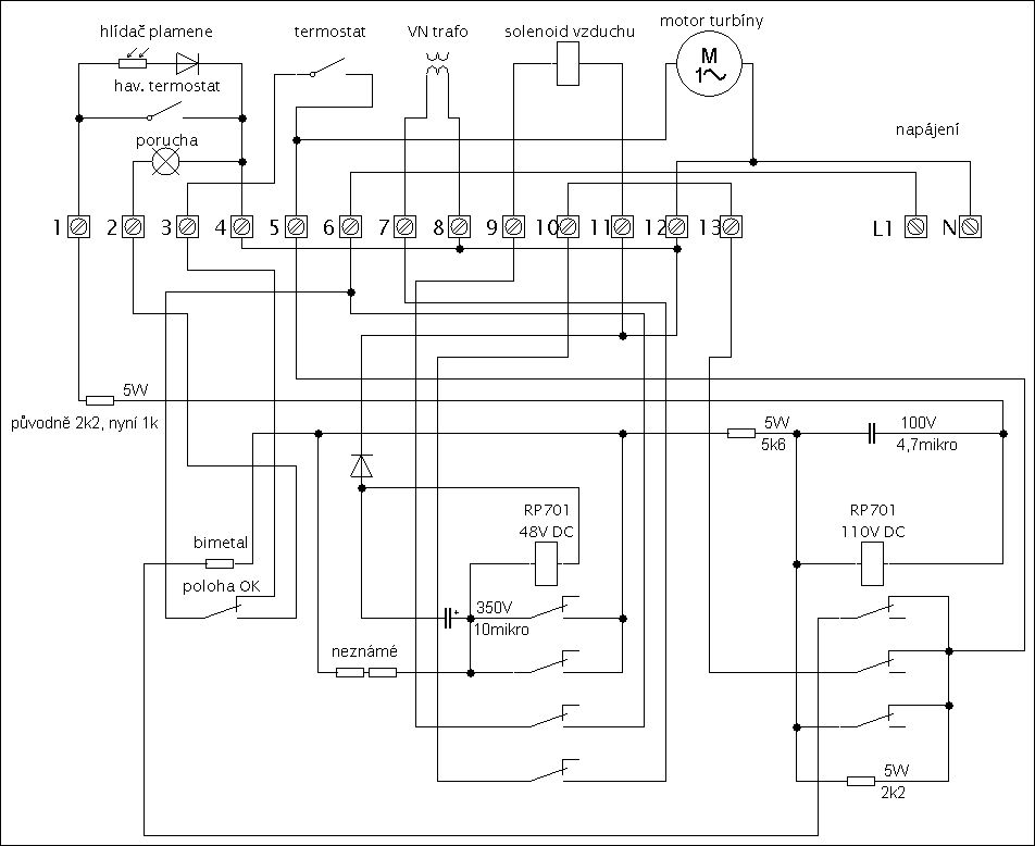
Mistři elektronici, zkuste se zamyslet nad tímto schématem. Je to překreslená hořáková automatika, kterou je vybaven můj hořák.
Doufám že jsem ji překreslil správně a nikde nic nespletl.
Potřebuju aby hlídání plamene bylo trošku citlivější, tzn. aby reagovalo na menší intenzitu světla od plamene než doposud.
Naftový plamen má totiž větší svítivost než VTO a mám trošku problémy se starty. Plamen lze víc rozsvítit obohacením směsi, ale pak jsou moc špatné spaliny.
Není to nic složitého, dvě relátka, pár odporů, dva kondíky a bimetalový zpoždovač na výpadek do poruchy. Jako fotoodpor je použit starodávný fotoodpor zatavený ve skleněné baňce, připomínající elektronku. Vše je originál.
Zatím jsem zkoušel změnit hodnotu jednoho odporu (místo 2k2 na 1k) ale celkem bez úspěchu. Cívka relátka, které přitáhne po zjištění plamene je na 110 DC a při běžném provozu do něj jde okolo 30-40V DC. Na přitažení je třeba 40-50V, pak spolehlivě přitahuje.
Co změnit aby se mez citlivosti na plamen posunula o kousek níže (patrně aby do relátka šlo větší napětí)?
Doufám že jsem ji překreslil správně a nikde nic nespletl.
Potřebuju aby hlídání plamene bylo trošku citlivější, tzn. aby reagovalo na menší intenzitu světla od plamene než doposud.
Naftový plamen má totiž větší svítivost než VTO a mám trošku problémy se starty. Plamen lze víc rozsvítit obohacením směsi, ale pak jsou moc špatné spaliny.
Není to nic složitého, dvě relátka, pár odporů, dva kondíky a bimetalový zpoždovač na výpadek do poruchy. Jako fotoodpor je použit starodávný fotoodpor zatavený ve skleněné baňce, připomínající elektronku. Vše je originál.
Zatím jsem zkoušel změnit hodnotu jednoho odporu (místo 2k2 na 1k) ale celkem bez úspěchu. Cívka relátka, které přitáhne po zjištění plamene je na 110 DC a při běžném provozu do něj jde okolo 30-40V DC. Na přitažení je třeba 40-50V, pak spolehlivě přitahuje.
Co změnit aby se mez citlivosti na plamen posunula o kousek níže (patrně aby do relátka šlo větší napětí)?
Dle úpravy hnojiště poznáme hospodáře, dle výsledu voleb jakýchkoliv duševní úroveň voličů.
Chtělo by zjistit ještě odpor relátka.
Odpor 2k2 bych neměnil a zkusil dát odpor paralelně k fotoodporu (např. 10k-20k)
doplněno
Když dáš odpor moc malý tak ti relátko při zhasnutí plamene neodpadne!
Lepší by bylo dát citlivější fotoodpor nebo dva stejné paralelně
Odpor 2k2 bych neměnil a zkusil dát odpor paralelně k fotoodporu (např. 10k-20k)
doplněno
Když dáš odpor moc malý tak ti relátko při zhasnutí plamene neodpadne!
Lepší by bylo dát citlivější fotoodpor nebo dva stejné paralelně
Naposledy upravil(a) picom dne 21. 11. 2012, 5:48, celkem upraveno 1 x.
Myslím si, že lepšie bude ak pridáš odpor paralelne k snímaču plameňa... Skús ho zmerať, ideálne by bolo počas prevádzky horáka ale musel by si ho odpojiť a zablokovať relátko aby Ti to nezhaslo... A k tej hodnote ktorú nameriaš vybrať odpor tak aby bol celkový odpor pri paralelnom zapojení cca o 10% menší, prípadne tam dať nejaký potenciometer (vhodne dimenzovaný, zrejme cez to bude tiecť dosť veľký prúd, takže aspoň 2-5W) a nastaviť správnu hodnotu.
Ak som dobre pochopil z Tvojich príspevkov, s elektrikou nemáš problém, tak vzorcom na paralelné radenie odporov Ťa nebudem urážať
P.S. Picom ma predbehol, kým som nakreslil obrázok
P.S.S. Samozrejme to potom poriadne odskúšať, bol by asi prúser, keby po zhasnutí plameňa to relátko neodpadlo
Ak som dobre pochopil z Tvojich príspevkov, s elektrikou nemáš problém, tak vzorcom na paralelné radenie odporov Ťa nebudem urážať
P.S. Picom ma predbehol, kým som nakreslil obrázok
P.S.S. Samozrejme to potom poriadne odskúšať, bol by asi prúser, keby po zhasnutí plameňa to relátko neodpadlo
- Přílohy
-
- schema automatiky detail.jpg (6.17 KiB) Zobrazeno 7707 x
Pravdepodobne mas chybu v obkreslovani:
u 48VCD rele - cesta pres kontakty rele a nezname odpory je podle schematu zkratovana...
u 2k2 vlevo dole - nejak se mi to nezda, mozna je spatne spodni kontakt rele?
Take dioda kreslena u hlidace plamene je pravdepodobne spolecna i pro havarijni termostat (je v serii s civkou rele)
Ale je mozne, ze jen spatne koukam ...
S variantou pridat odpor paralelne k fotoodporu bych byl opatrny - mohlo by se stat, ze pridany odpor udrzi 120V rele pritazene, i kdyz plamen zhasne.
u 48VCD rele - cesta pres kontakty rele a nezname odpory je podle schematu zkratovana...
u 2k2 vlevo dole - nejak se mi to nezda, mozna je spatne spodni kontakt rele?
Take dioda kreslena u hlidace plamene je pravdepodobne spolecna i pro havarijni termostat (je v serii s civkou rele)
Ale je mozne, ze jen spatne koukam ...
S variantou pridat odpor paralelne k fotoodporu bych byl opatrny - mohlo by se stat, ze pridany odpor udrzi 120V rele pritazene, i kdyz plamen zhasne.
a co zvednout napájecí napětí ze 120 na třeba 150V
pak by tím relé při stejném osvětlení, tj odporu toho fotoodporu protékal větší proud a dřív by to seplo
všechny úpravy tohoto typu ale posunou práh spínání o dejme tomu 20 %, spíš je ale třeba několikanásobek, to už by asi chtělo něco aktivního
pak by tím relé při stejném osvětlení, tj odporu toho fotoodporu protékal větší proud a dřív by to seplo
všechny úpravy tohoto typu ale posunou práh spínání o dejme tomu 20 %, spíš je ale třeba několikanásobek, to už by asi chtělo něco aktivního
Obvykle se dějí věci obvyklé. Méně často se dějí věci neobvyklé a zcela vyjímečně se dějí věci vyjímečné...
Masturn 40 CNC, Hermle UWF1200H CNC a pár klasik
http://www.radialengine.cz" onclick="window.open(this.href);return false;
http://www.autopejsek.cz" onclick="window.open(this.href);return false;
Masturn 40 CNC, Hermle UWF1200H CNC a pár klasik
http://www.radialengine.cz" onclick="window.open(this.href);return false;
http://www.autopejsek.cz" onclick="window.open(this.href);return false;
Paralelni odpor k fotoodporu je skoro to stejne jako snizeni hodnoty odporu, co uz jsi udelal. Podle me budes mit zasadni problem ani ne tak s hranici pro sepnuti, ale s hranici pro vypnuti, zkus jeste zmerit to rele pri jakem napeti odpadne, kdyz uz bylo pritazene, pripadne muzes zvysovat postupne napeti a zkusit tomu rele pomoct zvenci, nejmensi napeti pri kterem po rucnim vybaveni zustane sepnute je podle me dost zasadni hodnota.
Pak bys mohl zkusit jeste namotat par zavitu na civku rele a budit ji bokem nejakym konstantnim proudem taky pres diodu a timhle pridavnym napetim bys sis posouval moment od ktereho rele bude spolehlive spinat, jen bys nesmel prekrocit hodnotu, aby nezustalo sepnute.
Pak bys mohl zkusit jeste namotat par zavitu na civku rele a budit ji bokem nejakym konstantnim proudem taky pres diodu a timhle pridavnym napetim bys sis posouval moment od ktereho rele bude spolehlive spinat, jen bys nesmel prekrocit hodnotu, aby nezustalo sepnute.
magi píše:Mistři elektronici, zkuste se zamyslet nad tímto schématem. Je to překreslená hořáková automatika, kterou je vybaven můj hořák.
Doufám že jsem ji překreslil správně a nikde nic nespletl.
Potřebuju aby hlídání plamene bylo trošku citlivější, tzn. aby reagovalo na menší intenzitu světla od plamene než doposud.
Naftový plamen má totiž větší svítivost než VTO a mám trošku problémy se starty. Plamen lze víc rozsvítit obohacením směsi, ale pak jsou moc špatné spaliny.
Není to nic složitého, dvě relátka, pár odporů, dva kondíky a bimetalový zpoždovač na výpadek do poruchy. Jako fotoodpor je použit starodávný fotoodpor zatavený ve skleněné baňce, připomínající elektronku. Vše je originál.
Zatím jsem zkoušel změnit hodnotu jednoho odporu (místo 2k2 na 1k) ale celkem bez úspěchu. Cívka relátka, které přitáhne po zjištění plamene je na 110 DC a při běžném provozu do něj jde okolo 30-40V DC. Na přitažení je třeba 40-50V, pak spolehlivě přitahuje.
Co změnit aby se mez citlivosti na plamen posunula o kousek níže (patrně aby do relátka šlo větší napětí)?
Problém bude pravděpodobně se spektrální citlivostí fotoodporu na barvu a teplotu plamene
Chtělo by to najít katalogobý list a pak rozhodnout co měnit a jak...třeba právě ten fotoodpor za jiný s jinou charakteristickou citlivostí nebo zesílit signál a tím si posunout citlivost..měl by na to stačit dvoutranzistorový zesilovač aby se nemuselo dávat dvojité napájení pokud by se použil integrovaný obvod (i když i tento jde napájet z jednoho zdroje)..obávám se však že pak je to celé zralé překonstruovat...
Chtělo by to najít katalogobý list a pak rozhodnout co měnit a jak...třeba právě ten fotoodpor za jiný s jinou charakteristickou citlivostí nebo zesílit signál a tím si posunout citlivost..měl by na to stačit dvoutranzistorový zesilovač aby se nemuselo dávat dvojité napájení pokud by se použil integrovaný obvod (i když i tento jde napájet z jednoho zdroje)..obávám se však že pak je to celé zralé překonstruovat...