nástrojová bruska-začínám kutit

Odpovědět
ovi-ivo
Příspěvky: 1281
Registrován: 12. 4. 2015, 9:41
Bydliště: kůsek od Hodonína

14. 5. 2018, 8:44

No mě by teď zajímalo co sem nenašel nikde to je ta nejdebilnější otázka na světě:
"jak rozeznam cbn od dimantu?"
u cbn bude vyraženo kouzelné slovíčko "cbn"??????

to sů kotůče co mám a myslím že ani jeden není cbn:
IMG_20180514_182751.jpg
IMG_20180514_182814.jpg
IMG_20180514_182829.jpg
IMG_20180514_182855.jpg
IMG_20180514_183009.jpg
IMG_20180514_183014.jpg
IMG_20180514_183315.jpg
IMG_20180514_211837.jpg
IMG_20180514_184714.jpg
IMG_20180514_184702.jpg
tento je dokonce neoznačený!
tento je dokonce neoznačený!
ovi-ivo
Příspěvky: 1281
Registrován: 12. 4. 2015, 9:41
Bydliště: kůsek od Hodonína

14. 5. 2018, 8:54

Na ebay mi vyskočilo toto:
https://www.ebay.com/sch/i.html?_from=R ... n&_sacat=0" onclick="window.open(this.href);return false;

Máte někdo skušenosti s cbn z číny?
peter1
Příspěvky: 634
Registrován: 24. 4. 2010, 8:00
Bydliště: vychodne slovensko

14. 5. 2018, 8:59

http://www.urdiamant.cz/wpimages/other/doc2/BK.pdf" onclick="window.open(this.href);return false;
sustruh sv18 ,vrtačka
peter1
Příspěvky: 634
Registrován: 24. 4. 2010, 8:00
Bydliště: vychodne slovensko

19. 5. 2018, 12:24

ovi-ivo píše:No mě by teď zajímalo co sem nenašel nikde to je ta nejdebilnější otázka na světě:
"jak rozeznam cbn od dimantu?"
u cbn bude vyraženo kouzelné slovíčko "cbn"??????

to sů kotůče co mám a myslím že ani jeden není cbn:
IMG_20180514_182751.jpg
IMG_20180514_182814.jpg
IMG_20180514_182829.jpg
IMG_20180514_182855.jpg
IMG_20180514_183009.jpg
IMG_20180514_183014.jpg
IMG_20180514_183315.jpg
IMG_20180514_211837.jpg
IMG_20180514_184714.jpg
IMG_20180514_184702.jpg
IMG_20180514_183725.jpg
na strane 20 v tom katalogu URDIAMANT si pozri diamant ma značku velke pismeno D a cbn kotuče pismeno B
Ale na tych mojich diamantoch čo mam všade je to B -čko a brusim stym tvrdokov tak neviem teraz kde je chyba
sustruh sv18 ,vrtačka
r4cv
Příspěvky: 2901
Registrován: 8. 12. 2009, 8:32
Bydliště: Topoľčany

19. 5. 2018, 12:54

B-VI a B-VII je pojivo, tab na strane 7(8).
ovi-ivo
Příspěvky: 1281
Registrován: 12. 4. 2015, 9:41
Bydliště: kůsek od Hodonína

21. 5. 2018, 10:28

Ahoj,
myslím že označení je dost dobře shrnuté na zmiňované stránce 20
str20.jpg


pokud chci si vybrat zrnitost podle účelu použitítak str 8.
STR8.jpg
porovnání označení zrnitostí:
STR7.jpg
pojivo- (neplést s označením "B" pro značení CBN kotoučů):
STR7B.jpg
U mě je to jistý já mám všecky diamantový na tvrdokov, sem si to teď projížděl podle katalogu.

Takže kotouče mám vyřešený, myslím že časem zkusím nějaký CBN z ebay.
ovi-ivo
Příspěvky: 1281
Registrován: 12. 4. 2015, 9:41
Bydliště: kůsek od Hodonína

21. 5. 2018, 10:30

Teď bych potřeboval poradit:

Čím prohloubit nebo čím prohlubujete středící důlek do nástroje??
ovi-ivo
Příspěvky: 1281
Registrován: 12. 4. 2015, 9:41
Bydliště: kůsek od Hodonína

17. 9. 2018, 8:15

Tak opět obnovuji toto vlákno kvůli bn 102 b

potřeboval bych poradit:
něco je tady: viewtopic.php?f=23&t=16738&hilit=hydrai ... vou+brusku ale nejsou tam odpovědi pro mě.

mám na brusce hydrauliku i ovládací panel, ale jednotku nemám, v prvém případě bych chtěl poprosit majitele originální jednotky kdyby byli tak laskavý a poslali mě detailní fotky jednotky a pokud tam jsou i nějaký štítky tak i všechny štítky vyfotit, no a fotku z které je patrné, která hadica kam vede.

sem hydraulicky nepolíbený a tak se nedivte když se ptám: "Jakýma hadicama se to spojuje?"
na té jednostce se i šteluje nějaký výstupní tlak?

jde použít jakákoliv hydraulická jednotka co seženu?
co na té originální vlastně je za komponenty - kdybych to chtěl postavit


jo a dají se někde sehnat ty zástrčky na příslušenství?
popřípadě jak to řešíte?



předem dík
aleshonsa
Příspěvky: 2956
Registrován: 30. 8. 2011, 3:18
Bydliště: Praha

17. 9. 2018, 1:41

Tlak se reguluje na jednotce. Stavět jí nemá cenu, protože se dá sehnat. Já koupil v podstatě novou k nějaké bulharské brusce za 4 000,-. V podstatě je to jen nádrž, v ní sací koš, čerpadlo s motorem, regulace tlaku a hrdlo pro zpětný přívod.
Spíš dávej pozor, aby to byla jednotka k brusce. Jednak by tím vše co má už měla mít. Pak jde o to, že brusky mají maximální tlak 1MPa a provozní je o dost nižší (v manuálu k BN102 to je jaký je tlak a průtok). Kdybys koupil jednotku k nějakému stroji, co dává třeba 20MPa tak to bude zbytečně drahé a pak je taky otázka jestli by šel tlak tolik zredukovat.
Hadice jsou speciální hydraulické. Spíš jde o to, co je tam konkrétně za šroubení.
S pozdravem
Ing. Aleš Honsa
ovi-ivo
Příspěvky: 1281
Registrován: 12. 4. 2015, 9:41
Bydliště: kůsek od Hodonína

18. 9. 2018, 8:12

Dík za info,
Hadice snad řešit nemusím , myslel sem že sů ustřihlý a jsou komplet dokonce konce zabaleny v igelitu takže pokud nebudu ztyřený tak je nechám. Mě by se možná zamlouvala varianta jednotky silnější a zredukovat...do budoucna když budu vyrábět lis tak by se použila hlavně tam a dvakrát do roka by šla na nástrojovku.

K těm hadicím: jsou tam k připojení na hydr. jednotku dvě tlakové a jedna úplně obyčejná průsvitná tou se asi vrací olej zpět do nádrže.

šroubení bych zatím asi neřešil, je tu obchod s hydraulickým sortimentem a mají i přechodky.
ovi-ivo
Příspěvky: 1281
Registrován: 12. 4. 2015, 9:41
Bydliště: kůsek od Hodonína

19. 10. 2018, 9:29

Další info ohledně hydrauliky na bn 102b:

originální jednotka je IHA 2
taková haluz koupil sem od suseda nejaků hydraulicků jednotku a ona to je IHA 2 :D :D :D
teď ju dávám dohromady, ješte jí dám lak _až do ní naleju olej tak už musí jen sloužit.

Nemáte někdo info ktéto jednotce?


internet o této jednotce mlčí nebo špatně hledám a kdybyste našli i něco o IHA 3 byl bych též vděčný.

jak ji dám do kupy tak sem dám taky fotos.

tady je co sem našel já v nanuálu bn 102b:
1.jpg
2.jpg
3.jpg
jak se menuje jednotka.jpg
obr jednotky.jpg
převod jednotek tlaku.jpg
.jpg
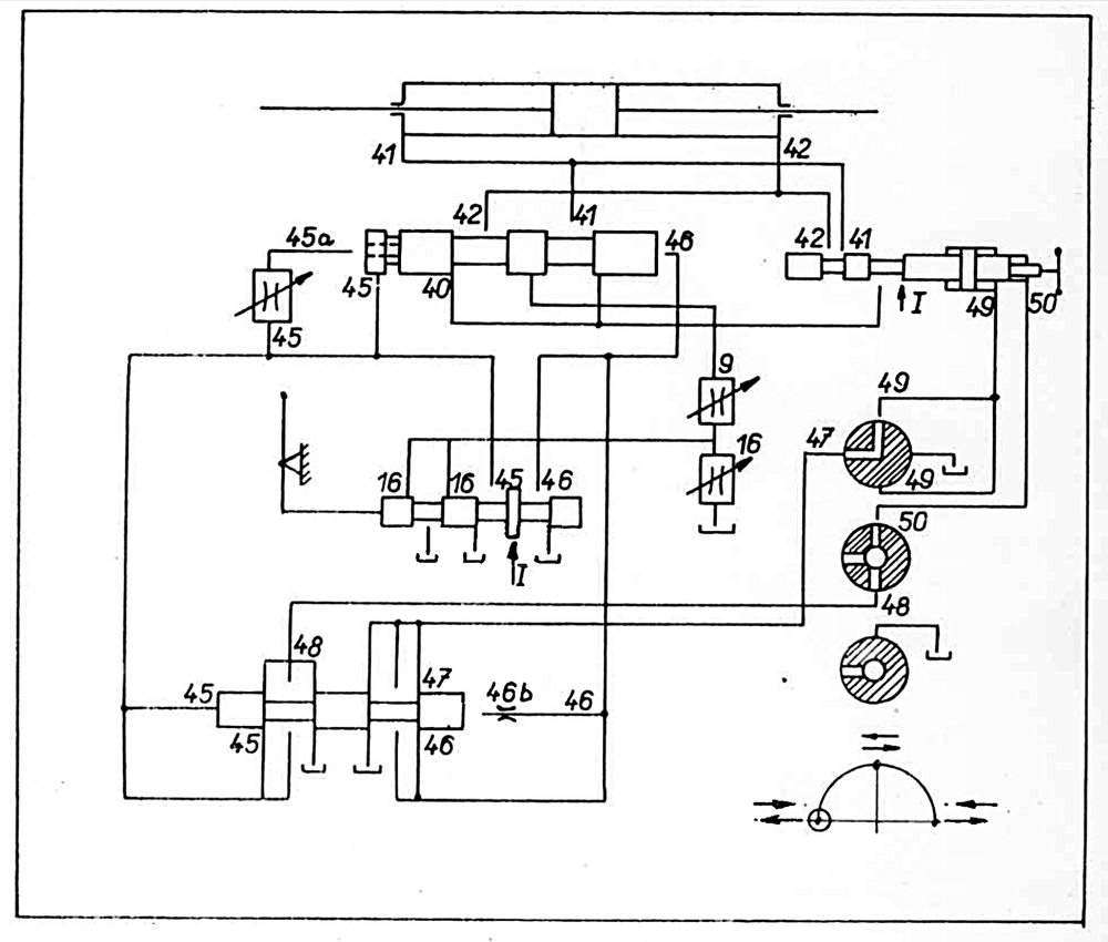
schéma hydr. okruhu.jpg
tento nákres mě docela mate iha 2  vypadá jinak podle obrázků
tento nákres mě docela mate iha 2 vypadá jinak podle obrázků
milan584
Příspěvky: 2127
Registrován: 12. 5. 2009, 2:17
Bydliště: na jihu

19. 10. 2018, 2:48

podle mě to zcela zbytečně hrotíš - unikají ti předlistopadové souvislosti.
V prvé řadě - to že ten agregát na té fotce a na tom půdorysu vypadá jinak je pouze obraz tehdejší doby - a mj. je to stejně (v tomto případě) celkem šuma fuck.
Protože: agregáty v té době byly většinou český (z Vrchlabí) a nebo Bulharský., tu a tam ruský. Motory v tom byly, jaký zrovna soudruzi měli. Hydraulické prvky - to samý - každý pes, jiná ves, fce plus mínus stejná.
Důležité bylo to, že to mělo nějakou dodávku, správný počet okruhů (zapojení) a velikost elektromotoru.
Takže klidně můžeš mít bulharský agregát s motorem z Mezu, český s motorem z NDR nebo i PLR :mrgreen: :roll: - prostě cokoli. Vypadá různě, funguje stejně.
Viz třeba https://podnikani-finance.hyperinzerce. ... a-liberec/ - zrovna tady máš agregát bulhar, motor jasně český.
------------
Takže si na tom agregátu najdi výstup (je na kostce, za tím ventilem maximálního tlaku) - tam připoj tu správnou hadici do tý brusky. Větev zpátky do agregátu je pouze "díra" do bedny - buď přes kostku a nebo rovnou - prostě tam nic není. Tam teda píchni tu hadici zpět.
A pokud má ten rozvaděč v brusce lekáž, tak ta vede taky přímo do bedny - takže obvykle tam nic není (holendr) - takže se pouze udělá díra do víka (ala třeba BUA16) a tam se vrazí ta hadička lekáže.
Pak se to celý naplní, zapne, pustí manometr (bývá tam zavírací ventilek aby za provozu se zbytečně nekuxxxx manometr) a nastaví se ventilem max. tlaku při nulovém odběru to, kolik to má mít výstupní tlak.
Dopředu upozorňuji, že pro tu zubačku není příliš léčivý běh na druhou :roll: stranu - takže poprvé jenom zkusit (ťuknout), motor se MUSÍ točit podle šipky.
Tím to končí - no rocket science - hlavně ne přístup jako ve vlákně typu "v čem je rozdíl mezi krokáčem a servem :roll: ).
milan584
Příspěvky: 2127
Registrován: 12. 5. 2009, 2:17
Bydliště: na jihu

19. 10. 2018, 3:34

btw, koukám do papírů - v roce 89 byly ty agregáty psaný jako TST Rakovník - ne Vrchlabí.
Přičemž na HA (stavebnice), SA (stavebnice) a PA (opět stavebnice) bych měl mít složku - ale zajímalo by mě, k čemu ti to bude, když to byly stavebnice - každý si objednal co potřeboval - a oni mu to podle toho jeho kódu poskládali - výsledných typů asi tak miliarda.
ovi-ivo
Příspěvky: 1281
Registrován: 12. 4. 2015, 9:41
Bydliště: kůsek od Hodonína

20. 10. 2018, 8:53

Já to sem hlavně píšu, aby někdo kdo to bude dávat dohromady si mohl najit jakési info a nemusel jak blbec (jako já :lol: ) všechno hledat a pídit se.
Popřípadě když někdo si ji chce sestavit, aby věděl nějaký parametry podle, kerých se v začátku može odpichnůt,

Dík za odpověď, takový souvislosti já mět nemožu, sem chodil na základku když padli soudruzi.

jen se zeptám není mi jasné co je "lekáž"?

já myslel, že iha byl normovaný typ jednotky,
že to byla stavebnice tak to mě vůbec nenapadlo.

Kdybys ten prospekt o těch stavebnicích našel mohl poslat, by mě to zase rozšířilo obzor.

Jinak ještě doplním, že ta moje jednotka IHA 2 má zubové čerpadlo " JHZJa 8" a nádrž na 40l oleje , IHA 3 má zubové čerpadlo JHZJa 16
Našel sem tabulku kde jsou čerpadla JHZJ bez "a" včetně náhrady za toto čerpadlo.

Nevíte co to "a" znamená?????
cerpadla_jhzj.jpg
testone
Sponzor fora
Příspěvky: 7474
Registrován: 3. 12. 2010, 5:56
Bydliště: Slaný

20. 10. 2018, 12:40

docela bych si tipnul, že "lekáž" je z anglického "leak", tedy unikat, prosakovat
bude to tedy odvedení nějakých průsaků zpět do nádrže
např. u BPH 20 je to řešeno prostým skapáváním ze spodku rozvaděčů do nádrže pod nimi
ale nejsem hydraulikář, je to jen tip
Obvykle se dějí věci obvyklé. Méně často se dějí věci neobvyklé a zcela vyjímečně se dějí věci vyjímečné...
Masturn 40 CNC, Hermle UWF1200H CNC a pár klasik
http://www.radialengine.cz" onclick="window.open(this.href);return false;
http://www.autopejsek.cz" onclick="window.open(this.href);return false;
Odpovědět

Zpět na „Jiné stroje - vrtačky, brusky, pily atd.“