Nožová hlava rychlo upinací, Jake řešení ?

sergio
Příspěvky: 157
Registrován: 8. 4. 2013, 3:36

24. 2. 2015, 12:12

Tak už jsem doma, Jsem rád že jsem to dal sem na foru protože jsem si nevšiml že už v puvodních výkresy ze kterých jsem čerpal (kopíroval) má červená kostka dno. HLUBOCE SE OMLOUVÁM ZA ZBYTEČNÉ VLÁKNO O NIČEM. Z výkresu jsme si nevšiml že otvor v červené kostce není pruchozí. Proto mi to celou dobu vrtalo hlavou jak to muže fungovat. Proto vzniklo tolik nejasností. Celou tu dobu jsem se dovnival že puvodní originální řešení nemá dno v červené kostce. Takže hluboká omluva. Hold chybama se člověk učí a děkuji za otevření očí. Jediné co jsem ,,vymyslel,, bylo vymyšleno jen jsem to špatně pochopil výkres. Takže pro jistotu, je tedy správně že řervená kostka měla to dno už od začátku ? Děkuji
Uživatelský avatar
salus
Příspěvky: 1528
Registrován: 1. 9. 2013, 1:30
Bydliště: Chrudimsko

24. 2. 2015, 12:21

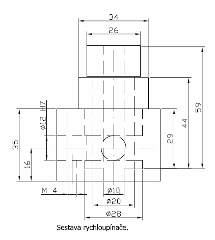
No ono v těch původních výkresech které jsou v PDF formátu, kde nejsou zobrazeny tloušťky čar a není tam ani žádné šrafování je zpočátku trochu problematické se vyznat.Zejména tato část výkresu je celkem nepřehledná
Image_00188.JPG
Soustruh: S-28 Žebrák
Stolní vrtačka: TOS V10A
Pásová pila: G5013W/400
petr.bk
Příspěvky: 25
Registrován: 13. 10. 2014, 12:13

3. 3. 2015, 8:51

Z jakého materiálu to budeš dělat?
sergio
Příspěvky: 157
Registrován: 8. 4. 2013, 3:36

3. 3. 2015, 10:17

Pravděpodobně co bude doma, Na to tělo držáku bych asi nejraději použil nějakou běžně dostuopnou a obrobitelnou ocel a na njednotlivíé držáky bud zase nějakou běžnou ocel, nebo litinu a možná i mosaz ( jak jsem viděl v originálním návrhu), ale nevím, nemám zkušenosti a ted mě spíš trápí jak vyrobit to rybinové vedení. mám jen soustruh, možná zkusím udělat nějaký frézovací přípravek na soustruh a nebo to nechám u někoho udělat, ale to se už pak vytrácí to prové hobby kdy by to bylo udělané 10xrychleji, 4x levnějí a 2x kvalitněji než šudláním doma na něčem co na to není ani dělané :lol:
Borin
Příspěvky: 662
Registrován: 4. 6. 2011, 7:40
Bydliště: Poblíž Hradce Králové
Kontaktovat uživatele:

4. 3. 2015, 6:24

Mosaz bych nedával, ta se ti vymačká a taky cenově to nebude žádná láce...
Soustruh SV18R, Magdeburg (Poreba TR45), Frézka FH24, Vrtačka V20A, V10, Šeping noname...
petr.bk
Příspěvky: 25
Registrován: 13. 10. 2014, 12:13

6. 3. 2015, 10:15

Ptám se k vůli tomu, že to hodlám udělat z litiny (Unibar 250). Zdá se mě to cenově nejvýhodnější. Mám ale strach z její křehkosti.
RaS
Příspěvky: 8773
Registrován: 26. 3. 2009, 9:12
Bydliště: Úvaly

6. 3. 2015, 11:31

když to uděláš z nějaký 12050ky tak tě to vyjde levněji, proženeš to kalírnou za pár stovek zušlechtíš a máš to a nemusíš se bát že ti to praskne..
věčný rýpal,který musí mít poslední slovo, odpůrce low-cost zařízení končících v naprosté většině případů v hromadě šrotu
uživatelé hýbátek, kteří mají z mých příspěvků celoživotní trauma nechť si mé příspěvky VYPNOU
testone
Sponzor fora
Příspěvky: 7490
Registrován: 3. 12. 2010, 5:56
Bydliště: Slaný

6. 3. 2015, 11:37

petr.bk píše:Ptám se k vůli tomu, že to hodlám udělat z litiny (Unibar 250). Zdá se mě to cenově nejvýhodnější. Mám ale strach z její křehkosti.
kontilitina stojí cca 50,-/kg a výš, 12050 cca 25,-/kg
Obvykle se dějí věci obvyklé. Méně často se dějí věci neobvyklé a zcela vyjímečně se dějí věci vyjímečné...
Masturn 40 CNC, Hermle UWF1200H CNC a pár klasik
http://www.radialengine.cz" onclick="window.open(this.href);return false;
http://www.autopejsek.cz" onclick="window.open(this.href);return false;
RaS
Příspěvky: 8773
Registrován: 26. 3. 2009, 9:12
Bydliště: Úvaly

6. 3. 2015, 11:56

a hlavně kontilitinu musíš do Berouna a 12050 maj skoro všude
věčný rýpal,který musí mít poslední slovo, odpůrce low-cost zařízení končících v naprosté většině případů v hromadě šrotu
uživatelé hýbátek, kteří mají z mých příspěvků celoživotní trauma nechť si mé příspěvky VYPNOU
petr.bk
Příspěvky: 25
Registrován: 13. 10. 2014, 12:13

8. 3. 2015, 9:37

testone píše:
petr.bk píše:Ptám se k vůli tomu, že to hodlám udělat z litiny (Unibar 250). Zdá se mě to cenově nejvýhodnější. Mám ale strach z její křehkosti.
kontilitina stojí cca 50,-/kg a výš, 12050 cca 25,-/kg
Původně na plánku používal autor na držáky nožů mosaz. No a ta je podstatně dražší než litina. Je otázkou jestli teda není lepší udělat vše s oceli. Vlastní držák pak zakalit.
Miltech
Sponzor fora
Příspěvky: 555
Registrován: 25. 10. 2009, 7:59
Bydliště: Kostelec na Hane

8. 3. 2015, 10:10

Autor původního návrhu používal frézovací přípravek na soustruh a tady bylo určitě na prvním místě snazší frézování mosazi než železa. Pokud máš dobrou frézku a koukáš také na finance, tak 12050 je asi na prvním místě. Kontilitina se zase dobře obrábí stejně jako mosaz, ale je to dražší.
petr.bk
Příspěvky: 25
Registrován: 13. 10. 2014, 12:13

8. 3. 2015, 10:32

Miltech píše:Autor původního návrhu používal frézovací přípravek na soustruh a tady bylo určitě na prvním místě snazší frézování mosazi než železa. Pokud máš dobrou frézku a koukáš také na finance, tak 12050 je asi na prvním místě. Kontilitina se zase dobře obrábí stejně jako mosaz, ale je to dražší.
Ještě musím zjistit v Brně kde mají 12050 a prodají mě jenom kousek.
Tady kupuji materiál a 12050 zde mají jen málo rozměrů . https://shop.feromat.cz/index.php" onclick="window.open(this.href);return false;
Vena
Příspěvky: 73
Registrován: 29. 11. 2012, 5:35

27. 3. 2015, 1:27

Co říkate na tento systém:
http://www.practicalmachinist.com/vb/so ... st-200925/" onclick="window.open(this.href);return false;

Mě se docela líbí hlavně ta jednoduchost výroby. Tuhé to bude taky asi dost.
Uživatelský avatar
Thomeeque
Příspěvky: 9489
Registrován: 30. 1. 2012, 10:20
Bydliště: Mimo ČR

27. 3. 2015, 1:48

Vena píše:Co říkate na tento systém:
http://www.practicalmachinist.com/vb/so ... st-200925/" onclick="window.open(this.href);return false;

Mě se docela líbí hlavně ta jednoduchost výroby. Tuhé to bude taky asi dost.
Přijde mi, že tam chybí individuální nastavení výšky pro každý držák, ale nemuselo by být možná až tak těžké dodělat (ale ne, asi to tam je, akorát elegantně zapuštěný). Taky je to takový dost "redundantní" (mnoho materiálu na každém držáku) a bude se muset přehazovat ta páčka, hmm..
mimooborová naplavenina • kolowratský zázrak™ • NPS • GCU • HirthCalc • ncDP.ino
Vena
Příspěvky: 73
Registrován: 29. 11. 2012, 5:35

27. 3. 2015, 1:57

To nastavení výšky tam je. Má zkrz ten blok diru se závitem.
Redundantní to je, ale pokud to není na sériovou výrobu tak se to dá asi přežít.
Taky by šlo dávat tu přítlačnou pásovící místo přez roh přez rovnoběžnou plochu k noži, tím by sice přišel o jednu pozici (stejně to využití obou současně je problematické), ale ušetříl by nějaký materiál.
Ta klička je trochu nepraktická to je fakt, i kdyby byla na každém držáku zvlášť
Odpovědět

Zpět na „pro soustruh“