Dotykový sonda
Jo tak to je zapojený, pokud se sepne jakýkoli koncák, naskočí v machu reset. Mám tam pak ledky a podle sepnutí koncáku se rosvítí patřičná ledka.
Nevím proč, ale už to nejede vůbec. Motory vrčí a netočí se 
Ahoj kluci tak než si dořěšíte ty piny
tak tady je již pro tu sondu upravený set
je to nulování nástroje , určení středu a dotyky obrobku Ten set o kterém jsme se včera bavili tak ten je na manuální dotyk s automatickým přejezdem na střed
a akorát se tam nastavuje rychlost a druhy krokování abys nenajížděl tak hrr
Pokud by to chodilo pomalu tak to upravím ty skrypty jsem nepsal pouze okopíroval ale doma mi to funguje
je to nulování nástroje , určení středu a dotyky obrobku Ten set o kterém jsme se včera bavili tak ten je na manuální dotyk s automatickým přejezdem na střed
a akorát se tam nastavuje rychlost a druhy krokování abys nenajížděl tak hrr
Pokud by to chodilo pomalu tak to upravím ty skrypty jsem nepsal pouze okopíroval ale doma mi to funguje
- Přílohy
-
- toto ji přidej do adresáře MillBitmaps
- C-ID.jpg (7.13 KiB) Zobrazeno 11667 x
Tak už to chodí, resetoval jsem PC. Stále ale bez sondy
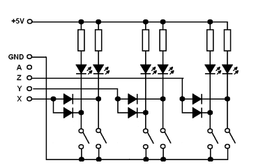
Na ten konektor na desce 1xGND+4x pin
Jinak na to už dnes kašlu, mám toho už zase jako buchet. Zítra budu zase pokračovat, musím už domu, nebo mě ta moje ženská už vyžene. Jinak zatím nevím kam to napojím, nejdříve pospojím ty koncáky do jednoho.
Pepo, přihraj mi ten set.
10
Zkusím vletět na komp ještě doma, po sprše. 
Aha, zítra budu pokračovat, sedím už u kompu doma.
Takže E-stop nachám na čtvrtém pin 13 a naperu tam všechny koncáky a sondu dám na 2 a nastavím pin 11. Tak nějak to asi bude né. Vím jen že mi fachají jen dva piny na tom konektoru u desky, ale teď z hlavy fakt nevím který to vlastně už jsou. Zítra to proberem.
Pepo hoď mi prosím ten set do SZ nebo na email. Docela se mě to líbí, ta autodetekce, než to ruční detekování.
Takže E-stop nachám na čtvrtém pin 13 a naperu tam všechny koncáky a sondu dám na 2 a nastavím pin 11. Tak nějak to asi bude né. Vím jen že mi fachají jen dva piny na tom konektoru u desky, ale teď z hlavy fakt nevím který to vlastně už jsou. Zítra to proberem.
Pepo hoď mi prosím ten set do SZ nebo na email. Docela se mě to líbí, ta autodetekce, než to ruční detekování.
- Přílohy
-
- LED.PNG (64.71 KiB) Zobrazeno 11638 x
Tak se s tím mořím a zatím nic.
Zkoušel jsem jak bude reagovat E-stop na pini konektoru a nastavení pinů a výsledek je takový
Při nastavení 10 reaguje na desce pin 2, 3,
Při nastavení 11 reaguje na desce pin 2, 3
Při nastavení 12 reaguje na desce pin 2, 3
Při nastavení 13 reaguje na desce pin 1, 2, 3
Při jakéhokoli nastavení, na desce pin 4 nereaguje na nic.
Přitom pro pin 4 by mělo být nastavení 13
Použiju-li na desce jakékoli nastavení pro nastavení probe, probe sice reaguje, ale rosvítí tlačítko RESET.
Zkoušel jsem jak bude reagovat E-stop na pini konektoru a nastavení pinů a výsledek je takový
Při nastavení 10 reaguje na desce pin 2, 3,
Při nastavení 11 reaguje na desce pin 2, 3
Při nastavení 12 reaguje na desce pin 2, 3
Při nastavení 13 reaguje na desce pin 1, 2, 3
Při jakéhokoli nastavení, na desce pin 4 nereaguje na nic.
Použiju-li na desce jakékoli nastavení pro nastavení probe, probe sice reaguje, ale rosvítí tlačítko RESET.