řízení KM s MCU
- robokop
- Site Admin
- Příspěvky: 23044
- Registrován: 10. 7. 2006, 12:12
- Bydliště: Praha
- Kontaktovat uživatele:
no teda tady je myslim nadpis mirne zavadejici
jednoduche rizeni km si predstavuju koupit interpolator od gravosu a pripojit step dir
nejake programovani mcu a displeyu proti tomu vubec neni jednoduche

jednoduche rizeni km si predstavuju koupit interpolator od gravosu a pripojit step dir
nejake programovani mcu a displeyu proti tomu vubec neni jednoduche


Vsechna prava na chyby vyhrazena (E)
- jova
- Příspěvky: 2558
- Registrován: 2. 11. 2007, 1:40
- Bydliště: Chýnov to je kousek od Tábora
- Kontaktovat uživatele:
Tak až budeš mít čas, nejlépe večer, tak dej vědět.expertdb píše:Hned určitě ne, jsem v práci a nemám tu ten motor s driverem, ale na ten kod bych se docela rád mrknul.
LCD zatím nemám, ale chtěl bych ho taky vyzkoušet.
Zatím si zkus za domácí úkol nastudovat příkazy:
setfreq
readadc, readadc10
pwmout
a na kterých pinech toho procesoru se ty příkazy mohou použít.

To LCD je dobrý i na ladění. Nasměruje se na něj třeba zobrazení proměnných, hned člověk vidí proč to nefunguje zrovna jak má.
jova píše:Ta 14tka bude stačit![]()
Já na generování pulsů pro driver používám dvě metody.
1. počet pulsů do motoru generuji smyčkou for - next a při každém průchodu měním příkazem toggle stav výstupu. Tento způsob použiji v případě že potřebuji generovat přesný počet pulsů. Nevýhodou je, že se i při maximální nastavené frekvenci procesoru dostat na výstupní frekvenci maximálně několik kHz.
2. používám funkci PWMOUT která dokáže generovat pulsy v dostatečně velké frekvenci, bohužel se nedá nastavil určitý počet výstupních pulsů.
Co zkusit asssembler? Tam muzes s MCU za pajdu generovat a pocitat pulzy o frekvenci v radu jednotek MHz i bez pouziti citacu.
- jova
- Příspěvky: 2558
- Registrován: 2. 11. 2007, 1:40
- Bydliště: Chýnov to je kousek od Tábora
- Kontaktovat uživatele:
Co se týká LCD tak jsou v podstatě tyto možnosti.
1. zakoupit za pár dolarů na ebay LCD s protokolem Hitachi HD44780 a ovládat ho po 6ti drátech http://electromag1.wifeo.com/lcd-alphan ... picaxe.php" onclick="window.open(this.href);return false;
2. zakoupit předražený LCD s řadičem
3. zakoupit samostatný řadič s variantou č.1 http://electromag1.wifeo.com/lcd-i2c-ex ... cf8574.php" onclick="window.open(this.href);return false;
4. postavit si vlastní řadič + opět varianta č.1 http://electromag1.wifeo.com/fabriquer- ... icaxe-.php" onclick="window.open(this.href);return false;
Ty odkazy jsou na stránky jednoho Francouze který to má moc hezky popsané. Já osobně používám od něj tu variantu č.4.
http://www.ebay.com/sch/i.html?_odkw=H ... urn false;
Já dám nějakou véču a něco si tu na to připravím.
1. zakoupit za pár dolarů na ebay LCD s protokolem Hitachi HD44780 a ovládat ho po 6ti drátech http://electromag1.wifeo.com/lcd-alphan ... picaxe.php" onclick="window.open(this.href);return false;
2. zakoupit předražený LCD s řadičem
3. zakoupit samostatný řadič s variantou č.1 http://electromag1.wifeo.com/lcd-i2c-ex ... cf8574.php" onclick="window.open(this.href);return false;
4. postavit si vlastní řadič + opět varianta č.1 http://electromag1.wifeo.com/fabriquer- ... icaxe-.php" onclick="window.open(this.href);return false;
Ty odkazy jsou na stránky jednoho Francouze který to má moc hezky popsané. Já osobně používám od něj tu variantu č.4.
http://www.ebay.com/sch/i.html?_odkw=H ... urn false;
Já dám nějakou véču a něco si tu na to připravím.
- jova
- Příspěvky: 2558
- Registrován: 2. 11. 2007, 1:40
- Bydliště: Chýnov to je kousek od Tábora
- Kontaktovat uživatele:
Začal bych klasickým zapojením.
Procesor propojit s počítačem, mezi + a - 5V zapojit potenciometr 10K, jeho střed zapojit na pin C.0
Připojit krokový motor na driver, napájet driver cca 12 - 24V
CLK – připojit na –5V CLK+ připojit na B.2
Až to bude, nahrajeme do toho první program.
Procesor propojit s počítačem, mezi + a - 5V zapojit potenciometr 10K, jeho střed zapojit na pin C.0
Připojit krokový motor na driver, napájet driver cca 12 - 24V
CLK – připojit na –5V CLK+ připojit na B.2
Až to bude, nahrajeme do toho první program.
- jova
- Příspěvky: 2558
- Registrován: 2. 11. 2007, 1:40
- Bydliště: Chýnov to je kousek od Tábora
- Kontaktovat uživatele:
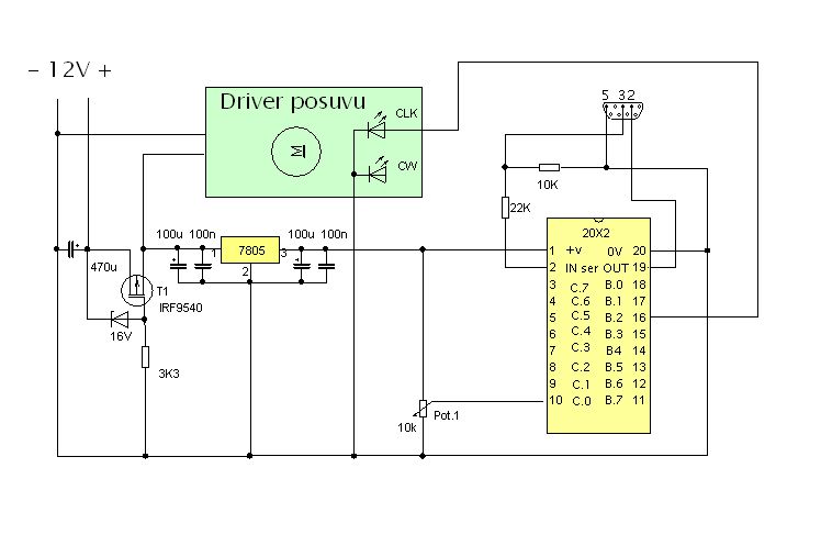
Ano. Mělo by to celé vypadat nějak takto, jen se jedná o ten 14M2 a zapojené to bude na ty vývody jak jsem psal. 
Té T1 si nevšímej to je ochrana proti přepólování a celé je to vytažené z nějaké mé konstrukce, proto ta 20X2.
To splolečné napájení není samozřejmě nutné, klidně můžeš PICAXE napájet z baterek a driver z trafa.

Té T1 si nevšímej to je ochrana proti přepólování a celé je to vytažené z nějaké mé konstrukce, proto ta 20X2.
To splolečné napájení není samozřejmě nutné, klidně můžeš PICAXE napájet z baterek a driver z trafa.
Jasně, se zapojenim zatím
nemám problém. Problém ale je, že ted se musím jit na čas zapojit do výrobního procesu
. Nevím jak dlouho se zdržím. Mohl by jsi poslat na zkousku ten program? Jak až se vrátím, bych to nějak zkusil( třeba už budeš v duchnách
)



Rotwerk 300
Sieg SX2L homemade cnc
Sieg SX2L homemade cnc
- jova
- Příspěvky: 2558
- Registrován: 2. 11. 2007, 1:40
- Bydliště: Chýnov to je kousek od Tábora
- Kontaktovat uživatele:
Základ pro PWM.
Kód: Vybrat vše
setfreq m4 ;nastvení frekvence procesoru
start:
readadc c.0,b0 ;načtení hodnoty z potenciometru 0-255
let w2=b0*2 ; pro střídu 1:1 je třeba druhou hodnotu v PWM násobit 2x. Protože už by překročila hodnotu 255 je uložena do proměnné word
pwmout pwmdiv64, b.2,b0,w2 ;výstup PWM na b.2 dělený ještě 64 aby to nebylo tak rychlé
goto start
Naposledy upravil(a) jova dne 13. 1. 2016, 10:53, celkem upraveno 2 x.