řízení KM s MCU
Pánové, nenapadá vás nějaký jednoduchý způsob jak řídit KM . Chtěl bych to pro osu Z k vrtání. Dolů aby to šlo pomalu-nastavitelně a nahoru rychleji, třeba jen nějakou konstantní rychlostí, samozřejmě jen ručně tlačítky. Driver mám TB 6600, takže řízení step, dir. Myslite, že je něco takového možné? Te´d mne napadlo třeba dve 555 
Naposledy upravil(a) expertdb dne 21. 3. 2016, 3:06, celkem upraveno 3 x.
Rotwerk 300
Sieg SX2L homemade cnc
Sieg SX2L homemade cnc
Hledat, číst
http://www.c-n-c.cz/viewtopic.php?f=48& ... t=step+dir" onclick="window.open(this.href);return false;
Pak je tu možnost některých driverů, mám pocit, že Leadshine, které to přímo umí. Arduino, taky je tady toho mnoho napsáno.
A tak dále a tak dále...
http://www.c-n-c.cz/viewtopic.php?f=48& ... t=step+dir" onclick="window.open(this.href);return false;
Pak je tu možnost některých driverů, mám pocit, že Leadshine, které to přímo umí. Arduino, taky je tady toho mnoho napsáno.
A tak dále a tak dále...
Ty SDG4046 mám dvě, teď dělám třetí. To ale nesplňuje to co jsem si představoval. Pomalu dolů a rychleji nahoru. Drivery už mám ty co jsem napsal,nerad bych je měnil. Arduino, s tím si moc nerozumím
.
Rotwerk 300
Sieg SX2L homemade cnc
Sieg SX2L homemade cnc
-
hobbyrobot
- Příspěvky: 379
- Registrován: 27. 12. 2011, 9:24
- Kontaktovat uživatele:
Když vydržíš tak týden až deset dní, dopíšu článek Krokohrátky s PICAXE a tuhle aplikaci tam přidám jako jeden z příkladů.
jrt
hobbyrobot.cz, jederobot.cz
robodoupe.cz, forum.robodoupe.cz
hobbyrobot.cz, jederobot.cz
robodoupe.cz, forum.robodoupe.cz
- jova
- Příspěvky: 2568
- Registrován: 2. 11. 2007, 1:40
- Bydliště: Chýnov to je kousek od Tábora
- Kontaktovat uživatele:
Já bych doporučoval taky ten PICAXE. Už jsem o něm psal zde:
http://www.c-n-c.cz/viewtopic.php?f=48& ... 48#p176448" onclick="window.open(this.href);return false;
Pro tvou aplikaci, by byl pohyb toho dolního motoru.
http://www.c-n-c.cz/viewtopic.php?f=48& ... 48#p176448" onclick="window.open(this.href);return false;
Pro tvou aplikaci, by byl pohyb toho dolního motoru.
hobbyrobot píše:Když vydržíš tak týden až deset dní, dopíšu článek Krokohrátky s PICAXE a tuhle aplikaci tam přidám jako jeden z příkladů.
Jak to vypadá? Zatím tam nic podobného nenacházím,(možná se špatně dívám)
Rotwerk 300
Sieg SX2L homemade cnc
Sieg SX2L homemade cnc
- jova
- Příspěvky: 2568
- Registrován: 2. 11. 2007, 1:40
- Bydliště: Chýnov to je kousek od Tábora
- Kontaktovat uživatele:
A nechceš, aby jsme se tady do toho pustili společně?
Mám pocit, že by to zajímalo víc lidí a vytvořit "výukové" vlákno by mohlo být zajímavé.
To programování PICAXE není zase až tak složité a takovouto jednoduchou aplikaci by jsme dohromady dát mohli.
A lidí co nám poradí, když se na něčem zasekneme, je tu tuším dost
Mám pocit, že by to zajímalo víc lidí a vytvořit "výukové" vlákno by mohlo být zajímavé.
To programování PICAXE není zase až tak složité a takovouto jednoduchou aplikaci by jsme dohromady dát mohli.
A lidí co nám poradí, když se na něčem zasekneme, je tu tuším dost
Tak to je výborný nápad.
Původně jsem to chtěl zkusit z těmi 555, ale pak jsem si detailněji přečet o PICAXE a docela se mně to zamlouvá. Hned jdu objednat nějaký kousek.
Stačí ta 08M2?
Původně jsem to chtěl zkusit z těmi 555, ale pak jsem si detailněji přečet o PICAXE a docela se mně to zamlouvá. Hned jdu objednat nějaký kousek.
Stačí ta 08M2?
Rotwerk 300
Sieg SX2L homemade cnc
Sieg SX2L homemade cnc
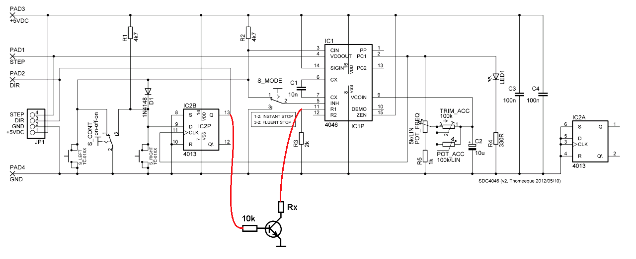
Ahoj, u SDG4046 (v2) by se dalo udělat třeba něco takovýho:
Hodnota R3 (spolu s C1) určuje základní frekvenci 4046ky, takto by byla jiná pro každý směr (poměr by byl dán hodnotami R3 a Rx, Rx by mohl být i trimr).
A vlastně by šlo velice snadnou udělat i dva nezávislé FREQ potenciometry (dva tranzistory ovládané signály +Q a -Q z IC2B atd., můžu to později taky načmárat).
Ale PICAXE je PICAXE, to se nedá srovnat
T.
Hodnota R3 (spolu s C1) určuje základní frekvenci 4046ky, takto by byla jiná pro každý směr (poměr by byl dán hodnotami R3 a Rx, Rx by mohl být i trimr).
A vlastně by šlo velice snadnou udělat i dva nezávislé FREQ potenciometry (dva tranzistory ovládané signály +Q a -Q z IC2B atd., můžu to později taky načmárat).
Ale PICAXE je PICAXE, to se nedá srovnat
T.
Naposledy upravil(a) Thomeeque dne 14. 8. 2015, 12:48, celkem upraveno 3 x.
mimooborová naplavenina • kolowratský zázrak™ • NPS • GCU • HirthCalc • ncDP.ino
- jova
- Příspěvky: 2568
- Registrován: 2. 11. 2007, 1:40
- Bydliště: Chýnov to je kousek od Tábora
- Kontaktovat uživatele:
To záleží na tom, kolik hodláš obsadit vstupů/výstupů a jakou filozofii zvolíš.
Osobně bych být tebou koupil alespoň 14M2, těch "nožiček" není nikdy dost
Ten obvod 8M2 má teoreticky 4-5 použitelných vývodů, ale některé jsou pouze jako vstupy, některé pouze jako výstupy a nemuselo by to stačit.
Ještě bych doporučoval koupit nějakou cvičnou destičku, 1-2 potenciometry 5-10k, nějaké mikrospínače na tlačítka a zřejmě to bude chtít i nějaký koncáček.
Pak to bude chtít nějak vyřešit připojení do PC na COM. To znamená, pokud máš jen USB, koupit redukci USB/COM a kousek kablíku s COM koncovkou. Já to řešil rozebráním staré "kuličkové" myši a použitím toho kablíku. No a pak už jen rezistory 1x 22k a alespoň 5x 10k a kondík 100nF na vyfiltrování.
Osobně bych být tebou koupil alespoň 14M2, těch "nožiček" není nikdy dost
Ten obvod 8M2 má teoreticky 4-5 použitelných vývodů, ale některé jsou pouze jako vstupy, některé pouze jako výstupy a nemuselo by to stačit.
Ještě bych doporučoval koupit nějakou cvičnou destičku, 1-2 potenciometry 5-10k, nějaké mikrospínače na tlačítka a zřejmě to bude chtít i nějaký koncáček.
Pak to bude chtít nějak vyřešit připojení do PC na COM. To znamená, pokud máš jen USB, koupit redukci USB/COM a kousek kablíku s COM koncovkou. Já to řešil rozebráním staré "kuličkové" myši a použitím toho kablíku. No a pak už jen rezistory 1x 22k a alespoň 5x 10k a kondík 100nF na vyfiltrování.
Naposledy upravil(a) jova dne 14. 8. 2015, 11:16, celkem upraveno 1 x.
Tak kdyby jsi měl někdy čas, určitě bych to uvítal. K soustruhu by se mně to hodiloThomeeque píše:Ahoj, u SDG4046 (v2] by se dalo udělat třeba něco takovýho:
A vlastně by šlo velice snadnou udělat i dva nezávislé FREQ potenciometry (dva tranzistory ovládané signály +Q a -Q z IC2B atd., můžu to později taky načmárat).
T.
Problém je,že zatím žádnou filozofii namám a vůbec nemám tušení, kolik vstupů-výstupů se použije. Ale určitě čím víc,tím líp. Vezmu tedy 14 a pro strýčka Příhodu i 8.jova píše:To záleží na tom, kolik hodláš obsadit vstupů/výstupů a jakou filozofii zvolíš.
Osobně bych být tebou koupil alespoň 14M2, těch "nožiček" není nikdy dost![]()
Ten obvod 8M2 má teoreticky 4-5 použitelných vývodů, ale některé jsou pouze jako vstupy, některé pouze jako výstupy a nemuselo by to stačit.
Rotwerk 300
Sieg SX2L homemade cnc
Sieg SX2L homemade cnc
Díky za zájem. Co bych od toho chtěl, mám hned v prvním přízpěvku. Chci to na vrtání, tedy pomalu dolů a rychle nahoru. Časem bude Mach3, ale prozatím....
edit: běžnou zásobu součástek mám, kupovat budu jen ty PICAXE.
edit: běžnou zásobu součástek mám, kupovat budu jen ty PICAXE.
Rotwerk 300
Sieg SX2L homemade cnc
Sieg SX2L homemade cnc
Arduino.
Levnější a dostupnější HW neseženeš, něco co je víc podporováno knihovnama taky ne.
Navíc to nebude holej integráč, ale destička, která už má vyřešené základní věci jako oscilátor, reset, případně USB/serial rozhraní pro připojení k PC.
A pokud bys chtěl i další podpůrný HW, tak si můžeš koupit třeba nacvakávací destičku pro přímé osazení malých driverů Pololu atd.
Není náhoda, že každý číňan prodává Arduino, ale jen velmi málokterý PicAxe.
Netvrdím, že PicAxe je špatný. Ale svět se prostě vydal jinudy. A pokud chceš využít i práce jiných a ne si všechno dělat sám, tak prostě Arduino je dneska lepší volba.
Levnější a dostupnější HW neseženeš, něco co je víc podporováno knihovnama taky ne.
Navíc to nebude holej integráč, ale destička, která už má vyřešené základní věci jako oscilátor, reset, případně USB/serial rozhraní pro připojení k PC.
A pokud bys chtěl i další podpůrný HW, tak si můžeš koupit třeba nacvakávací destičku pro přímé osazení malých driverů Pololu atd.
Není náhoda, že každý číňan prodává Arduino, ale jen velmi málokterý PicAxe.
Netvrdím, že PicAxe je špatný. Ale svět se prostě vydal jinudy. A pokud chceš využít i práce jiných a ne si všechno dělat sám, tak prostě Arduino je dneska lepší volba.
Naposledy upravil(a) Mex dne 14. 8. 2015, 3:48, celkem upraveno 1 x.
Neni to úplně optimální (zejména průběh regulace asi nebude tak pěknej jako má originál), chtělo by to otestovat. Je to relativně neinvazivní, jen se musí odpojit původní poťák*. Samozřejmě je potřeba propojit i GND. Tranzistory libovolný obyč NPN.expertdb píše:Tak kdyby jsi měl někdy čas, určitě bych to uvítal. K soustruhu by se mně to hodiloThomeeque píše:A vlastně by šlo velice snadnou udělat i dva nezávislé FREQ potenciometry (dva tranzistory ovládané signály +Q a -Q z IC2B atd., můžu to později taky načmárat).
T.
T.
*Na otestování dokonce není původní potenciometr nutné vypájet, stačí ho nastavit na minimum (úplně doleva) a vypájet R5 - původní poťák nahradí INPUT a R1 modulu.
Naposledy upravil(a) Thomeeque dne 14. 8. 2015, 4:58, celkem upraveno 1 x.
mimooborová naplavenina • kolowratský zázrak™ • NPS • GCU • HirthCalc • ncDP.ino