Stránka 3 z 3
Re: odpružený upichovák
Napsal: 30. 4. 2018, 8:18
od atlan
A ked das upichovah hore nohami, a reverz. To ti nestaci?
Re: odpružený upichovák
Napsal: 30. 4. 2018, 8:35
od mpcz
To jsem nezkoušel.
U toho videa z Ruska je i nákres v Corelu, ale nejde otevřít. Možná je to v nějaké fungl nové verzi, kterou nemám. Jde to někomu otevřít? Děkuji, mpcz, 30.04.2018
Re: odpružený upichovák
Napsal: 1. 5. 2018, 8:14
od Grad
Nákres pod videjkem jsem sice nenašel, ale "jenom"odkaz na obsáhlou a výživnou dikusi k tématu
https://www.chipmaker.ru/topic/185484/" onclick="window.open(this.href);return false; a doporučuji použít translator, pokud nevládnete ruštinovu:
https://translate.google.cz/translate?s ... t=&act=url" onclick="window.open(this.href);return false;
Namátkou tam najdete detaily třeba k tomuto:

- odpružený upichovák
ale různých řešení jak upichovat je tam povícero:

Re: odpružený upichovák
Napsal: 1. 5. 2018, 8:39
od mpcz
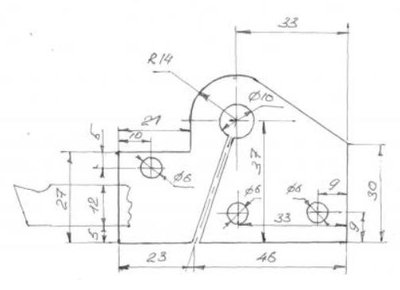
Děkuji, to jsou zajímavé informace a jsou k věci. Ten obrázek na YOUTUBE tam je, má sice příponu .cdr, ale otevřít to bez dalšího nejde. Podařilo se to až po úpravách do jpg, tak jsem to prostě v Corelu obtáhl. Takže to už je pořešeno.
Podle všeho, že nikdo nereaguje to vypadá, že odpružený upichovák v našich krajích příliš rozšířen není, zkušenosti z praxe asi nebudou, takže to budu muset asi zkusit.
K diskuzi bych asi nechal to, jaký nůž na to nasadit. Zahlédl jsem zatím:
origo držáky na inserty - ty mají ale krátký zápich
planžety na inzerty - do těch by se daly pohodlně vyřezat laserem díry na upevnění - jaká asi tloušťka je doporučená pro upíchnutí průměru 60mm dural ...
HSS nože - tam jdou taky udělat díry laserem, ale zase ten kónus trošku komplikuje upevnění na bok držáku
určitě je i něco dalšího. Jen připomínám, soustruh je malý, Proma 500, hlava 100, dural průměr cca 50-60 mm. Děkuji, mpcz, 1.may.2018
Re: odpružený upichovák
Napsal: 1. 5. 2018, 9:28
od Miltech
Pro upichování průměru 50, 60 mm potřebuješ vysunout nůž (planžetu) aspoň 30 až 35 mm z držáku. V případě odpruženého nože to bude vzhledem ke konstrukci minimálně dvojnásobek. To bude vzhledem k tuhosti zmiňovaného soustruhu problém. Pokud nutně potřebuješ upichovat, tak bych raději vyrobil celý nový držák a umístil jej naproti nožové hlavy a použil bych ještě obrácený nůž. Odpadne Ti obracení otáček a "tuhost" takového držáku bude podstatně větší než v nožové hlavě. Já mám i odpružený držák, ale pro upichování používám výhradně obrácené nože ve spec držáku, pokud tedy nemůžu použít pásovku, což je nejrychlejší a nejspolehlivější.
Re: odpružený upichovák
Napsal: 1. 5. 2018, 10:58
od robokop
Z principu je jasne ze obraceny nuz funguje stejne jako to dodatecne odpruzeni
Autor toho odpruzeni to mozna neznal
Ale je to jednodussi a tuzsi tudiz podle meho i lepsi reseni
To ze to tu nikdo moc nepouziva bude treba tim ze pouzivame nuz obracene kdyz je problem
Re: odpružený upichovák
Napsal: 1. 5. 2018, 4:41
od mpcz
Miltech píše:Pro upichování průměru 50, 60 mm potřebuješ vysunout nůž (planžetu) aspoň 30 až 35 mm z držáku. V případě odpruženého nože to bude vzhledem ke konstrukci minimálně dvojnásobek. To bude vzhledem k tuhosti zmiňovaného soustruhu problém. Pokud nutně potřebuješ upichovat, tak bych raději vyrobil celý nový držák a umístil jej naproti nožové hlavy a použil bych ještě obrácený nůž. Odpadne Ti obracení otáček a "tuhost" takového držáku bude podstatně větší než v nožové hlavě. Já mám i odpružený držák, ale pro upichování používám výhradně obrácené nože ve spec držáku, pokud tedy nemůžu použít pásovku, což je nejrychlejší a nejspolehlivější.
Dík, to je dobrý nápad, protože tu hlavní část - hyperboloid dělá jeden nůž, to je už pořešené a ten druhý by se dal naprogramovat na upíchnutí + další potřebný tvar, který ten první nůž neudělá. Takže můžu už jen stát a sbírat hotové kusy. (Asi teda). mpcz, 1.may.2018