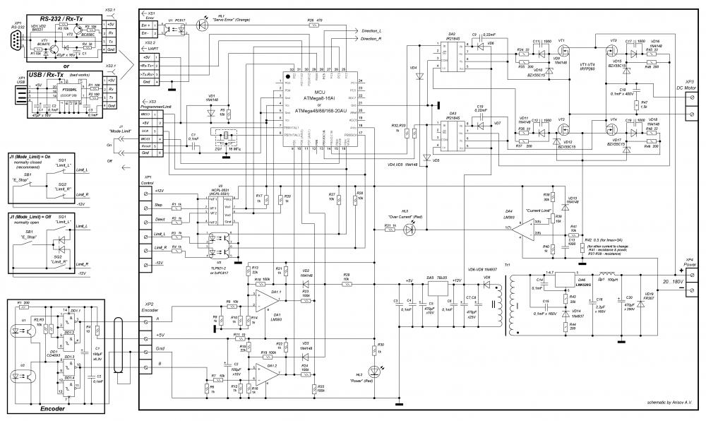
DC Servocontroller Hudognik podľa " Arisov77 "
No tak s kľudným svedomím nakraď toho koňa tými menšími. Máš to ešte aj cez prevod, tak úplne v pohode . Ten driver by ho aj tak asi poriadne neutiahol . 
Nemáš CNC - nič neznamenáš.
30.01.10 pokusne spustené CNC. Neviem, ako som mohol doteraz bez neho žiť. ><((((º>
http://www.fishpol.sk
30.01.10 pokusne spustené CNC. Neviem, ako som mohol doteraz bez neho žiť. ><((((º>
http://www.fishpol.sk
A sakra , to máš dobré šrotovisko, a kde také rastú ? U nás som pravidelný návštevník jedného , ale akosi nič takého . Možno raz budem mať šťastie aj ja. 24V na 60Voltový motor je málo . Aspoň 50V . 

Nemáš CNC - nič neznamenáš.
30.01.10 pokusne spustené CNC. Neviem, ako som mohol doteraz bez neho žiť. ><((((º>
http://www.fishpol.sk
30.01.10 pokusne spustené CNC. Neviem, ako som mohol doteraz bez neho žiť. ><((((º>
http://www.fishpol.sk
Je to výkonový prvok a pokiaľ nebudeš mať vysoké napájacie napätie tak môže byť na 270V , ale redšej svitkový.
Nemáš CNC - nič neznamenáš.
30.01.10 pokusne spustené CNC. Neviem, ako som mohol doteraz bez neho žiť. ><((((º>
http://www.fishpol.sk
30.01.10 pokusne spustené CNC. Neviem, ako som mohol doteraz bez neho žiť. ><((((º>
http://www.fishpol.sk
Fety pracujú v spínacom režime , tak netreba moc veľký , záleží aj na odbere, ja som navrhol dosku podľa kúpeného rebrovaného chladiča 100x90x30mm , myslím že by to mohlo stačiť , ak nie tak sa musí zväčšiť.
Nemáš CNC - nič neznamenáš.
30.01.10 pokusne spustené CNC. Neviem, ako som mohol doteraz bez neho žiť. ><((((º>
http://www.fishpol.sk
30.01.10 pokusne spustené CNC. Neviem, ako som mohol doteraz bez neho žiť. ><((((º>
http://www.fishpol.sk
Mám problém s enkóderom ,značne zaťaží 5V vetvu pokles je na 4,3V a výstup enkóderu je len 2,6V. na pine operaku už je zmena minimálna .
Keď som enkoder zapojil na zdroj 4,7v na výstupe má 4,1V.
Asi by to vyriešila zmena odporov pred operakom?
Keď som enkoder zapojil na zdroj 4,7v na výstupe má 4,1V.
Asi by to vyriešila zmena odporov pred operakom?
Musíš na výstup encodéra zapojiť tvarovač s 4093, inak ti to nepôjde.
Naposledy upravil(a) pájač dne 13. 11. 2010, 12:52, celkem upraveno 1 x.
Nemáš CNC - nič neznamenáš.
30.01.10 pokusne spustené CNC. Neviem, ako som mohol doteraz bez neho žiť. ><((((º>
http://www.fishpol.sk
30.01.10 pokusne spustené CNC. Neviem, ako som mohol doteraz bez neho žiť. ><((((º>
http://www.fishpol.sk
Jo, enkodéry jsou různé, zvláště některé. Mám za sebou vlastní výprask, (Pájač o něm ví).
Ale to, co píšeš by enkodér neměl dělat. Normální odběr všech, co jsem testoval byl v klidu do 50 mA (supermax!) a v chodu max o 5 mA více. a pokud jsou trochu inteligentnější tak v TTL zápor. Taky jsem zjistil že některé zapojení jsou citlivé na polaritu tj. na reakci na náběžnou nebo sestupnou hranu impulsu a jinak nefachčí.
Ale to, co píšeš by enkodér neměl dělat. Normální odběr všech, co jsem testoval byl v klidu do 50 mA (supermax!) a v chodu max o 5 mA více. a pokud jsou trochu inteligentnější tak v TTL zápor. Taky jsem zjistil že některé zapojení jsou citlivé na polaritu tj. na reakci na náběžnou nebo sestupnou hranu impulsu a jinak nefachčí.
Myslím že tvarovač nie je potrebný v encoderi je 26et31.
- Přílohy
-
- 26et31.pdf
- (41.78 KiB) Staženo 864 x