Nepovedený pokus
-
- Příspěvky: 59
- Registrován: 5. 2. 2013, 4:15
Koupil jsem deku
http://www.ebay.com/itm/CNC-5-Axis-Brea ... 27cf5cbb65" onclick="window.open(this.href);return false;
a driver
http://www.ebay.com/itm/Cnc-1-7A-36VDC- ... 1e76668285" onclick="window.open(this.href);return false;
a zkoušel jsem rozchordit motorek která jsem vzal z tiskárny.....
stáhnul jsem si free MACH3 vše sem nastavil dle návodu ale ani ťuk....motorek ztvrdne když dám driveru proud ale ať v mach 3 dělam co chci tak se ani nehne....
Jde nějak změřit jestli mi do té desky jdou impulzy z pinů?Poradíte mi jak to správně zapojit?
http://www.ebay.com/itm/CNC-5-Axis-Brea ... 27cf5cbb65" onclick="window.open(this.href);return false;
a driver
http://www.ebay.com/itm/Cnc-1-7A-36VDC- ... 1e76668285" onclick="window.open(this.href);return false;
a zkoušel jsem rozchordit motorek která jsem vzal z tiskárny.....
stáhnul jsem si free MACH3 vše sem nastavil dle návodu ale ani ťuk....motorek ztvrdne když dám driveru proud ale ať v mach 3 dělam co chci tak se ani nehne....
Jde nějak změřit jestli mi do té desky jdou impulzy z pinů?Poradíte mi jak to správně zapojit?
- Přílohy
-
- User_Manual_5_axis_Breakout_board.pdf
- (1.61 MiB) Staženo 546 x
- Gulliver64
- Příspěvky: 453
- Registrován: 1. 8. 2010, 7:52
- Bydliště: Kuřim
a ještě co je to za krokáč? kolik z něj vede drátů a jak je máš zapojený?
Modelová zařízení pro slévárny, hliníkové odlitky. První CNC frézka postavená v r.2003 ."Dřeváček" - r.2010. Zapřísáhlý uživatel MACH3 ver.2.63 .
Ano, vyrob si jednoduchou logickou sondu z LEDky (ideálně nějaká citlivější ale zase s ne moc vysokým Uf, tak do 2V) v sérii s odporem (cca 10k) a piny tím omrkni.Sir_Arasid píše:Jde nějak změřit jestli mi do té desky jdou impulzy z pinů?
mimooborová naplavenina • kolowratský zázrak™ • NPS • GCU • HirthCalc • ncDP.ino
-
- Příspěvky: 59
- Registrován: 5. 2. 2013, 4:15
Tak jsem koupil ledky a omrknul ty piny....vlastně pin 1 je enable pro xyz a pin 2 step x.když jsem v machu dal pojezd v X a na pin 1 a2 jsem dal ledku tak svítila.Pak jsem ji připojil na 1pin a 14 pin což je dir X a ledka svítila při X+ a při pojezdu X- zhasla....nevim jestli je to dobře.Pak jsem připojil kabelem desku dal sem ji 5V zdroj a když jsem dal na tu čokoládu co se má připojit driver zase ledky tak jsem propojil to z čeho de signál enaX(pin1) a step X a ledka svítila furt ani jsem mach nemusel zapínat.Dir a ena svítí jen když jedu do + hodnot do - zhasne.A co u tý desky znamená pin18-25=GND....to je +5V?Pač na tom driveru mam PUL,DIR,+5V,ENA a na dělicí desce mam X ENA,X STEP,X-DIR a pak právě to GND tak jak to připojit k driveru?Motorek má 4 kabliky A+- a B+- a DC+ a DC- je jasný(doufam)
Za každou radu předem děkuji
Za každou radu předem děkuji
-
- Příspěvky: 59
- Registrován: 5. 2. 2013, 4:15
Tady jsem to vyfotil....kdyby jste mi řekli co kam připojit budu vděčný...je potřeba si tan obrázek trochu zvětšit.Jde mi jen o osu X,ta deska je napájená 5V z vykuchanýho USB.Ledka napájení a když zkouším přez MACH3 jezdit v osách tak se mi u nic rozsvítí kontrolky ale motorek se ani nehne.Když připojim k driveru napětí tak motorek stvrdne a když pustím napětí do desky tak motorek povolí...
Tak koukam ze s elektrikou si na tom jeste o kousek huř než já.Sir_Arasid píše:Tak jsem koupil ledky a omrknul ty piny....vlastně pin 1 je enable pro xyz a pin 2 step x.když jsem v machu dal pojezd v X a na pin 1 a2 jsem dal ledku tak svítila.Pak jsem ji připojil na 1pin a 14 pin což je dir X a ledka svítila při X+ a při pojezdu X- zhasla....nevim jestli je to dobře.Pak jsem připojil kabelem desku dal sem ji 5V zdroj a když jsem dal na tu čokoládu co se má připojit driver zase ledky tak jsem propojil to z čeho de signál enaX(pin1) a step X a ledka svítila furt ani jsem mach nemusel zapínat.Dir a ena svítí jen když jedu do + hodnot do - zhasne.A co u tý desky znamená pin18-25=GND....to je +5V?Pač na tom driveru mam PUL,DIR,+5V,ENA a na dělicí desce mam X ENA,X STEP,X-DIR a pak právě to GND tak jak to připojit k driveru?Motorek má 4 kabliky A+- a B+- a DC+ a DC- je jasný(doufam)
Za každou radu předem děkuji
zkusim napsat co vim.
GND je zkratka pro ground, tedy zem
+5V je +5V a je to protikus k te zemi.

ENA je enable. bez nej se driver nehejbe. nekdy je zapojenej na strane driveru tak, ze kdyz zustane nezapojenej tak je vse ok a funguje to. podivej se do dokumentace k driveru.
DIR je direction tedy smer. kdyz je tam signal jede na jednu stranu, kdyz neni jede na druhou. takze je dobre ze ti sviti jenom kdyz jedes na jednu stranu.
PUL a STEP je to samy a znamena to krok.
ale je tu dalsi problem,kterej se te zrejme tyka.
aby nekde bylo napeti musi se pripojit jak zem tak +5v, jenze na oddelovaci desce muze byt spolecna zem a spina jednotlive 5v kdezto drivery pouzivaji (aspon ty tvoje) spolecnych +5v a chteji spinat zem (GND). Nekoukal sem jak je to u tvoji oddelovaci desky. Treba deska z CNCshopu umi oba dva rezimy. jak pouzit spolecnou zem, tak spolecnych 5v.
Snad sem ti v tom neudelal jeste vetsi bordel.
Martin
-
- Příspěvky: 59
- Registrován: 5. 2. 2013, 4:15
Problém je v tom že k driveru žádnou dokumentaci nemam.A na netu jsem nic nenašel.K desce jsem našel to co jsem dával do prvního příspěvku tady nahoře...ať to zapojim jak chci tak to prostě nefachá....asi budu mít driver kterej nefunguje s tou dělící deskou 

když připojíš motor a napájení tak by měl motor držet ( nemělo by sním jít točit nebo dost velkou silou )
tyhle drivery mají enable invertovaný takže po přivvedení signálu enable odpojí ,
tím začni
pak máš na driveru signály pul+ a pul- to je vstup pro signály step , takže pul - připoj na zen (gnd) a signál pul + připoj na desku kde má být step
takhle to uděláš i s dir
tyhle drivery mají enable invertovaný takže po přivvedení signálu enable odpojí ,
tím začni
pak máš na driveru signály pul+ a pul- to je vstup pro signály step , takže pul - připoj na zen (gnd) a signál pul + připoj na desku kde má být step
takhle to uděláš i s dir
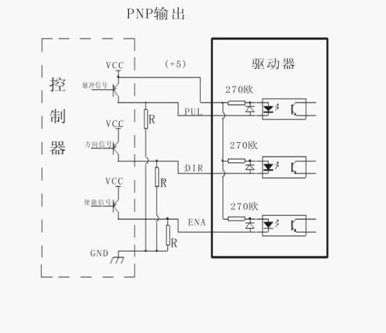
Ahoj tady je popis toho driveru
http://www.wantmotor.com/ProductsView.asp?id=273&pid=82" onclick="window.open(this.href);return false;
a to je právě ten problém s tím +5V to je tady jako zem a očekává to signál -5V já co mám drivery tak u nich je zem-5V a signál +5v
http://www.wantmotor.com/ProductsView.asp?id=273&pid=82" onclick="window.open(this.href);return false;
a to je právě ten problém s tím +5V to je tady jako zem a očekává to signál -5V já co mám drivery tak u nich je zem-5V a signál +5v
Problem je, ze tenhle driver na rozdil od treba M542 nema pro kazdej signal dva draty,ale spolecnech 5V.packa píše:pak máš na driveru signály pul+ a pul- to je vstup pro signály step , takže pul - připoj na zen (gnd) a signál pul + připoj na desku kde má být step
takhle to uděláš i s dir
M
http://www.google.cz/url?sa=t&rct=j&q=& ... ms&cad=rja" onclick="window.open(this.href);return false;
On je tam přepínač je tam i schéma
On je tam přepínač je tam i schéma