TB6560AHQ - na kolika Hertzech honíte (anketka #2)

Uživatelský avatar
Thomeeque
Příspěvky: 9559
Registrován: 30. 1. 2012, 10:20
Bydliště: Mimo ČR

24. 2. 2013, 10:46

Ahoj,

tak tu máme další anketku :) Začlo to tak, že jsem si včera v touze po mikrokroku sedl s papírem, tužkou, TB6560AHQ datasheetem a Usage Considerations pamfletem a zkusil si nakreslit vlastní driver pro mé malé CNC, kde bych se pokusil dodržet všechna doporučení včetně správné power-on/off sekvence atp a naopak vyhodit vše z mého pohledu zbytečné (podle výsledku bych si buď upravil modrou hrůzu nebo spíš asi udělal komplet vlastní desku). Hned zkraje mě ale vzal vítr z plachet údaj v Operating Range tabulce, kterého jsem si nikdy před tím nevšiml, deklarující maximální clock frequency (step rate) 15kHz. Přiznávám, že do teď jsem žil v přesvědčení, že za všechno můžou optočleny a ani ve snu by mě nenapadlo, že by limit samotného čipu byl takhle nízko. Pokud to tak skutečně je, tak to je tedy žalostně málo a pro mě prakticky konečná (pro 1/16 mikrokrok max. posun na 3/12 trapézu 14 mm/s, uááá, dvakrát tolik u 1/8 mikrokroku mě taky nevytrhne, 1/4 mikrokrok AHQ nemá a half-step driver už mám).

Mohu se vás tedy zeptat, jestli se v reálu dostáváte nad tuto hranici, případně o konkrétní hodnoty? A při jaké hodnotě Cosc (100~1000pF potvůrka)?

Díky, hezkou neděli, T.
mimooborová naplavenina • kolowratský zázrak™ • NPS • GCU • HirthCalc • ncDP.ino
Uživatelský avatar
uhy
Příspěvky: 207
Registrován: 15. 10. 2010, 7:38
Bydliště: levice

24. 2. 2013, 12:02

pridávam sa k otázke ja som si vyrobil drivere podla priloženého súboru kde je filter nastavený na 70khz čo som predpokladal že tb6560ahq aj dokáže ak nie budem musieť znovu prehodnotiť konštrukciu.
súbory som už ani neviem kde stiahol čiže sa už autorovi ani nemôžem poďakovať tak ak ich tu niekto spozná ako vlastné tak dakujem sice to nemam velmi otestované mám však pocit že funguje dobre :lol:
TB6560AHQ.rar
(71.3 KiB) Staženo 696 x
Michal Prokop
Příspěvky: 63
Registrován: 5. 11. 2009, 3:16

24. 2. 2013, 1:32

mam tam 100p coz odpovida 400khz bezet me to bezi normalne jit vyse jsem nezkousel .
oscar
Příspěvky: 1249
Registrován: 2. 5. 2010, 8:50
Bydliště: Perníkovice

24. 2. 2013, 1:41

vzpominam li si dobre, tak jsem do nej generatorem hrnul asi 50 kHz. zadna stopka na 15 kHz urcite nebyla.

neznamena ten udaj neco jineho?

btw, na frezce mam scale 400 a max velocity 50 - ale nepouzivam to kvuli mechanice. zitra to ale muzu zkusit
Uživatelský avatar
Kilovolt
Sponzor fora
Příspěvky: 829
Registrován: 21. 10. 2009, 9:59
Bydliště: Podřipák jak vyšitej!

24. 2. 2013, 2:27

No v tom druhým datasheetu píšou, že clockpulse má mít min 10mikrosekund.Pokud bych dal i mezeru mezi pulsy stejnou, tak vychází perioda 20 mikrosekund tj. těch 50kHz. A i to je podle mě málo :oops: Osobně jsem taky zklamanej, ale chvíli to s nima ještě vydržím :lol:

PS:těch 10mikro s je při 400kHz na vnitřním oscilátoru a maximum je 600, takže možná by šváb zvládl i větší vstupní frekvenci.
Elektrika je potvora-nejni vidět a kope jak divoká mula.
"Učíme se po celý život. Až na školní léta" - Gabriel Laub
Uživatelský avatar
Thomeeque
Příspěvky: 9559
Registrován: 30. 1. 2012, 10:20
Bydliště: Mimo ČR

24. 2. 2013, 4:21

uhy píše:pridávam sa k otázke ja som si vyrobil drivere podla priloženého súboru kde je filter nastavený na 70khz čo som predpokladal že tb6560ahq aj dokáže ak nie budem musieť znovu prehodnotiť konštrukciu.
súbory som už ani neviem kde stiahol čiže sa už autorovi ani nemôžem poďakovať tak ak ich tu niekto spozná ako vlastné tak dakujem sice to nemam velmi otestované mám však pocit že funguje dobre :lol:
Příloha TB6560AHQ.rar je dlouhodobě nedostupná.
Ten vstupní filtr má asi nějakou rezervu, aby skutečné řídící pulzy zase moc nezakulacoval..

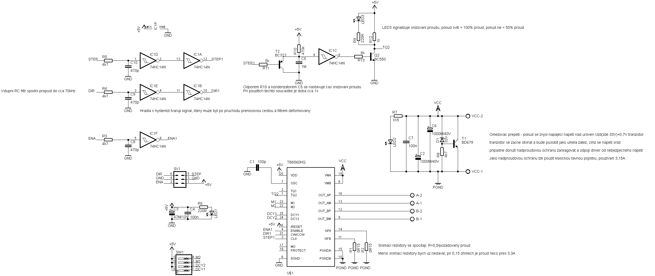
Jinak díky, to je zajímavé schema! Vkládám jako gif pro snažší prohlížení (doufám, že se autor - EDIT: GMAN - nebude zlobit, kdyžtak zase vyhodim):
TB6560AHQv2.sch => mono 150dpi gif
TB6560AHQv2.sch => mono 150dpi gif
Michal Prokop píše:mam tam 100p coz odpovida 400khz bezet me to bezi normalne jit vyse jsem nezkousel .
To ale mluvíš o frekvenci PWM oscilátoru, nikoliv o frekvenci kroků..
oscar píše:vzpominam li si dobre, tak jsem do nej generatorem hrnul asi 50 kHz. zadna stopka na 15 kHz urcite nebyla.

neznamena ten udaj neco jineho?

btw, na frezce mam scale 400 a max velocity 50 - ale nepouzivam to kvuli mechanice. zitra to ale muzu zkusit
Supr, tak to zní nadějně (50kHz by mi už stačilo), testni to, prosím.
Kilovolt píše:No v tom druhým datasheetu píšou, že clockpulse má mít [šířku] min 10mikrosekund.
To píšou i v prvnim datasheetu, ale ať to čtu jak to čtu, nejsem si jistej, jestli se takto dá počítat maximální přípustná frekvence (šířka pulzu se obvykle deklaruje spíš aby bylo jasný, jak úzký pulz bude systémem ještě správně zaregistrován a/nebo vyhodnocen.. nicméně tady zmiňují i ten duty cycle přípustný do 50%, což by opravdu maximální frekvenci určit umožnilo..?).

Podle blokového schematu by blok vyhodnocující STEP/DIR (v jejich nářečí CLK a CW/CCW) vstupy neměl být vůbec závislý na PWM oscilátoru (jehož frekvence je daná hodnotou Cosc od těch 44 do 400 resp. 600kHz). Ale evidentně to tak asi není, když frekvence PWM oscilátoru ovlivňuje minimální šířku CLOCK pulzu (asi je využitý i jako hodiny té vyhodnocující logiky). Že by využívali PWM i na vytváření referenčního napětí pro proudovou PWM regulaci..? Ale tam už na šířce STEP pulzu dávno nemůže záležet..

No je to zamotaný a dává to naději, že ta frekvence skutečně může být vyšší, ale pak údaj v Operating Range tabulce fakt nechápu, těch 15kHz je tam napsáno zcela nepodmíněně.

T.
Naposledy upravil(a) Thomeeque dne 25. 2. 2013, 2:31, celkem upraveno 1 x.
mimooborová naplavenina • kolowratský zázrak™ • NPS • GCU • HirthCalc • ncDP.ino
Uživatelský avatar
Thomeeque
Příspěvky: 9559
Registrován: 30. 1. 2012, 10:20
Bydliště: Mimo ČR

25. 2. 2013, 10:32

Dobré ráno do nového týdne :)

Ještě jednou shrnu jádro pudla (těch odpovědí je zatím docela málo, možná jsem to prvně nenapsal úplně srozumitelně):

zajímá mne, jakou maximální step rate - clock frequency - počet kroků za vteřinu - spolehlivě dostanete ze svého TB6560AHQ driveru. Buď takto přímo, nebo jako maximální rychlost posunu na dané ose (pak ale potřebuji vědět i stoupání šroubu a zvolený mikrokrok, abych si to mohl přepočítat). Jeden z těchto údajů musíte určitě vědět, vždyť je to celkem klíčové, neváhejte se pochlubit, budu vám zauzlován :) Je jasné, že tento limit může ovlivňovat i připojený motor a mechanika stroje, ale i tak je to pro mne zajímavé, zvlášť pokud se dostáváte nad těch deklarovaných 15kHz.

Hodnota Cosc může mít na tento limit vliv, viz. výše, proto je také zajímavá.

Díky, T.
mimooborová naplavenina • kolowratský zázrak™ • NPS • GCU • HirthCalc • ncDP.ino
diego
Příspěvky: 13
Registrován: 26. 5. 2013, 11:00

10. 7. 2013, 11:18

no zajima mi to taky protože někde jsem viděl to honit na 15 nekde na 25 khz a na nějakym videu i 35 je v tom krapet bordel
Uživatelský avatar
Thomeeque
Příspěvky: 9559
Registrován: 30. 1. 2012, 10:20
Bydliště: Mimo ČR

10. 7. 2013, 12:14

Oscar na svém systému ověřil funkčnost na 50kHz.

Já jsem relativně dost blízko k vlastním pokusům, pak dám vědět..

T.
mimooborová naplavenina • kolowratský zázrak™ • NPS • GCU • HirthCalc • ncDP.ino
Uživatelský avatar
Thomeeque
Příspěvky: 9559
Registrován: 30. 1. 2012, 10:20
Bydliště: Mimo ČR

10. 2. 2014, 9:20

Tak už to přišlo :D Zdá se, že to jede spokojeně i při 130kHz. Nemůžu to ověřit nějak sofistikovaně, je to jen jednoduchý generátor, ale imho by vypadlé kroky byly ve zvuku motoru nějak slyšet..
mimooborová naplavenina • kolowratský zázrak™ • NPS • GCU • HirthCalc • ncDP.ino
GMAN
Příspěvky: 147
Registrován: 31. 3. 2009, 10:46
Bydliště: Londýn

11. 2. 2014, 12:34

Ten vstupní filtr jsem navrhnul na paralelní port, který většinou končí někde na 30kHz. Mesu jsem v té době ještě neznal a navíc si myslím, že kdo má Mesu, tak neplánuje použít tyhle drivery :D
Jinak co se týče TB6560, tak dle datasheetu je doporučena maximální step fekvence 15 kHz! Provozovat to na 130 kHz je docela brutální přetaktování :) Regulátor proudu má na správné nastavení hodnoty pouze 600kHz/130kHz = 4 takty. Ale pokud to funguje, tak proč ne.
datasheet.jpg
Uživatelský avatar
Kilovolt
Sponzor fora
Příspěvky: 829
Registrován: 21. 10. 2009, 9:59
Bydliště: Podřipák jak vyšitej!

11. 2. 2014, 4:33

No funguje - otázka je jak spolehlivě, ono totiž při týhle frekvenci poznat vypadlej krok asi nebude legrace. Holt to asi bude chtít víc experimentů. Jinak já mám mesu 7i43 a mám drivery s TB6560 :lol:
Elektrika je potvora-nejni vidět a kope jak divoká mula.
"Učíme se po celý život. Až na školní léta" - Gabriel Laub
GMAN
Příspěvky: 147
Registrován: 31. 3. 2009, 10:46
Bydliště: Londýn

11. 2. 2014, 9:12

Kilovolt píše:No funguje - otázka je jak spolehlivě, ono totiž při týhle frekvenci poznat vypadlej krok asi nebude legrace. Holt to asi bude chtít víc experimentů. Jinak já mám mesu 7i43 a mám drivery s TB6560 :lol:
Asi bych se nebál toho, že ta vstupní logika obvodu nestihne započítat nějaký mikrokrok, tam bude obyčejný kruhový čítač, který bude "ukazovat" výkonové části v jaké fázi kroku se nachází(kolik mikrokroků už bylo vykonáno) a tedy jaký proud má být na výstupu. Může se stát, že vypadne jeden celý krok a to tím, že se motor nestíhá udržet, utrhne se ze synchronismu, ale v dalším kroku se z nějakého důvodu opět chytí a jede dál. Ale nejpravděpodobnější a nejčastější je, že se utrhne úplně, motor se zastaví a výsledná chyba bude řádově centimetry :) Takže doměřit to půjde.
Uživatelský avatar
Kilovolt
Sponzor fora
Příspěvky: 829
Registrován: 21. 10. 2009, 9:59
Bydliště: Podřipák jak vyšitej!

11. 2. 2014, 10:41

No každopádně mi to na vyšší frekvence, než asi 20kHz, nechodí, ale to bude spíš dimenzováním motorů na strojku v kombinaci s třením v rybinách, než omezením integráče :mrgreen: . Prostě motor chytne rezonanci a utrum :oops: . Jinak jsem procházel jiný cnc fora a vypadá to tak, že asi nikoho nenapadlo zkusit takovejhle brutal overclocking :lol: , a proto bádejte, bádejte, bádejte... budu (a myslím nejen já) bedlivě sledovat :D
Elektrika je potvora-nejni vidět a kope jak divoká mula.
"Učíme se po celý život. Až na školní léta" - Gabriel Laub
Uživatelský avatar
Thomeeque
Příspěvky: 9559
Registrován: 30. 1. 2012, 10:20
Bydliště: Mimo ČR

11. 2. 2014, 10:54

GMAN píše:Jinak co se týče TB6560, tak dle datasheetu je doporučena maximální step fekvence 15 kHz!
Jo jo, to jsem si právě taky přečetl, zděsil se a založil toto vlákno ;)
Kilovolt píše:Jinak jsem procházel jiný cnc fora a vypadá to tak, že asi nikoho nenapadlo zkusit takovejhle brutal overclocking :lol:
Celej svět čekal na mojí SDG4046ku :mrgreen: Pro ní je to naprostá brnkačka..

Existuje pro MESU nějaký teoretický steprate limit (kdy bude ještě zvládat v pohodě řídit, generovat plynulý rampy atp.)?

T.
mimooborová naplavenina • kolowratský zázrak™ • NPS • GCU • HirthCalc • ncDP.ino
Odpovědět

Zpět na „cinske desky s TB-6560 cervena a modra“