Problém s driverem nebo motorem
Zdravím,
mám problém s rozchozením driverů. Zapojil jsem zdroj, oddělovací desku, driver i motor. Před zapojením jsem zdroj nastavil přesně na 24V. Po připojení k PC a do sítě motor začne pískat a nejde s ním pohnout. Když zapnu Mach3 a rozjedu program tak na oddělovací desce vidím (bliká LED) ,že jede ,ale motor se nehýbe. Nevíte čím by to mohlo být způsobeno?
Driver http://cnc.inshop.cz/3a/driverprokrokov ... ?ItemIdx=0
Motor http://cnc.inshop.cz/Krokov%C3%A9%20mot ... ?ItemIdx=3
Zdroj http://cnc.inshop.cz/24v/napajecizdrojp ... ?ItemIdx=3
Oddělovací deska http://cnc.inshop.cz/pro5driveru/lptodd ... ?ItemIdx=1
Předem děkuji za rady
mám problém s rozchozením driverů. Zapojil jsem zdroj, oddělovací desku, driver i motor. Před zapojením jsem zdroj nastavil přesně na 24V. Po připojení k PC a do sítě motor začne pískat a nejde s ním pohnout. Když zapnu Mach3 a rozjedu program tak na oddělovací desce vidím (bliká LED) ,že jede ,ale motor se nehýbe. Nevíte čím by to mohlo být způsobeno?
Driver http://cnc.inshop.cz/3a/driverprokrokov ... ?ItemIdx=0
Motor http://cnc.inshop.cz/Krokov%C3%A9%20mot ... ?ItemIdx=3
Zdroj http://cnc.inshop.cz/24v/napajecizdrojp ... ?ItemIdx=3
Oddělovací deska http://cnc.inshop.cz/pro5driveru/lptodd ... ?ItemIdx=1
Předem děkuji za rady
Tak ještě jednou 
- Přílohy
-
- mach3.bmp
- (886.15 KiB) Staženo 556 x
-
- mach3_2.bmp
- (886.15 KiB) Staženo 610 x
Zdravím vespolek,
mám zřejmě podobný problém.... když nemám propojovací desku zapojenou do PC, tak do motorů jde šťáva (ztuhnou). Jakmile propojovací desku zapnu do PC se zapnutým MACHem, tak z motorů se stane blátíčko. Po zapnutí G kódu kontrolky na řídících driverech blikají po aktivaci příslušné osy, ale motory nereagují. Po přečtení čísti fóra jsem došel na tip, že mám odpojit EN kabel mezi propojovací a řídící deskou. Toto řešení funguje, ale nejsem s tím spokojen. Jak docílím funkčnosti driverů i se zapojeným EN kabelem?
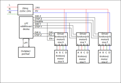
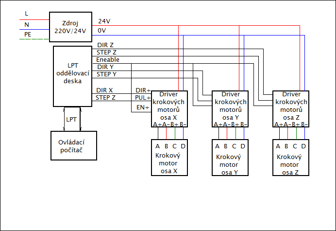
(V příloze fotka se zapojením propojovací desky, driverů a motorů)
Děkuji za rady
mám zřejmě podobný problém.... když nemám propojovací desku zapojenou do PC, tak do motorů jde šťáva (ztuhnou). Jakmile propojovací desku zapnu do PC se zapnutým MACHem, tak z motorů se stane blátíčko. Po zapnutí G kódu kontrolky na řídících driverech blikají po aktivaci příslušné osy, ale motory nereagují. Po přečtení čísti fóra jsem došel na tip, že mám odpojit EN kabel mezi propojovací a řídící deskou. Toto řešení funguje, ale nejsem s tím spokojen. Jak docílím funkčnosti driverů i se zapojeným EN kabelem?
(V příloze fotka se zapojením propojovací desky, driverů a motorů)
Děkuji za rady