Konektory pro připojení motorů do driver boxu

Dubinek
Příspěvky: 35
Registrován: 15. 1. 2014, 8:15
Bydliště: Praha

13. 10. 2014, 3:55

Ahoj,
Řeším připojení motorů do driver boxu a potřeboval bych poradit. Představuju si to tak, že box bude odpojitelnej od mašinky, tzn v boxu bude zdroj, odd. deska, drivery. Motory se k boxu budou připojovat přes konektory ( v boxu bude protikus zaveden do svorkovnice driveru). Ale jaké použít konektory? Co jsem hledal tady na fóru, narazil jsem snad jen na siemens konektory pro serva (ale ta cena a dostupnost.. :shock: :? ). Na googlu jsem našel např. připojení přes CANON konektory, co si o tom myslíte? Nebo DIN konektor?
Motory mají maximální baštění 2,5A a bojim se, jak by se to těmhle konektorům (ne)líbilo
Díky za postřehy :)
Uživatelský avatar
origosch
Příspěvky: 1286
Registrován: 19. 4. 2007, 10:39
Bydliště: Kladno

13. 10. 2014, 4:03

Canon na silovou část určitě ne-
[URL=https://matchnow.life]Super casual Dating[/URL]
RaS
Příspěvky: 8845
Registrován: 26. 3. 2009, 9:12
Bydliště: Úvaly

13. 10. 2014, 4:53

každej konektor má technickej list a tam je napsáno kolik snese.. a pokud se ti nechce hledat tak použij něco co se k tomu prodává.. třeba v cncshopu tam maj nabídku určitě vyšší než Canony..
věčný rýpal,který musí mít poslední slovo, odpůrce low-cost zařízení končících v naprosté většině případů v hromadě šrotu
uživatelé hýbátek, kteří mají z mých příspěvků celoživotní trauma nechť si mé příspěvky VYPNOU
Dubinek
Příspěvky: 35
Registrován: 15. 1. 2014, 8:15
Bydliště: Praha

13. 10. 2014, 5:21

No myslel jsem si, že canon by se mohl bránit intenzivnim plamenem :D
RaS: Vůbec mě nenapadlo, že by v datasheetu canonu mohla být zatížitelnost (když je to evidentně jenom pro malé proudy), ale vážně tam je! A činí 100 mA, takže určitě ne.
Koukal jsem teda na cncshop a objevil jsem tam XLR konektory, který jsem doteď nebral v úvahu, protože jsem je z audiotechniky znal jenom třípiny. Ale světe div se, dělají s v různých provedeních až snad po devítipin :idea: Prodejci u nich jsou v dokumentaci sice skromější, ale vzhledem ke kontaktní ploše to prostě musí zvládnout a jdu do nich :)
Díky za rady a tipy, moc pomohly :)
testone
Sponzor fora
Příspěvky: 7536
Registrován: 3. 12. 2010, 5:56
Bydliště: Slaný

13. 10. 2014, 5:24

otázka je co kdo myslí pod pojmem Canon
počítačovci říkají Canon těm konektorům s dvěma nebo třemi řadami pinů a lichoběžníkovým plechovým krytem co jsou vzadu ma PC třeba pro LPT
ty pro silovinu určitě ne
muzikanti říkají Canon (XLR) profi konektorům pro mikrofony a nf vedení sym. linky všeobecně
ty si nějakých 2,5 A ani nevšimnou
nejběžnější jsou 3 pinové, existují i 4 a 5 pinové
existují v desítkách provedení, jsou i za 30,-/ks
Obvykle se dějí věci obvyklé. Méně často se dějí věci neobvyklé a zcela vyjímečně se dějí věci vyjímečné...
Masturn 40 CNC, Hermle UWF1200H CNC a pár klasik
http://www.radialengine.cz" onclick="window.open(this.href);return false;
http://www.autopejsek.cz" onclick="window.open(this.href);return false;
Uživatelský avatar
Max
Příspěvky: 674
Registrován: 22. 9. 2009, 8:02
Kontaktovat uživatele:

13. 10. 2014, 5:28

Já jsem použil tyto:

http://www.tme.eu/cz/details/mic335/kon ... krofonove/#" onclick="window.open(this.href);return false;
http://www.tme.eu/cz/details/mic325/kon ... krofonove/#" onclick="window.open(this.href);return false;

Ale je tam i levnější set zásuvka + zástrčka: http://www.tme.eu/cz/details/ds1110-01- ... e/connfly/#" onclick="window.open(this.href);return false;
Dubinek
Příspěvky: 35
Registrován: 15. 1. 2014, 8:15
Bydliště: Praha

13. 10. 2014, 5:57

Jj, Canonama jsem původně myslel ty dvouřadý s mikropinama. Taky mi to přišlo divný a tak se radši ptám, tady to zřejmě nikomu svědomí nehlodalo :-D http://www.thebitbangtheory.com/2012/01 ... ler-board/" onclick="window.open(this.href);return false;

Nakonec ale teda objednávám xlr ze stránky od Maxe - díky za tip!
potraviny
Příspěvky: 1965
Registrován: 17. 9. 2009, 10:05
Bydliště: Most
Kontaktovat uživatele:

13. 10. 2014, 6:20

Max píše:Já jsem použil tyto:

http://www.tme.eu/cz/details/mic335/kon ... krofonove/#" onclick="window.open(this.href);return false;
http://www.tme.eu/cz/details/mic325/kon ... krofonove/#" onclick="window.open(this.href);return false;

Ale je tam i levnější set zásuvka + zástrčka: http://www.tme.eu/cz/details/ds1110-01- ... e/connfly/#" onclick="window.open(this.href);return false;
I já je tam narval, jsou to mikrofonní konektory.
http://www.ezk.cz/konektory_mikrofonni.htm" onclick="window.open(this.href);return false;
Uživatelský avatar
robokop
Site Admin
Příspěvky: 23276
Registrován: 10. 7. 2006, 12:12
Bydliště: Praha
Kontaktovat uživatele:

13. 10. 2014, 6:23

jo a i na tech canonech (mysleno treba DB9 D-SUB 9 a jine oznaceni) jde poslat vic amper proste jen zdvojis piny dle povoleneho proudoveho zatizeni
Vsechna prava na chyby vyhrazena (E)
RaS
Příspěvky: 8845
Registrován: 26. 3. 2009, 9:12
Bydliště: Úvaly

13. 10. 2014, 6:25

akorád při 100mA na pin budeš zdvojovat tak dlouho až dojdou.. :D
věčný rýpal,který musí mít poslední slovo, odpůrce low-cost zařízení končících v naprosté většině případů v hromadě šrotu
uživatelé hýbátek, kteří mají z mých příspěvků celoživotní trauma nechť si mé příspěvky VYPNOU
Uživatelský avatar
robokop
Site Admin
Příspěvky: 23276
Registrován: 10. 7. 2006, 12:12
Bydliště: Praha
Kontaktovat uživatele:

13. 10. 2014, 6:30

ja nekde cetl ze to ma mit dle datasheetu 5A na pin
jinde 3A
takze teoreticky pro vetsinu zdejsich aplikaci zdvojovat netreba ani v tom horsim pripade
jinak jestli si to pamatuju spravne nekdo testoval 45A poslat timto druhem konektoru a opakovatelne to fungovalo
Vsechna prava na chyby vyhrazena (E)
Mex
Příspěvky: 10287
Registrován: 6. 2. 2014, 10:29

13. 10. 2014, 6:53

Mezi Canony je velký rozdíl v povoleném zatížení (podle údajů výrobce). Protože to ale není primárně určeno jako výkonový konektor, tak to není moc sledovaný údaj, často ho výrobce ani neuvádí.
Jak je to s konkrétním konektorem je nejlepší změřit. Prostě tím pustit nějaký proud a změřit úbytek. Úbytek je přímo úměrný procházejícímu proudu, takže pro měření není ani třeba používat nějaké brutální proudy.
Naposledy upravil(a) Mex dne 13. 10. 2014, 8:59, celkem upraveno 1 x.
hobbyrobot
Příspěvky: 379
Registrován: 27. 12. 2011, 9:24
Kontaktovat uživatele:

13. 10. 2014, 7:06

Mikrofonní konektory typu MIC3xx mají povolené proudové zatížení 1 A na kontakt
Konektory D-sub (Cannon) mají překvapivě povolené zatížení 5 A na kontakt (krimpovací 3 A), typy HD (třeba ten od monitoru) mají povolené zatížení 2,5 A na kontakt. Viz zde.
Konektory XLR mají povolené zatížení 16 až 5 A na kontakt podle počtu pinů - čím víc, tím menší proud. Čtyřpinové snesou 10 A.
Pak ještě existují konektory SpeakON, které mají povolené zatížení 30 A.

Čili volba jasně padá na ty XLR nebo SpeakONy, už jenom kvůli jejich masivnosti.
jrt
hobbyrobot.cz, jederobot.cz
robodoupe.cz, forum.robodoupe.cz
Uživatelský avatar
Max
Příspěvky: 674
Registrován: 22. 9. 2009, 8:02
Kontaktovat uživatele:

13. 10. 2014, 8:04

Ty konektory v MIC335 mají tak 2-násobný průřez než ty na Canon D-Sub, tak se mi nějak nezdá, že by měly tak malou zatížitelnost.
Mex
Příspěvky: 10287
Registrován: 6. 2. 2014, 10:29

13. 10. 2014, 9:04

Jak už jsem psal, mezi Canony jsou rozdíly.
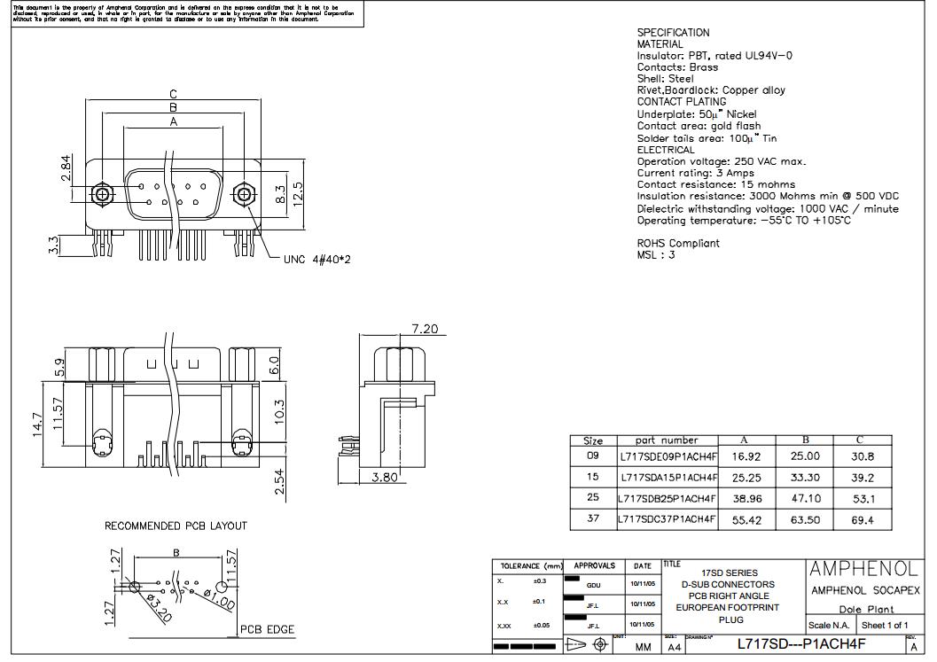
Třeba tady je konektor od Amphenolu s max. proudem 3A a od Connfly s proudem 1.5A. Jiné mají 5A, a někdy už jsem viděl dokonce 0.5A.
Ideální je změřit úbytek konkrétního konektoru.
Connfly_DSub.jpg
Amphenol_DSub.jpg
Odpovědět

Zpět na „Ostatní elektronika“