RichAuto - DSP řídicí systém z Číny
- robokop
- Site Admin
- Příspěvky: 23276
- Registrován: 10. 7. 2006, 12:12
- Bydliště: Praha
- Kontaktovat uživatele:
ja to nahrazoval gravosem http://www.gravos.cz" onclick="window.open(this.href);return false; neno info tady na foru
Vsechna prava na chyby vyhrazena (E)
Potřeboval bych nahradit řídicí systém RichAuto z Číny
systémem GRAVOS.
1. Jak bych připojil řídicí systém GRAVOS k driverům CNC stroje. Mohl by mi někdo poslat schéma.
2. Mohl bych řídicí systém RichAuto nahradit řízením pomocí PC + MACH3 . Jak bych připojil LPT konektor k driverům CNC stroje ?
3. Má někdo funkční systém RichAuto ?
systémem GRAVOS.
1. Jak bych připojil řídicí systém GRAVOS k driverům CNC stroje. Mohl by mi někdo poslat schéma.
2. Mohl bych řídicí systém RichAuto nahradit řízením pomocí PC + MACH3 . Jak bych připojil LPT konektor k driverům CNC stroje ?
3. Má někdo funkční systém RichAuto ?
adaagent píše:Potřeboval bych nahradit řídicí systém RichAuto z Číny
systémem GRAVOS.
1. Jak bych připojil řídicí systém GRAVOS k driverům CNC stroje. Mohl by mi někdo poslat schéma.
2. Mohl bych řídicí systém RichAuto nahradit řízením pomocí PC + MACH3 . Jak bych připojil LPT konektor k driverům CNC stroje ?
3. Má někdo funkční systém RichAuto ?
Řekni si Vostárkům jsou v tomto velice ochotní a schopní, pokud od nich koupíš desku nějaké GVE, tak ti doporučuji (protože jsi z Prahy) se u nich zastavit na Proseku a tam to proberete co a jak. Jinka mají luxusní podporu na telefonu, ochotně ti poradí s čímkoliv.
Elektrochemik holdující strojařině 
Doma: HOLZMANN 1222P, Holzstar DB 450, RP2300FCXJ, KITin1900HF
Práce: Gravos - GV30 s vřetenem Isel 750W, M3K 260, GV21 2A; StepFour - Precise 760; Comagrav - Zonda; CNC Singular - Airbrush; Felixprinters - Felix 3.1
Doma: HOLZMANN 1222P, Holzstar DB 450, RP2300FCXJ, KITin1900HF
Práce: Gravos - GV30 s vřetenem Isel 750W, M3K 260, GV21 2A; StepFour - Precise 760; Comagrav - Zonda; CNC Singular - Airbrush; Felixprinters - Felix 3.1
Čaute,
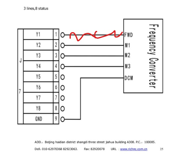
budu pomáhat kolegovi nahrazovat mrtvé RichAuto Mesou 7i96. Jedná se jednoduchý strojek s 5-ti drivery a 4-mi osami krokových motorů (1x gantry). Aby tento projekt nebyl tak nudný, tak tam má vřetenový driver MK300-4T4.OG-DK http://www.mkweir.com/ , což je asi kopie Panasonicu. Originální návod jsem k tomu nenašel a manuál od Panasonicku MK300 k tomu nesedí. Jelikož do vřetenového driveru nechci drbat (ať ho nezničím), tak jsem si nastudoval návod RichAuto: Už mám představu jak to pořeším softwarově v LinuxuCNC, ale netuším jak to zapojit. Asi mě bude čekat archeologie u toho mrtvého RichAuta a čeká mě zkreslení zapojení Y2, Y3, Y4.
Jedna z možností jak to může fungovat je, že RichAuto se chová jako relátko. Je to sice málo pravděpodobné, ale na druhou stranu tímto pokusem nic nezkazím. Zkusily jsme spojit Y2 a GND a vřeteno se neroztočilo. Takže tuto variantu mohu vyloučit.
Druhá z možností jak to může fungovat je, že podle aktivace výstupu, se na Y2, Y3, Y4 objevuje kladné napětí a na GND záporné. Problém je v tom, že nevím jaké napětí by tam mohlo být. Pokud zvolím 5V a ono to bude stavěné třeba na 6-36V, tak to může chodit nestabilně. Pokud zvolím 24V a ono to bude stavěné třeba na 4-6V, tak to můžu spálit.
Nebyl by ochotný někdo z Vás změřit napětí mezi Y2 nebo Y3 nebo Y4 a GND?
budu pomáhat kolegovi nahrazovat mrtvé RichAuto Mesou 7i96. Jedná se jednoduchý strojek s 5-ti drivery a 4-mi osami krokových motorů (1x gantry). Aby tento projekt nebyl tak nudný, tak tam má vřetenový driver MK300-4T4.OG-DK http://www.mkweir.com/ , což je asi kopie Panasonicu. Originální návod jsem k tomu nenašel a manuál od Panasonicku MK300 k tomu nesedí. Jelikož do vřetenového driveru nechci drbat (ať ho nezničím), tak jsem si nastudoval návod RichAuto: Už mám představu jak to pořeším softwarově v LinuxuCNC, ale netuším jak to zapojit. Asi mě bude čekat archeologie u toho mrtvého RichAuta a čeká mě zkreslení zapojení Y2, Y3, Y4.
Jedna z možností jak to může fungovat je, že RichAuto se chová jako relátko. Je to sice málo pravděpodobné, ale na druhou stranu tímto pokusem nic nezkazím. Zkusily jsme spojit Y2 a GND a vřeteno se neroztočilo. Takže tuto variantu mohu vyloučit.
Druhá z možností jak to může fungovat je, že podle aktivace výstupu, se na Y2, Y3, Y4 objevuje kladné napětí a na GND záporné. Problém je v tom, že nevím jaké napětí by tam mohlo být. Pokud zvolím 5V a ono to bude stavěné třeba na 6-36V, tak to může chodit nestabilně. Pokud zvolím 24V a ono to bude stavěné třeba na 4-6V, tak to můžu spálit.
Nebyl by ochotný někdo z Vás změřit napětí mezi Y2 nebo Y3 nebo Y4 a GND?
LinuxCNC - MESA 7i96
zz912.webnode.cz
zz912.webnode.cz
Já žádné bohaté auto nemám.
Ale zrovna tady bych žádný problém nehledal.
Ten měnič vypadá jako běžný frekvenční měnič, a ty jedou prakticky vždy na průmyslové 24V logice.
I v dokumentaci k tomu RichAuto všude používají standardní 24V logiku.
Otázkou by mohlo být, jestli chce řídit výstupama typu PNP nebo NPN.
Ale protože jsi ověřil, že při uzemnění signálu se nerozjede, tak to chce PNP.
Navíc i kdybys na vstup, který chce NPN, připojil PNP, tak se zase nic nestane. Jen se to nerozjede.
Prostě vezmi 24V zdroj a přes nějaký přiměřený odpor (řekněme tak něco v rozsahu 330R-1k) to připoj na některý ten vstup.
Země samozřejmě propojit.
Kdybys fakt nevěděl do čeho píchnout, tak nakonec můžeš to RichAuto rozdělat a podívat se, čím se spínají ty výstupy.
Když je stejně vadné, tak asi není problém ho rozmontovat.
Ale podle mě je to zbytečné.
Ale zrovna tady bych žádný problém nehledal.
Ten měnič vypadá jako běžný frekvenční měnič, a ty jedou prakticky vždy na průmyslové 24V logice.
I v dokumentaci k tomu RichAuto všude používají standardní 24V logiku.
Otázkou by mohlo být, jestli chce řídit výstupama typu PNP nebo NPN.
Ale protože jsi ověřil, že při uzemnění signálu se nerozjede, tak to chce PNP.
Navíc i kdybys na vstup, který chce NPN, připojil PNP, tak se zase nic nestane. Jen se to nerozjede.
Prostě vezmi 24V zdroj a přes nějaký přiměřený odpor (řekněme tak něco v rozsahu 330R-1k) to připoj na některý ten vstup.
Země samozřejmě propojit.
Kdybys fakt nevěděl do čeho píchnout, tak nakonec můžeš to RichAuto rozdělat a podívat se, čím se spínají ty výstupy.
Když je stejně vadné, tak asi není problém ho rozmontovat.
Ale podle mě je to zbytečné.