Driver s TB6560- vychytanie múch
Zdravím.
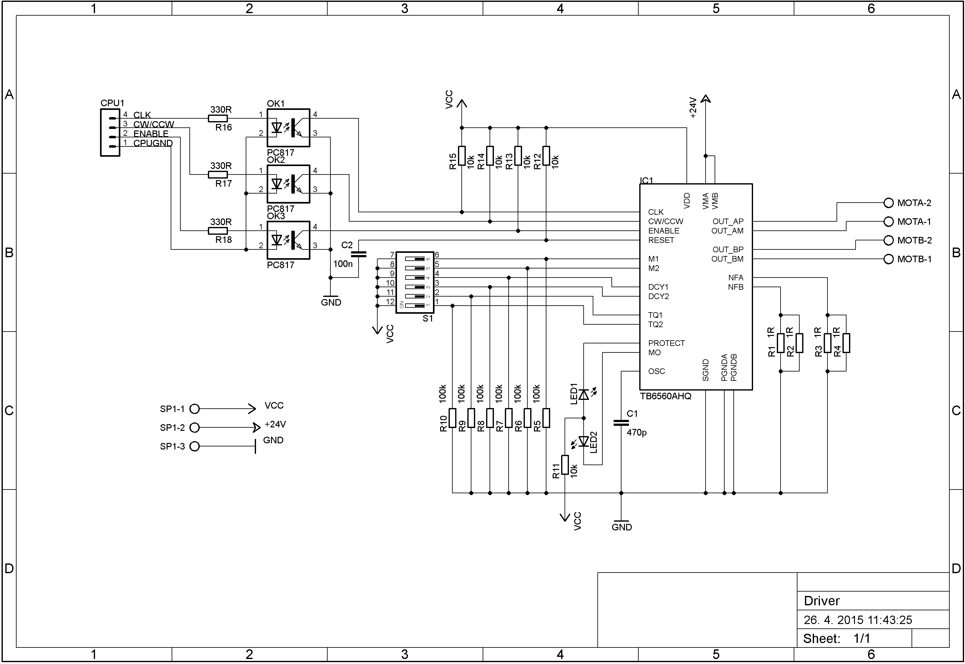
Chcel by som skúsiť postaviť driver krokového motoru (typ Nema 17) s čipom TB6560AHQ. Pri mojom návrhu som sa nechal inšpirovať schémou z http://www.c-n-c.cz/viewtopic.php?t=3876 (.rar súbor v treťom príspevku). Schéma je v prílohe.
Túto moju schému som zapojil na kontaktnom poli. Motor sa točil, niekedy sa na stotinku sekundy zasekol, znova sa rozbehol. Rýchlosť som zvyšoval až do 1 otáčky za sekundu, ale po ďalšom zrýchlení sa sekanie zvýraznilo, bolo čoraz častejšie. Taktiež som si všimol, že stačilo pohnúť káblikom ku GND a sekanie sa zvýraznilo. Nechal som toho tak, a na tretí deň, keď som to spustil (pred tým som vymenil zopár káblikov, zjednodušil som zapojenie na kontaktnom poli) tak vznikol skrat (možno?). Asi 13-krát som kontroloval zapojenie na kontaktnom poli, chybu som nenašiel ale doteraz to nejde (s najväčšou pravdepodobnosťou odpálená časť TB6560ky, motor sa netočí a na zdroji klesá napätia ako motyka na dno jazera).
Potreboval by som poradiť, čo by sa dalo zmeniť/zlepšiť/vymeniť na tom mojom zapojení. Mňa už napadlo:
1. Optočlen OK1, ktorý prenáša CLK, my zatiaľ stačil, v pohode stíhal kroky bez mikrokrokovania. Avšak v zapojení, z ktorého som sa inšpiroval, je ako optočlen použitý HCPL2630, asi preto, že je rýchlejší. Mal by som ho tam dať?
2. Vytvoriť pomocný obvod, ktorý by pri nečinnosti motora znižoval prúd tečúci doňho.
Budem vďačný za každú radu, určite je tu veľa z vás, ktorý s týmto obvodom už majú skúsenosti.
Chcel by som skúsiť postaviť driver krokového motoru (typ Nema 17) s čipom TB6560AHQ. Pri mojom návrhu som sa nechal inšpirovať schémou z http://www.c-n-c.cz/viewtopic.php?t=3876 (.rar súbor v treťom príspevku). Schéma je v prílohe.
Túto moju schému som zapojil na kontaktnom poli. Motor sa točil, niekedy sa na stotinku sekundy zasekol, znova sa rozbehol. Rýchlosť som zvyšoval až do 1 otáčky za sekundu, ale po ďalšom zrýchlení sa sekanie zvýraznilo, bolo čoraz častejšie. Taktiež som si všimol, že stačilo pohnúť káblikom ku GND a sekanie sa zvýraznilo. Nechal som toho tak, a na tretí deň, keď som to spustil (pred tým som vymenil zopár káblikov, zjednodušil som zapojenie na kontaktnom poli) tak vznikol skrat (možno?). Asi 13-krát som kontroloval zapojenie na kontaktnom poli, chybu som nenašiel ale doteraz to nejde (s najväčšou pravdepodobnosťou odpálená časť TB6560ky, motor sa netočí a na zdroji klesá napätia ako motyka na dno jazera).
Potreboval by som poradiť, čo by sa dalo zmeniť/zlepšiť/vymeniť na tom mojom zapojení. Mňa už napadlo:
1. Optočlen OK1, ktorý prenáša CLK, my zatiaľ stačil, v pohode stíhal kroky bez mikrokrokovania. Avšak v zapojení, z ktorého som sa inšpiroval, je ako optočlen použitý HCPL2630, asi preto, že je rýchlejší. Mal by som ho tam dať?
2. Vytvoriť pomocný obvod, ktorý by pri nečinnosti motora znižoval prúd tečúci doňho.
Budem vďačný za každú radu, určite je tu veľa z vás, ktorý s týmto obvodom už majú skúsenosti.
http://www.c-n-c.cz/viewtopic.php?f=113&t=12406&start=0" onclick="window.open(this.href);return false;
http://www.c-n-c.cz/viewtopic.php?f=48&t=13386&start=0" onclick="window.open(this.href);return false;
http://www.c-n-c.cz/viewtopic.php?f=106&t=10750#p106478" onclick="window.open(this.href);return false;
http://www.c-n-c.cz/viewtopic.php?f=17& ... 76#p133912" onclick="window.open(this.href);return false;
a najdeš tu mnoho dalšího
http://www.c-n-c.cz/viewtopic.php?f=48&t=13386&start=0" onclick="window.open(this.href);return false;
http://www.c-n-c.cz/viewtopic.php?f=106&t=10750#p106478" onclick="window.open(this.href);return false;
http://www.c-n-c.cz/viewtopic.php?f=17& ... 76#p133912" onclick="window.open(this.href);return false;
a najdeš tu mnoho dalšího
Optrony pomalé, pull-down odpory u přepínačů zbytečné, kondenzátor na OSC příliš velký (místo 470pF použit 100pF), chybí obvod pro snížení proudu stojící osy, odpory pro proudové omezení nastavené pro velmi malý proud (1A), LEDky celkem k ničemu.
Mnohem lepší driver koupíš na eBay pod 10 USD.
Pokud to chceš jenom na pokusy v kontaktním poli, tak se vykašli na LEDky a optrony, stejně budeš předpokládám používat společné napájení se zbytkem elektroniky.
Mnohem lepší driver koupíš na eBay pod 10 USD.
Pokud to chceš jenom na pokusy v kontaktním poli, tak se vykašli na LEDky a optrony, stejně budeš předpokládám používat společné napájení se zbytkem elektroniky.
zrovna ty pull-down bych nezatracoval, stačí se pos... spínač a můžeš (ale nemusíš) mít hazardní stav (jen bych jim dal míň). Pokud to jde, tak si vstupy ošetřuju, ale to je tím, že jsem starej dědek ze starý školyMex píše: .... pull-down odpory u přepínačů zbytečné, ...
Jinak souhlas, LED-ky jsou spíš taková třešnička, že to jede (ale taky je sem tam dám, alespoň na napájení...), optrony zbytečný, pokud se udělá dobře rozvod, stínění, zemnění.... s OSC. taky souhlas...
když se dá pořídil lepší hotovej, raději koupit, než se doma trápit, ale na druhou stranu, moje lepší polovička se udržuje ve stavu bdělosti heslem, "kdo si hraje, nezlobí..."
Nakonec:
těch pár odkazů, co jsem naházel jasně dokazuje, že si hrajeme a nezlobíme
- Kilovolt
- Sponzor fora
- Příspěvky: 829
- Registrován: 21. 10. 2009, 9:59
- Bydliště: Podřipák jak vyšitej!
Pull-down odpory integrovány na čipu - tolik dohadů bychom si ušetřili, kdyby konstruktéři jukli do datasheetu 
Elektrika je potvora-nejni vidět a kope jak divoká mula.
"Učíme se po celý život. Až na školní léta" - Gabriel Laub
"Učíme se po celý život. Až na školní léta" - Gabriel Laub
Ďakujem za všetky odpovede.
To by táto webová stránka asi neexistovala.
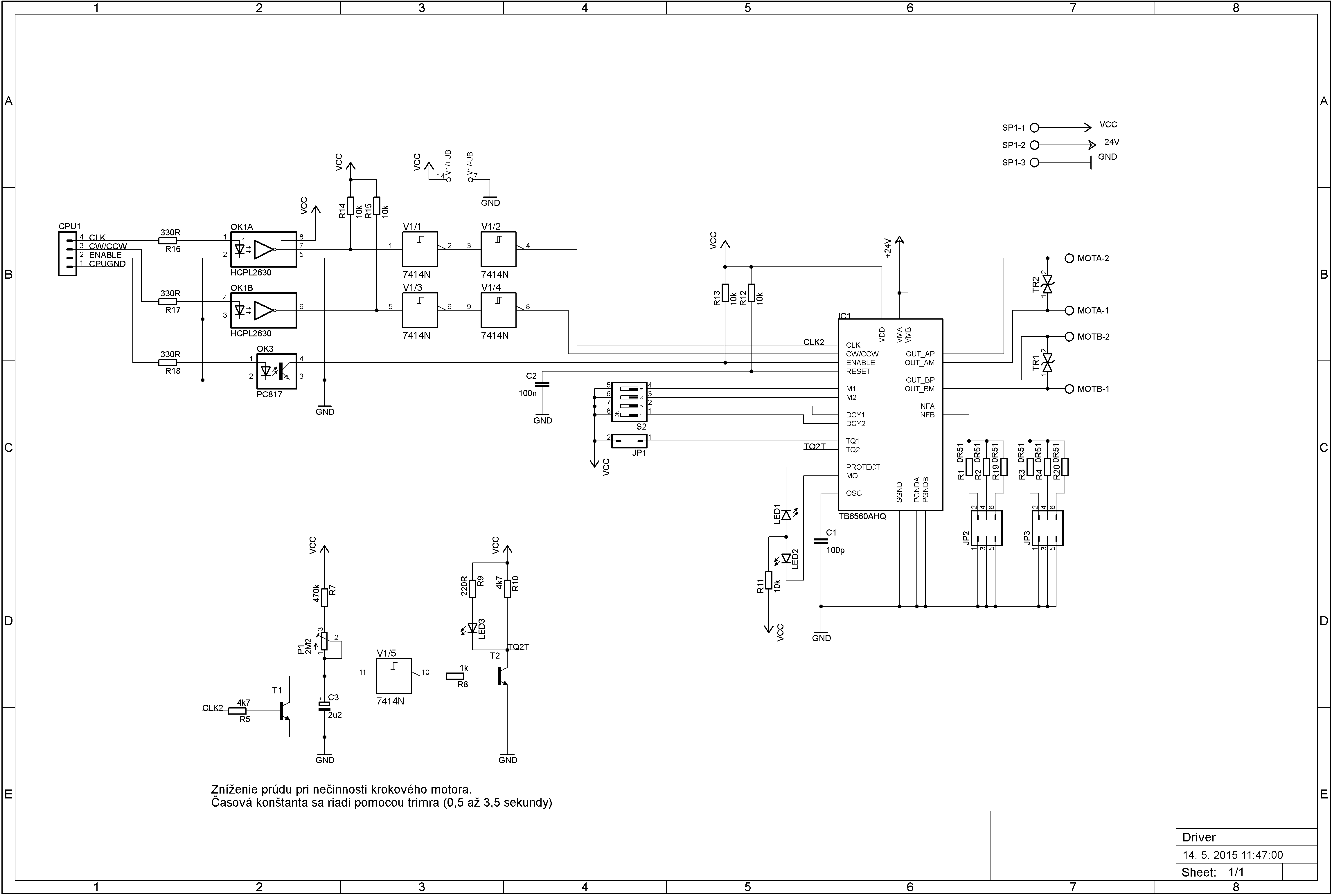
V prílohe sa nachádza aj už opravené zapojenie. Na výstupy do motorov som dal aj transily, tiež už použité v zapojení, čo som videl na internete.
Nahradil som ich už overenými HCPL2630 z iného zapojenia tu na webe. Za ne som ešte zapojil sériovo Schmittov obvod 7414N (asi zbytočne, ale v puzdre sa ich nachádza 6 a jeden som použil pri obvode, ktorý obmedzuje prúd pri nečinnosti motora, tak som aj tie ostatné nejak chcel využiť).Optrony pomalé
Už odstránené. Datasheet som čítal, ale videl som veľa zapojení, kde tam tie pull-down rezistory majú tak či tak.pull-down odpory u přepínačů zbytečné
Stalo sa.kondenzátor na OSC příliš velký (místo 470pF použit 100pF)
Už je tam, takmer taký istý ako v zapojení z tejto témy: http://www.c-n-c.cz/viewtopic.php?f=106&t=10750#p106478" onclick="window.open(this.href);return false; , ale ja som tam ešte pridal trimer na nastavenie času, za ktorý nastane zníženie prúdu pri nečinnosti motora (0,5 až 3 sec).chybí obvod pro snížení proudu stojící osy
Dal som tam 3 rezistory paralelne po 0,51R, kde každý sa dá odpojiť.odpory pro proudové omezení nastavené pro velmi malý proud
To síce áno, ale viac ma baví, keď si niečo postavím sám, ako kúpiť všetko z internetuMnohem lepší driver koupíš na eBay pod 10 USD.
V prílohe sa nachádza aj už opravené zapojenie. Na výstupy do motorov som dal aj transily, tiež už použité v zapojení, čo som videl na internete.
jeste prepetovku a bude to super
http://www.c-n-c.cz/viewtopic.php?f=48& ... 60#p133315" onclick="window.open(this.href);return false;
http://www.c-n-c.cz/viewtopic.php?f=48& ... 60#p133315" onclick="window.open(this.href);return false;
Proč ten trimr, napadá tě nějaký reálný využití (kdy bude 0.5s málo)?BlackJack píše:Už je tam, takmer taký istý ako v zapojení z tejto témy: http://www.c-n-c.cz/viewtopic.php?f=106&t=10750#p106478" onclick="window.open(this.href);return false; , ale ja som tam ešte pridal trimer na nastavenie času, za ktorý nastane zníženie prúdu pri nečinnosti motora (0,5 až 3 sec).chybí obvod pro snížení proudu stojící osy
Jinak "moje" (s dopomocí fóra) uspávadlo už jsi viděl? Sestává z pouhých tří součástek (pěti, pokud počítáš i LEDku), poskytuje rovnou pozitivní i invertovaný výstup a hlavně reaguje na hranu, díky čemuž reaguje okamžitě a je zcela nezávislé na šířce step pulzu, s čímž jsem měl u podobného zapojení, jaké jsi použil ty, docela problém (viz. začátek linkovaného vlákna). A ještě ti zbyde půlka 74123.
T.
mimooborová naplavenina • kolowratský zázrak™ • NPS • GCU • HirthCalc • ncDP.ino
ProsimBlackJack píše:Hm, dobre vymyslené, ďakujem za typ
IMHO neni. Ještě si zkontroluj, jestli se ti tam náhodou STEP a DIR neinvertují..BlackJack píše:Tým pádom my odpadá integráč 7414 (Schmittov obvod) a neviem, či je potrebný pri type optočlenov HCPL2630.
mimooborová naplavenina • kolowratský zázrak™ • NPS • GCU • HirthCalc • ncDP.ino
Step a Dir sa invertujú (keď ide nábežná hrana na optočlen, tak do TB6560 ide akuráto dobežná hrana, a naopak). Tak som to spravil tak, aby bola nábežná hrana aj pred optočlenom, aj na vstupe TB6560 zároveň (nechal som tam jeden Smitthov klopný obvod). Ak si teda myslel toto.
- Kilovolt
- Sponzor fora
- Příspěvky: 829
- Registrován: 21. 10. 2009, 9:59
- Bydliště: Podřipák jak vyšitej!
Přinejhorším zapojíš vstupy optočlenů proti plusu. Továrně vyráběný drivery to mají udělaný tak, že se to dá oběma styly- proti + i gnd . No a taky to jde nastavit v řídícím systému (myslím linuxcnc či mach)
Elektrika je potvora-nejni vidět a kope jak divoká mula.
"Učíme se po celý život. Až na školní léta" - Gabriel Laub
"Učíme se po celý život. Až na školní léta" - Gabriel Laub
Ono v podstatě neni zase až tak důležitý, jestli to zinvertuješ nebo ne, řídící systémy běžně umožňují polaritu těchto signálů nastavit, hlavně je důležitý mít to pod kontrolou. Zůstat pozitivní je asi malinko lepší, protože to je takový přirozenější a býva to defaultní hodnota, ale abys tam jen kvůli tomu cpal invertor je imho zbytečný. Navíc invertovat to lze i překonfigurovánim na vstupech optočlenů, jak píše Kilovolt (on to napsal v podstatě všechno, já to jen rozvinulBlackJack píše:Step a Dir sa invertujú (keď ide nábežná hrana na optočlen, tak do TB6560 ide akuráto dobežná hrana, a naopak). Tak som to spravil tak, aby bola nábežná hrana aj pred optočlenom, aj na vstupe TB6560 zároveň (nechal som tam jeden Smitthov klopný obvod). Ak si teda myslel toto.
EDIT: trochu vyjímka je signál ENABLE, tam je ještě zajímavý aspekt, jestli je při nezapojeném vstupu driver zaplej nebo ne (profi drivery to mívají tak, že ano, ale já jsem třeba spíš pro ne)
http://www.c-n-c.cz/viewtopic.php?f=17& ... 76#p133912" onclick="window.open(this.href);return false;BlackJack píše:Ešte by ma zaujímalo, ako je to s tou Power up/down sekvenciou. Podľa datasheetu je potrebná, ale podľa tých, čo už robili nejaké tie zapojenia, tak nie je potrebnáAko to máte spravené vy?
T.
mimooborová naplavenina • kolowratský zázrak™ • NPS • GCU • HirthCalc • ncDP.ino