22mm pouzdro pro laser - dodano ZMAZAT

Požadavky na výrobu dílů - poptávkové fórum
Pravidla fóra
Toto forum vyzaduje schvaleni prispevku moderatorem.
Odpovědět
Uživatelský avatar
marekzcke
Příspěvky: 297
Registrován: 26. 1. 2012, 2:04
Bydliště: Mladá Boleslav

31. 5. 2015, 6:35

Ahoj,
chtel bych si dat udelat 2x obrobek viz nize.
sestava laseru
sestava laseru
Detaily jsou tady
schema_pouzdra.pdf
koty
(17.22 KiB) Staženo 349 x
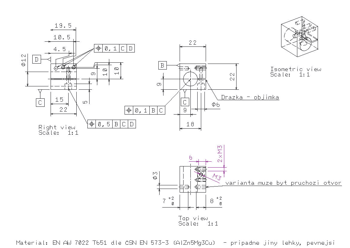
Jedna se o pouzdro pro laser. Neni to primarne urcene pro funkci chladice, ale pokud by jste meli lepsi alternativu pro vami dostupny material nebranim se tomu.

Ma predstava je, ze za pouziti teplovodive pasty ustavim laser v pouzdru a tmelem ho zafixuji. Laser ma prumer 11.93mm (mereno 400kc posuvkou). V pripade potreby muzu laser poskytnout k promereni.

Kdo by mel zajem o vyrobu kompletniho dilu vcetne M3 zavitu?
Jsem z Mlade Boleslavi a dokazu si pro to prijit do Liberce, Hradce, Kvasin, Prahy.. Teda spis severo-vychod Ceske republiky.

Budu rad za kazdou nabidku. Nespecha to. Do 5.6.2015 bych to chtel mit ale zadane s terminem dodani do 20.6.2015.
Naposledy upravil(a) marekzcke dne 13. 6. 2015, 7:57, celkem upraveno 1 x.
Rad kreslim v 3D. Ked je to zaujimave a nieco nove sa naucim, tak aj zadarmo.
potraviny
Příspěvky: 1965
Registrován: 17. 9. 2009, 10:05
Bydliště: Most
Kontaktovat uživatele:

31. 5. 2015, 6:44

Něco podobného jsem již dělal z Al
Přílohy
IMG-20150531-00164.jpg
Uživatelský avatar
marekzcke
Příspěvky: 297
Registrován: 26. 1. 2012, 2:04
Bydliště: Mladá Boleslav

1. 6. 2015, 4:49

Děkuji za inspiraci.
Vzal jsem si z tvého řešení princip objímky. Takhle je to technicky čistější :).

Aktualizoval jsem výkres. Mám zatím 3 nabídky všechny jsou v normě, rád bych ale osobní kontakt, případně alespoň obrázky prací když už nemá uživatel fóra ani jeden příspěvek. Je to pak loterie. Nerad bych měl hned na poprvé špatnou zkušenost.

Cena: startovací cena 500kč s materiálem za jednu sestavu, bez šroubků, jen naražené dva kolíčky. Vyzdvihnutí platí jak jsem psal na začátku.

Marek
Přílohy
SCHEMA_POUZDRA.jpg
SCHEMA_POUZDRA-SESTAVA.jpg
SCHEMA_POUZDRA_Sheet_1.pdf
(24.13 KiB) Staženo 254 x
SCHEMA_POUZDRA_Sheet_2.pdf
(12.66 KiB) Staženo 328 x
Rad kreslim v 3D. Ked je to zaujimave a nieco nove sa naucim, tak aj zadarmo.
Mex
Příspěvky: 10287
Registrován: 6. 2. 2014, 10:29

1. 6. 2015, 5:17

To je do tanku nebo do stíhačky? ;-)
Docela mě překvapilo, že tam máš požadavek na materiál Al 7022 nebo pevnější, lehký.
Skoro bych řekl, že na malý držák laseru do běžných podmínek by vyhověla jakákoli hliníková slitina, která se dá rozumně obrábět.
Uživatelský avatar
marekzcke
Příspěvky: 297
Registrován: 26. 1. 2012, 2:04
Bydliště: Mladá Boleslav

1. 6. 2015, 6:03

Myslel jsem to tak, ze to nemuze byt nerez, litina, med atd., ale jenom slitina AL.
500kc je samozrejme spodni hranice pac mi prisla nabidka na 300kc ale to se mi zdalo malo.
Chtel bych to mit dle moznosti co nejpresnejsi, pokud to nebude stacit budu muset v dalsi revizi upravit konstrukci, nebo zvysit presnost.
Rad kreslim v 3D. Ked je to zaujimave a nieco nove sa naucim, tak aj zadarmo.
RaS
Příspěvky: 8842
Registrován: 26. 3. 2009, 9:12
Bydliště: Úvaly

1. 6. 2015, 6:45

tak 5000,- když myslíš že to bude přesnější než za 300,- :D
ale vážně, říkáš tady něco o přesnosti a v tom výkresu není žádný tolerovaný rozměr.. a do takhle obecného se trefí "každej jouda" s hračkostrojem..
věčný rýpal,který musí mít poslední slovo, odpůrce low-cost zařízení končících v naprosté většině případů v hromadě šrotu
uživatelé hýbátek, kteří mají z mých příspěvků celoživotní trauma nechť si mé příspěvky VYPNOU
Uživatelský avatar
marekzcke
Příspěvky: 297
Registrován: 26. 1. 2012, 2:04
Bydliště: Mladá Boleslav

1. 6. 2015, 7:32

Ono neco tam je. Nechtel jsem mit otolerovany tvar kostky jako takovy. Mam za to, ze se to da udelat pravouhle aj na soustruhu a pak na horizontke se odpichnu od cela a jedu do der. Proto chtel bych mit umistnene presne alespon jeji otvory a to v tolerancim poli 0.1mm s pozadavkem na souosost tech dvou koliku. Takhle mi to prozatim staci, mam tam ve finale moznost jemne korekce.
Nechci to mit udelane zamocnikem na vrtacce. To bych si dokazal udelat sam. Trosku by to melo vypadat, ale 5000 je uz moc.
Rad kreslim v 3D. Ked je to zaujimave a nieco nove sa naucim, tak aj zadarmo.
Uživatelský avatar
marekzcke
Příspěvky: 297
Registrován: 26. 1. 2012, 2:04
Bydliště: Mladá Boleslav

13. 6. 2015, 7:54

Mam dodano.
Dekuji za pripominky a pomoc pri realizaci. Zas priste :)
Pouzdro-laser
Pouzdro-laser
Rad kreslim v 3D. Ked je to zaujimave a nieco nove sa naucim, tak aj zadarmo.
Odpovědět

Zpět na „Potřebuji vyrobit - vypomoc pri vyrobe“