poptavam vyrobu dvou dilu pro soustruh

Požadavky na výrobu dílů - poptávkové fórum
Pravidla fóra
Toto forum vyzaduje schvaleni prispevku moderatorem.
Odpovědět
awpe
Příspěvky: 66
Registrován: 30. 11. 2013, 11:38
Bydliště: Praha, zlicin

6. 4. 2016, 3:31

Dobry den,

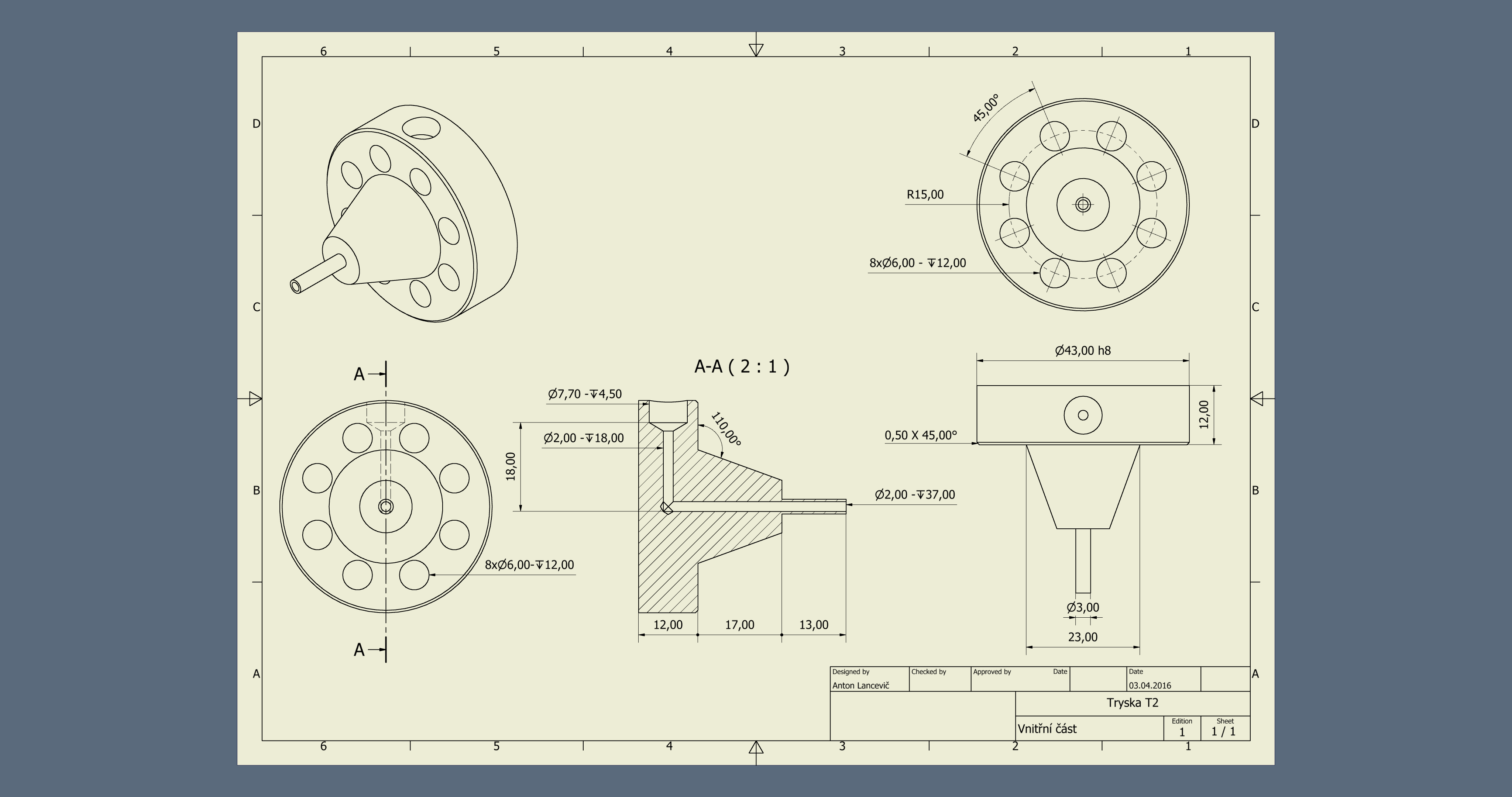
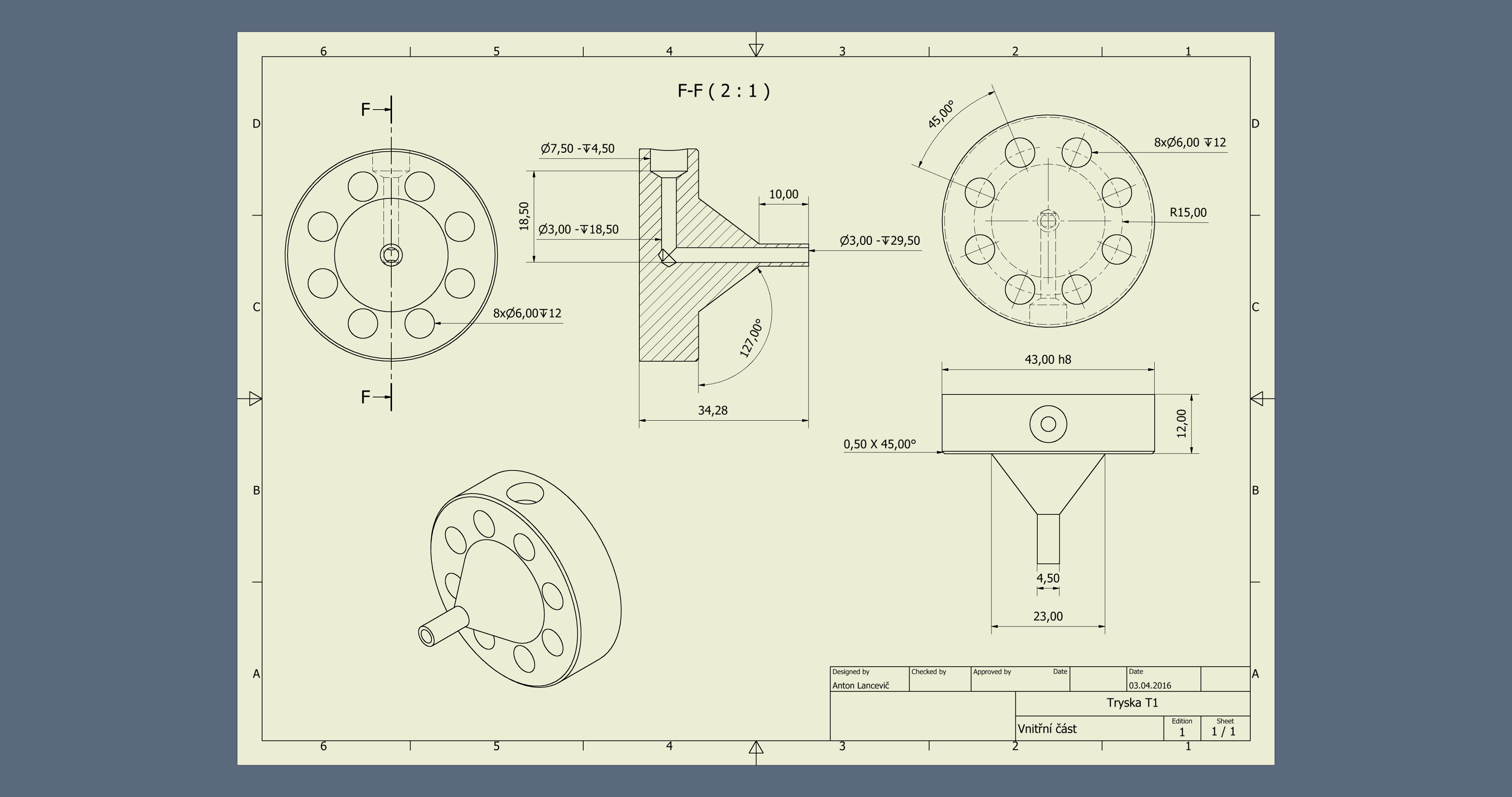
poptavam vyrobu dalsich dilu, potrebuju jeden kus kazdeho druhu. Material: libovolna ocel. Material je treba zajistit. Nabiky do SZ, prosim uvest cenu a termin dodani.

Pokud bude treba muzu zaslat modely v jinech 3d/2d formatech.

Obrazky:
t1.png
t1_2.png
t2_1.png
t2_2.png

Vykresy:
t1_acad04.dwg
(197.37 KiB) Staženo 258 x
t1_2_acad04.dwg
(190.34 KiB) Staženo 247 x
t2_1_acad04.dwg
(195.12 KiB) Staženo 259 x
t2_2_acad04.dwg
(189.21 KiB) Staženo 215 x
awpe
Příspěvky: 66
Registrován: 30. 11. 2013, 11:38
Bydliště: Praha, zlicin

6. 4. 2016, 8:57

nabizim 1500Kc za 1ks kazdeho druhu (celkem 4ks)
awpe
Příspěvky: 66
Registrován: 30. 11. 2013, 11:38
Bydliště: Praha, zlicin

7. 4. 2016, 9:17

2000Kc
awpe
Příspěvky: 66
Registrován: 30. 11. 2013, 11:38
Bydliště: Praha, zlicin

13. 4. 2016, 8:03

vyreseno, omlouvam se za komplikace s cenou, mel jsem na mysli, ze za vsechno 2000Kc, ale tech kusu je 4 ruznych takze po 1ks kazdeho druhu... :)
Odpovědět

Zpět na „Potřebuji vyrobit - vypomoc pri vyrobe“