Elektronický regulátor otáček minisoustruhu

ostatní motory, vřetena, regulace, snímaní otáček a jiné
Odpovědět
ladis1979
Příspěvky: 9
Registrován: 11. 1. 2009, 9:28

11. 1. 2009, 9:31

Dobrý den chtěl bych se zeptat zda někdo nemáte schéma plošného spoje regulátoru otáček minisoustruhu nebo radu čím nahradit nefunkční starý regulátor.Motor soustruhu je DC220V 400W. Moc děkuji za rady Láďa
Pupak
Příspěvky: 1457
Registrován: 28. 8. 2006, 8:12
Kontaktovat uživatele:

11. 1. 2009, 12:14

Kup si u BOW regulator na BF 20. Je pomerne kvalitni a levny.
ladis1979
Příspěvky: 9
Registrován: 11. 1. 2009, 9:28

11. 1. 2009, 2:01

Dík za typ. Jen se chci zeptat ta fréza BF 20 má stejnosměrnej motor na DC 220V ? Moc díky Láďa
Pupak
Příspěvky: 1457
Registrován: 28. 8. 2006, 8:12
Kontaktovat uživatele:

11. 1. 2009, 2:37

Motor DC 220V/600W. Proud si tam muzes krasne nastavit.
ladis1979
Příspěvky: 9
Registrován: 11. 1. 2009, 9:28

11. 1. 2009, 3:22

Aha tak to by bylo super.Nevíš co asi tak může stát?Jinak moc díky! Láďa
Pupak
Příspěvky: 1457
Registrován: 28. 8. 2006, 8:12
Kontaktovat uživatele:

11. 1. 2009, 8:30

Tusim kolem 1500 Kc.
ladis1979
Příspěvky: 9
Registrován: 11. 1. 2009, 9:28

22. 1. 2009, 7:24

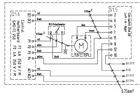
Pro pupak .Ještě jednou moc dík za typ.Jenom bych potřeboval odbornou radu při zapojení.Nechal jsem si od BOW poslat schéma zapojení regulátoru a není mi tam úplně jasná jedna pozice konkrétně od P4 na přepínač poz.12(žlutej) a pak (černej drát) od potenciometru na přepínač Poz.11. Já tam mam klasickej kolébkovej přepínač s 9 pozicema tak nevím jak na to..Co tam teče nebo proč to tam je? Moc díky Pupaku
Přílohy
schéma BF 20.JPG
Pupak
Příspěvky: 1457
Registrován: 28. 8. 2006, 8:12
Kontaktovat uživatele:

23. 1. 2009, 6:00

Jak koukam na to schema,tak ja jsem nikdy tu P4 ani den druhej drat (cernej) nepouzil. Jen zapojim potak a reverzaci delam na vystupu prehozenim polarity.Nic vic. O funkci P4 opravdu nic nevim,nebot jsem ji nikdy nepouzil.
Uživatelský avatar
Pavka
Příspěvky: 908
Registrován: 10. 3. 2008, 8:40
Bydliště: Ronov

23. 1. 2009, 8:18

Také se mi zničil regulátor u malého soustruhu NOEL se stejnosměrným motorem 230V / 400W. Tak jsem byl donucen si tento regulátor zkreslit.
Po té se mi regulátor podařilo opravit. Přidávám moje náčrty, snad někomu také pomohou.
Přílohy
Regulátor minisoustruhu - motor 400W.rar
(222.3 KiB) Staženo 3240 x
ladis1979
Příspěvky: 9
Registrován: 11. 1. 2009, 9:28

23. 1. 2009, 8:38

Dík za rady.Pupaku mluvil jsem s kamarádem a taky říkal že se mam na tu P4 a černej od poťáku vyprdnout. Tak to zkusím bez jak radíš.Jsem na to natěšenej ale ta deska od BOW ještě nedorazila.Pak dám hned vědět jestli se zakouřilo nebo ne. Díky Láďa
Pupak
Příspěvky: 1457
Registrován: 28. 8. 2006, 8:12
Kontaktovat uživatele:

23. 1. 2009, 8:42

U frezky BF20 je zapojen jen potak tak,jak jsem rikal.Nic jineho tam pripojene neni a ta svorka je prazdna. Jen je treba podle vykonu motoru nastavit max. proud.Ta regulace jenastavena na 5-6A pro 800W motor.Pokud mas soustruh s 400-600W motorem,je trba proud snizit na 3-4A.
ladis1979
Příspěvky: 9
Registrován: 11. 1. 2009, 9:28

24. 1. 2009, 7:48

Díky za radu.Jak to napětí snížím prosim tě ?Mam motor 400W.To se dělá nějakým trimrem nebo jak toho docílím? Díky moc Láďa
Pupak
Příspěvky: 1457
Registrován: 28. 8. 2006, 8:12
Kontaktovat uživatele:

24. 1. 2009, 8:11

Tam se nastavuje proud Imax. Je tam na to trimr a je popsanej.
ladis1979
Příspěvky: 9
Registrován: 11. 1. 2009, 9:28

24. 1. 2009, 2:46

Aha dík za radu až se v tom budu hrabat a náááhodou nebudu vědět ozvu se. Ahoj
ladis1979
Příspěvky: 9
Registrován: 11. 1. 2009, 9:28

28. 1. 2009, 8:50

Tak už jsem regulátor zapojil a chodí to jako hodinky.Nemohl jsem se od toho utrhnout.To napětí jsem nesnižoval jsou tam tři trimy jeden má nápis TORGUE, druhej V min a třetí V max.Myslíš, že je s tím potřeba kroutit? Jede to krásně nic se nehřeje nebo tak.Jestli jo tak to bude kterej ?Psal jsi trim název I max a tady je V max tak jsem s tím radši nic nedělal.Ale asi je to jedno a to samé.Že jo. Díky Láďa
Odpovědět

Zpět na „Ostatní elektromotory“