trn do pištole (na jemný soustruh)

Požadavky na výrobu dílů - poptávkové fórum
Pravidla fóra
Toto forum vyzaduje schvaleni prispevku moderatorem.
Odpovědět
Uživatelský avatar
Pepa z depa
Příspěvky: 1779
Registrován: 2. 12. 2012, 9:31
Bydliště: Hostěradice (Znojemsko)

24. 5. 2017, 6:29

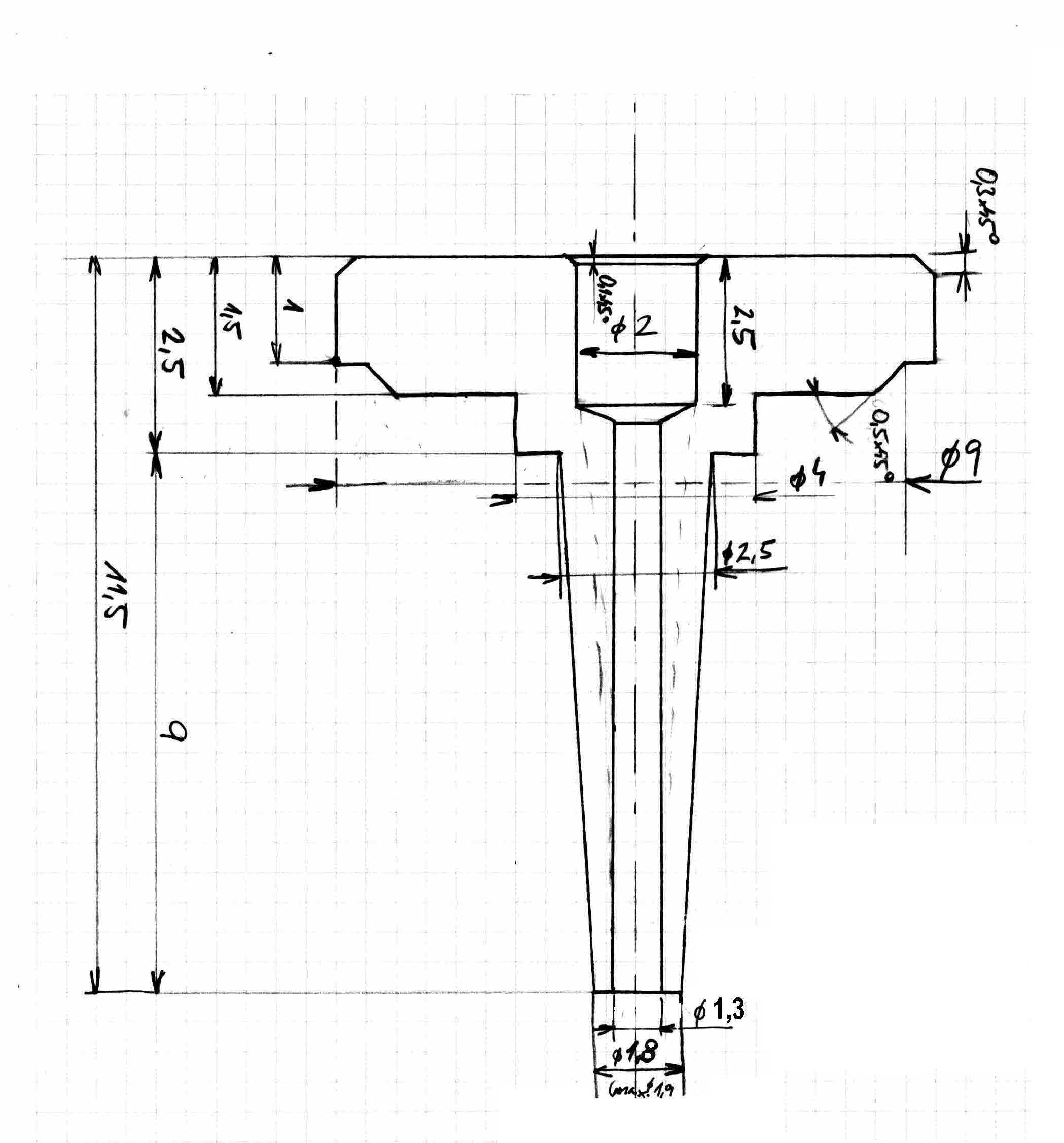
Zdarvím přátelé, jsem teď na roztrhání a slíbil jsem kamarádovi udělat delší trn na CO2 bombičky do vzduchové pistole, je to hodně malé, pokud by to někdo programoval na CNC, zaplatím i dva nebo tři kusy, když už bude program. Nabídněte prosím cenu, je to taková kravina, ale zabere hodně času, mat. něco tvrdého, nebo potom kalitelného, budu na tom brousit ještě oboustrannou špičku na lepší proražení - proříznutí Al fólie bombičky.
Díky Pepan
Přílohy
Dokument 01.jpg
Žiju abych tvořil, tvořím abych žil. www.PePeSysel.cz
máša: vřeteno voda 1,5kW, měnič Delta, 2Nm 3f 60V krokáče, Yako drivery, lineáry a kuličkáče Hiwin,
vynikající Gravos GVE-64 na 125kHz, rám 8mm ocel vylita plastbetonem, vše na masivním litinovém stole.
T.Andrlik
Příspěvky: 314
Registrován: 24. 10. 2014, 3:50

24. 5. 2017, 6:24

Ahoj, asi bych 1ks spichnul i na klasice kdyztak. Material jakej chces, mam tu vse, od automatovky po nastrojovku.
Odpovědět

Zpět na „Potřebuji vyrobit - vypomoc pri vyrobe“