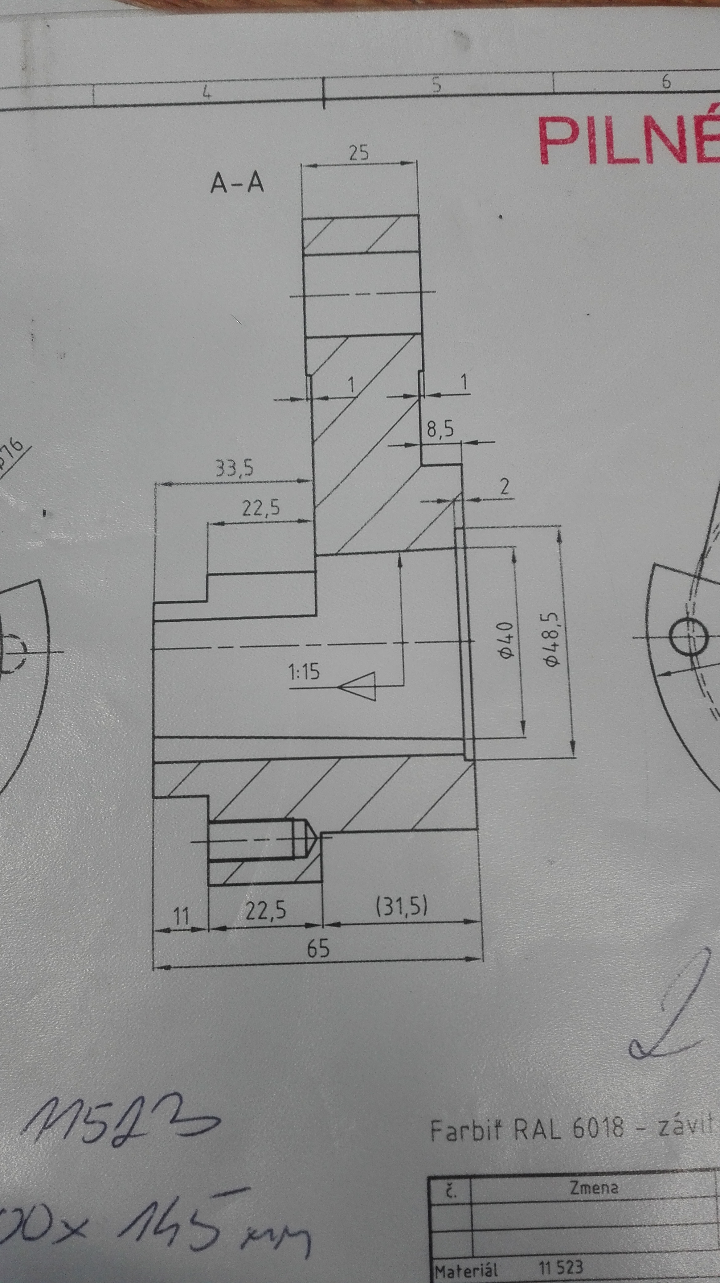
Kuželová díra

Odpovědět
michal55
Příspěvky: 6
Registrován: 23. 6. 2017, 7:56

28. 6. 2017, 8:40

Zdravim, prosimvas nevedel by nekdo jak v heidenhainu naprogramovat kuzelovou diru? Diky
Přílohy
14986355507161916411427.jpg
Nemoo
Příspěvky: 138
Registrován: 22. 2. 2014, 8:27

28. 6. 2017, 10:31

Spočítat si to? A poslat na konkrétní souřadnice?
Doosan Puma 2100L, Puma 3100L, Lynx 2100LMSA, DNM 500II, MCV 750, SPT 16 NC
piskoteek
Příspěvky: 875
Registrován: 3. 12. 2013, 7:54
Bydliště: Zlínský kraj
Kontaktovat uživatele:

28. 6. 2017, 1:43

No variant je víc,nebo ti to vyflustnu v camu a přiložím sem.
Výrobní ředitel, co nadělal poctivě hodně vagónů špon do hutí.
Uživatelský avatar
Thomeeque
Příspěvky: 9421
Registrován: 30. 1. 2012, 10:20
Bydliště: Mimo ČR

29. 6. 2017, 5:30

Nemoo píše:Spočítat si to? A poslat na konkrétní souřadnice?
Na frézce to takhle jednoduchý asi nebude..?
mimooborová naplavenina • kolowratský zázrak™ • NPS • GCU • HirthCalc • ncDP.ino
testone
Sponzor fora
Příspěvky: 7448
Registrován: 3. 12. 2010, 5:56
Bydliště: Slaný

29. 6. 2017, 6:02

Thomeeque píše:
Nemoo píše:Spočítat si to? A poslat na konkrétní souřadnice?
Na frézce to takhle jednoduchý asi nebude..?
bude
za předpokladu že by se to dělalo kulovkou jako kruhový kapsy po vrstvách se to celý redukuje na problém, o kolik ujet do strany při zabrání do hloubky o nějaký rozměr
tj. prachsprostý trojúhelník = přímá úměra
pak tam může ty kapsy nasypat pod sebe vždy jen s menším průměrem
v Heidenhainu by se to programovalo třeba jako kapsování v vložené do cyklu a poloměr kapsy měnit podle hloubky pomocí Q parametru
celý by to bylo tak na 20 řádek kodu
pro tu kulovku by to chtělo předhrubovat aby brala jen bokem
nebo by šlo jezdit odzhora dolů po šikmé přímce (rovnoběžné s povrchem) a pootáčet souřadný systém
Obvykle se dějí věci obvyklé. Méně často se dějí věci neobvyklé a zcela vyjímečně se dějí věci vyjímečné...
Masturn 40 CNC, Hermle UWF1200H CNC a pár klasik
http://www.radialengine.cz" onclick="window.open(this.href);return false;
http://www.autopejsek.cz" onclick="window.open(this.href);return false;
Uživatelský avatar
Thomeeque
Příspěvky: 9421
Registrován: 30. 1. 2012, 10:20
Bydliště: Mimo ČR

29. 6. 2017, 6:18

Tak jestli toto bylo schováno v tom spočítat si to a poslat na konkrétní souřadnice, tak pak jo, no :mrgreen: I když by tam asi mělo být něco i o toleranci a požadovaném povrchu..?
mimooborová naplavenina • kolowratský zázrak™ • NPS • GCU • HirthCalc • ncDP.ino
Odpovědět

Zpět na „CNC frézky“