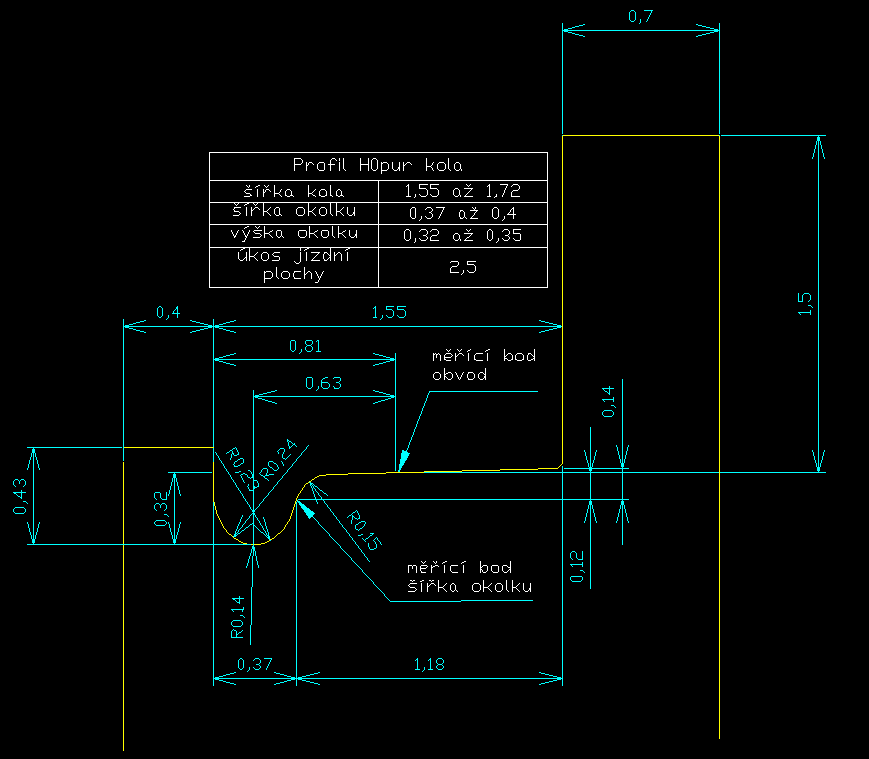
Dokáže prosím vás někdo udělat nůž z profilu na obrázku a kolik by to stálo ?
Díky Zdeněk
Dotaz na cenu výroby tvarového nože
Pravidla fóra
Toto forum vyzaduje schvaleni prispevku moderatorem.
Toto forum vyzaduje schvaleni prispevku moderatorem.
Neni problem, az na ten vnitrni roh v kterem bude min. R0.17 ostrejsi neumim.
Priprava cca 200-300,- (uctovano pouze 1x)
Nuz 150-200,-/1ks
Presne jsem to nepocital to je jen predbezny odhad. Do ceho to chces? do Radeka nebo do Tk? Ten matros na to mas? jaky ma format? V cene neni pripadna uprava materialu na format. Je to pouze za profil.
Presne informace az pri vaznem zajmu a upresneni zadani.
Na nozi umim i pripadne podrezat steny uhlem
Dalsi komunikace na martin@duzi.cz
Priprava cca 200-300,- (uctovano pouze 1x)
Nuz 150-200,-/1ks
Presne jsem to nepocital to je jen predbezny odhad. Do ceho to chces? do Radeka nebo do Tk? Ten matros na to mas? jaky ma format? V cene neni pripadna uprava materialu na format. Je to pouze za profil.
Presne informace az pri vaznem zajmu a upresneni zadani.
Na nozi umim i pripadne podrezat steny uhlem
Dalsi komunikace na martin@duzi.cz
Nenapadlo tě Martine udělat základní sadu nožů z radeka 10x10 a prodávat to? To by si jistě každý hobista koupil jako startovní sadu.
Me toho napada dost, ale nestiham to realizovat 
Jeste, ze mame ty Cinany, a ze nam trochu pomahaj

Jeste, ze mame ty Cinany, a ze nam trochu pomahaj
Oni to právě nedělají viděl jsme to kdesi jen u jedný firmy ale s výměnejma destičkama. Mít sadu s podříznutejma hranama a zalapovat si ji, by la by to síla.
- Zdenek Valter
- Příspěvky: 5459
- Registrován: 9. 1. 2009, 5:16
- Bydliště: Ústí n. L.
Dík za nabídku, ale předpokládám, že by se tím změnila celá geometrie okolku. Musel bys pak předělat i ty navazující rádiusy.Pupik píše:Neni problem, az na ten vnitrni roh v kterem bude min. R0.17 ostrejsi neumim.
Priprava cca 200-300,- (uctovano pouze 1x)
Nuz 150-200,-/1ks
Presne jsem to nepocital to je jen predbezny odhad. Do ceho to chces? do Radeka nebo do Tk? Ten matros na to mas? jaky ma format? V cene neni pripadna uprava materialu na format. Je to pouze za profil.
Presne informace az pri vaznem zajmu a upresneni zadani.
Na nozi umim i pripadne podrezat steny uhlem
Dalsi komunikace na martin@duzi.cz
Zeptám se ještě jinak je tohle technologicky možné vyrobit ?
Jinak to určitě to budu chtít i s materiálem - Radeko výška 8 šířka na daný profil tedy 2,65 mm s podřezáním pod úhlem na mosaz.
Ten radius 0,15 tam ale není vnitřní! Je vnější!Pupik píše:Neni problem, az na ten vnitrni roh v kterem bude min. R0.17 ostrejsi neumim.
Priprava cca 200-300,- (uctovano pouze 1x)
Nuz 150-200,-/1ks
Presne jsem to nepocital to je jen predbezny odhad. Do ceho to chces? do Radeka nebo do Tk? Ten matros na to mas? jaky ma format? V cene neni pripadna uprava materialu na format. Je to pouze za profil.
Presne informace az pri vaznem zajmu a upresneni zadani.
Na nozi umim i pripadne podrezat steny uhlem
Dalsi komunikace na martin@duzi.cz
Je tam ještě nekotovaný "ostrý roh" který by ale podle mého soudu nemusel být ostrý. Ostatně ten nůž by chtěl malinký doladění. Řekl bych že tam nikde nebude kritický místo pro drát....
Předpokládám výrobu drátořezem.
- Zdenek Valter
- Příspěvky: 5459
- Registrován: 9. 1. 2009, 5:16
- Bydliště: Ústí n. L.
Dík za vysvětlení - já jsem právě taky u známého taky narazil na minimální radius a proto jsem se zeptal tu, kde mne ještě nikdo nenechal ve štychu.Engineer píše:Ten radius 0,15 tam ale není vnitřní! Je vnější!Pupik píše:Neni problem, az na ten vnitrni roh v kterem bude min. R0.17 ostrejsi neumim.
Priprava cca 200-300,- (uctovano pouze 1x)
Nuz 150-200,-/1ks
Presne jsem to nepocital to je jen predbezny odhad. Do ceho to chces? do Radeka nebo do Tk? Ten matros na to mas? jaky ma format? V cene neni pripadna uprava materialu na format. Je to pouze za profil.
Presne informace az pri vaznem zajmu a upresneni zadani.
Na nozi umim i pripadne podrezat steny uhlem
Dalsi komunikace na martin@duzi.cz
Je tam ještě nekotovaný "ostrý roh" který by ale podle mého soudu nemusel být ostrý. Ostatně ten nůž by chtěl malinký doladění. Řekl bych že tam nikde nebude kritický místo pro drát....
Předpokládám výrobu drátořezem.
Vsak ja jsem myslel ten vnitrni ostry roh. S profilem nemam zadny problem, sice tam je jeste nejaky R0.14, ale to je spis nejaka anomalie konstruktera, tyhle delky s touto presnosti jsou prakticky nezmeritelne. ( vyjma atomovy mikroskop
)
Pokud by ten ostry roh byl dulezity, tak je tam pak nutno vlitnout diamantem pod optikou. (normalni sedy kotouc ma totiz hranu vetsinou vetsi nez R0.1), ale to u nas bohuzel neumime.
Doporucuji znovu uvazit o jak maly radius jde a na tocene soucastce je to spis k dobru, nebot hrany se vetsinou srazeji radiusy 0.2 a vice.
Pokud by ten ostry roh byl dulezity, tak je tam pak nutno vlitnout diamantem pod optikou. (normalni sedy kotouc ma totiz hranu vetsinou vetsi nez R0.1), ale to u nas bohuzel neumime.
Doporucuji znovu uvazit o jak maly radius jde a na tocene soucastce je to spis k dobru, nebot hrany se vetsinou srazeji radiusy 0.2 a vice.
Ten profil tam musí takhle být, je to kvůli maketovosti....Sice taky nevím jak to někdo zkontroluje, ale ????Pupik píše:Vsak ja jsem myslel ten vnitrni ostry roh. S profilem nemam zadny problem, sice tam je jeste nejaky R0.14, ale to je spis nejaka anomalie konstruktera, tyhle delky s touto presnosti jsou prakticky nezmeritelne. ( vyjma atomovy mikroskop)
Pokud by ten ostry roh byl dulezity, tak je tam pak nutno vlitnout diamantem pod optikou. (normalni sedy kotouc ma totiz hranu vetsinou vetsi nez R0.1), ale to u nas bohuzel neumime.
Doporucuji znovu uvazit o jak maly radius jde a na tocene soucastce je to spis k dobru, nebot hrany se vetsinou srazeji radiusy 0.2 a vice.
To sražení by bylo podle mého ideální dělat druhým solo nástrojem, který by srazil jen tuhle hranu a třetí nástroj pak na finální upíchnutí. Není to ale technologie na konvenční soustruh....
Brousit to sražení v tom rohu na tomhle noži na brusce.....no nevím, to by asi bylo o dost penězích....