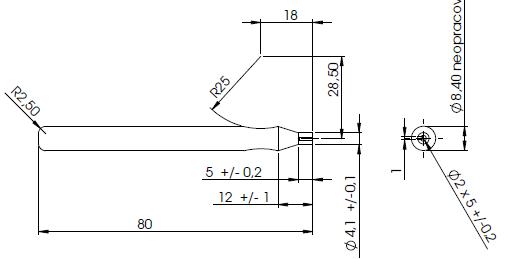
poptávám výrobu - případně i jen část operací 300 ks tyček z POM-C 8 x 1000 mm
chtělo by to CNC soustruh s podavačem (nejpracnější je na klasice soustruhu tyčku 600x upnout) a udělat minimálně stočení na pr.5 a středový otvor 2mm + zaoblení konce.
Pokud máte poháněný nástroj tak třeba ještě i 1mm x 5mm drážku
jednoduché POM-C tyčky
Pravidla fóra
Toto forum vyzaduje schvaleni prispevku moderatorem.
Toto forum vyzaduje schvaleni prispevku moderatorem.
- Přílohy
-
- poptavka.pdf
- (18.78 KiB) Staženo 304 x
Víťa - BF20 - upraveno na CNC + Mach3 + SS, soustruh CJM250, MK3 Průša, ostřička nástrojů
nepoptávám často - koukám, že asi musím text doplnit
doklad za práci výhodou.
tyčky dokážu vyrobit v podstatě sám, jen mne děsí, že na klasickém soustruhu jde o 600 upínání a to se mi nechce (to vyjde časově drahé) - proto poptávám práci na CNC soustruhu s podáváním materiálu.
Pokud bude poháněný nástroj, tak by šlo udělat rovnou i 1mm drážku (ale s tím moc nepočítám, neb CNC s poháněným nástrojem nikdo na toto asi nastavovat nebude)
frézovat drážku a plošky půjde v přípravku a to už dokážu dost rychle také sám - ale nebráním se rozumné nabídce.
tedy nabídka, že to asi umíte udělat je příjemná, ale nic neřeší. Nabídněte co z toho umíte udělat a co za to a kdy.
Materiál na to už mám.
doklad za práci výhodou.
tyčky dokážu vyrobit v podstatě sám, jen mne děsí, že na klasickém soustruhu jde o 600 upínání a to se mi nechce (to vyjde časově drahé) - proto poptávám práci na CNC soustruhu s podáváním materiálu.
Pokud bude poháněný nástroj, tak by šlo udělat rovnou i 1mm drážku (ale s tím moc nepočítám, neb CNC s poháněným nástrojem nikdo na toto asi nastavovat nebude)
frézovat drážku a plošky půjde v přípravku a to už dokážu dost rychle také sám - ale nebráním se rozumné nabídce.
tedy nabídka, že to asi umíte udělat je příjemná, ale nic neřeší. Nabídněte co z toho umíte udělat a co za to a kdy.
Materiál na to už mám.
Víťa - BF20 - upraveno na CNC + Mach3 + SS, soustruh CJM250, MK3 Průša, ostřička nástrojů