Poškodené vreteno, vôľa
Zdravím,
dnes som sa pokúšal vycentrovať obrobok v lícnej doske, ale nech som sa snažil ako som chcel, nepodarilo sa mi nastaviť menšiu odchýlku ako 0,1mm. Nakoniec som zistil, že celé vreteno mi behá o 0,1mm. Pritiahnuť sa to viac nedá, už teraz ide vreteno v jednom mieste ťažšie.
https://www.youtube.com/watch?v=naIhNMJ ... e=youtu.be
Vyzerá to, ako keby mala kužeľová časť vretena na ktorú dosadá púzdro tvar "vajca". V jednej polohe je vôľa do strán a hore-dolu nie je skoro žiadna, po pootočení o 90° už je vôľa hore-dolu a do strán je bez vôle. Aj pri otáčaní vretena je cítiť, že v jednom mieste ide ťažšie. Na videu je vidno ako vreteno "poskakuje" pri otáčaní.
https://www.youtube.com/watch?v=S8Bm1qzFc5I
Vyzerá to, že budem musieť nechať prebrúsiť tú kuželovú časť vretena ktorá dosadá na púzdro. Asi to bude treba aj pochrómovať, neviem aká silná vrstva je tam od výroby. Poznáte niekoho na liptove, prípadne v okolí žiliny kto by mi to vedel spraviť? Prípadne to môžem poslať aj ďalej, ale najradšej by som to tam zaniesol osobne.
Ďakujem
dnes som sa pokúšal vycentrovať obrobok v lícnej doske, ale nech som sa snažil ako som chcel, nepodarilo sa mi nastaviť menšiu odchýlku ako 0,1mm. Nakoniec som zistil, že celé vreteno mi behá o 0,1mm. Pritiahnuť sa to viac nedá, už teraz ide vreteno v jednom mieste ťažšie.
https://www.youtube.com/watch?v=naIhNMJ ... e=youtu.be
Vyzerá to, ako keby mala kužeľová časť vretena na ktorú dosadá púzdro tvar "vajca". V jednej polohe je vôľa do strán a hore-dolu nie je skoro žiadna, po pootočení o 90° už je vôľa hore-dolu a do strán je bez vôle. Aj pri otáčaní vretena je cítiť, že v jednom mieste ide ťažšie. Na videu je vidno ako vreteno "poskakuje" pri otáčaní.
https://www.youtube.com/watch?v=S8Bm1qzFc5I
Vyzerá to, že budem musieť nechať prebrúsiť tú kuželovú časť vretena ktorá dosadá na púzdro. Asi to bude treba aj pochrómovať, neviem aká silná vrstva je tam od výroby. Poznáte niekoho na liptove, prípadne v okolí žiliny kto by mi to vedel spraviť? Prípadne to môžem poslať aj ďalej, ale najradšej by som to tam zaniesol osobne.
Ďakujem
Tos C45-2000
Aj to je možné, ale neviem si predstaviť silu ktorá by skrivila takéto vreteno. Navyše keby bolo krivé, tak by sa podľa mňa neskrivilo v tom najhrubšom mieste (tam kde dosadá na púzdro). Zajtra to dúfam rozoberiem a budem múdrejší.
Tos C45-2000
zbýňa má pravdu tak jak já soudí dle toho že vřeteno jde v jednom místě ťažšie
ono se zdá že vřeteno respektive hřídel že je velmi tuhá ale je to trubka se slabou stěnou a stačí vetší naboření a šiška je na světě
tu matici předního ložiska utahovalo nějaké hovado majzlem brrr a kdo ví jakou má historii ta 18-ka-R
edit mrknul jsem na druhé video 18-ka to není asi vollman ale je vidět jak se při otáčení zmenšuje a zvětšuje vůle mezi pouzdrem a hřídelí vřetena to je jasný úkaz toho, že je hřídel ohlá
ono se zdá že vřeteno respektive hřídel že je velmi tuhá ale je to trubka se slabou stěnou a stačí vetší naboření a šiška je na světě
tu matici předního ložiska utahovalo nějaké hovado majzlem brrr a kdo ví jakou má historii ta 18-ka-R
edit mrknul jsem na druhé video 18-ka to není asi vollman ale je vidět jak se při otáčení zmenšuje a zvětšuje vůle mezi pouzdrem a hřídelí vřetena to je jasný úkaz toho, že je hřídel ohlá
Gdyž sa chce, tak ide fšecko...
poškozené hřídele se před opravou chromují tím se nanese určitá vrstva průměr se zvětší a následně se to obrousí..jenže když se nemáš čeho chytit a je to ohlé tak se to musí nejdřív narovnat aby to běželo aspoň ve stovce je tu jeden člověk co to umí
akorát bych ho nerad "zaměstnal" takže zadavatel tématu musí hledat

akorát bych ho nerad "zaměstnal" takže zadavatel tématu musí hledat
Gdyž sa chce, tak ide fšecko...
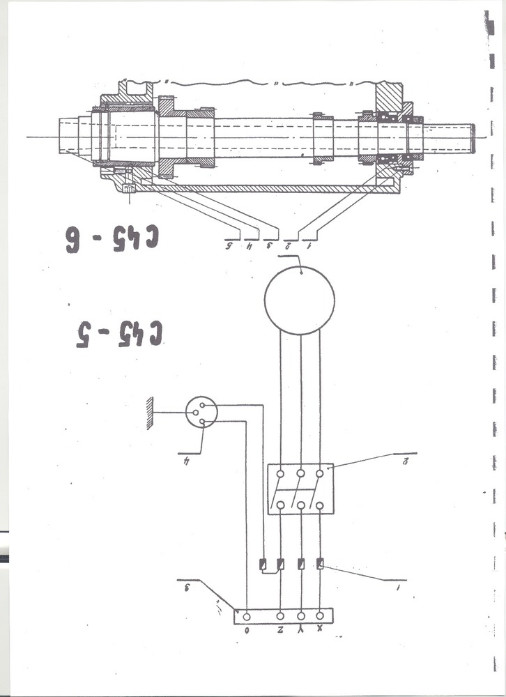
Asi máte pravdu, naozaj to bude ohnuté. Nie je to volman ani sv18, je to TOS C-45. Inak je to až taký veľký problém ak je to vreteno mierne ohnuté? Nedá sa proste zbrúsiť trochu viac materiálu, až kým to nebude bežať v rovine? Je to 70 ročný sústruh na domáce hranie, takže to vreteno nemusí bežať v tisícine. Ani nejaká nevyváženosť nebude problém, má to max. 900rpm. To púzdro je kužeľové a zatláča sa smerom na vreteno, takže aj keby sa z vretena ubralo viac materiálu, až tak by to nevadilo. Tu je nákres vretena, až tak tomu nerozumiem ako to vlastne funguje (predsa len som elektrikár a nie strojár
)

Tos C45-2000
no háže to hodně jde o to, že to ničí bronzové pouzdro a neběží to po celé ploše pouzdra můžeš tam nasadit přírubu univerzály a osoustružit její čelo a osadit univerzálu a bude to fungovat ale jen do té doby než se ti vymele to pouzdro a budeš mít vůli v uložení...pak bude nemožné upichovat bez chvění a i podélné soustružení nebude ok, protože vůle ve vřetenu=vibrace+ chvění
Gdyž sa chce, tak ide fšecko...
nech to narovnat jde to nemůžeš dát brousit šišku, bo jaksi na brusce to musíš nějak upnout prostě takto jak to je to borusit nejde..
né že by nešlo, ale brusič bude muset hodně obrousit a i tak to nebude vše běžet souose
né že by nešlo, ale brusič bude muset hodně obrousit a i tak to nebude vše běžet souose
Gdyž sa chce, tak ide fšecko...
Mám známych čo robia na lisoch, ale bojím sa, že keby som im to dal do rúk tak sa mi to vráti dokurvené viac ako je to teraz. Vedel by si mi teda poradiť, kto by to vedel spraviť? Ideálne keby to bol niekto, kto by to dokázal vystrieť a rovno aj prebrúsiť a pomerať. Netreba mi nejakú extra presnosť, budem spokojný ak to bude bežať do stotiny, príruby si aj tak zrovnám.
Tos C45-2000
To se nerovná pod lisem, ale na velkém soustruhu přípravkem, který se podobá velkému stahováku, ten má místo ramen háky. Vždy se někde, kde je potřeba "zabere", pak se to poměří na házivost a pořád dokola, až je to vyrovnané dle požadavku, nebo možností.
rovnání předchází: demontáž vřetena, proměření házivosti na prizma podložkách a tušírovací desce, popis naměřených hodnot přímo na vřeteno, pak se musí použít mozek, a teprve pak se rovná s tím že: vřeteno se podloží prizma podložkama na vhodných místech to záleží podle toho jak a kde je to prohnuté, pak se to dá s pod hydraulický lis. Na měřící body se dají 2 úchylkoměry a rovná se.
Toť teorie v praxi to skutečně dobře narovnat umí pár lidí v republice. jakmile jednou uděláš nesprávný pokus o rovnání, tak přidáš další "vlnu"
Toť teorie v praxi to skutečně dobře narovnat umí pár lidí v republice. jakmile jednou uděláš nesprávný pokus o rovnání, tak přidáš další "vlnu"
Gdyž sa chce, tak ide fšecko...