3D tisk plastové dorazy
Pravidla fóra
Toto forum vyzaduje schvaleni prispevku moderatorem.
Toto forum vyzaduje schvaleni prispevku moderatorem.
Zdravím,
poptávám možnost výroby plastových dorazů 3D tiskem viz. foto. Žádná extra přesnost, jedná se o pružný měkčí materiál, typ ani složení bohužel neznám. Výkres nemám, pouze vzorek. Objem výroby 50 - 100 ks měsíčně. Upřesním do SZ nebo na email. Zajímá mě cca cena. Díky za případné nabídky.
poptávám možnost výroby plastových dorazů 3D tiskem viz. foto. Žádná extra přesnost, jedná se o pružný měkčí materiál, typ ani složení bohužel neznám. Výkres nemám, pouze vzorek. Objem výroby 50 - 100 ks měsíčně. Upřesním do SZ nebo na email. Zajímá mě cca cena. Díky za případné nabídky.
Nebojím se dělat rukama a používat hlavu.
Nalejt do lukoprénové formy ,cena pružnýho matroše tak 800-1200/kg ,to snad zvládne kdekdo .
http://www.rm-reznicek.cz" onclick="window.open(this.href);return false;
tak muzes zacit
"do řiti se řítíme, ani o tom nevíme.."
To sice můžu ,ale mám na půl roku zajímavej projekt tak že na prkotiny není čas, tohle je pro nudícího se hobbíka kterej se na tom naučí a může si dál přivydělávat i na jinejch rezinech.
http://www.rm-reznicek.cz" onclick="window.open(this.href);return false;
- robokop
- Site Admin
- Příspěvky: 23178
- Registrován: 10. 7. 2006, 12:12
- Bydliště: Praha
- Kontaktovat uživatele:
teda to ti to tiskne nejak pomalu ne?
nebylo by zajimavejsi udelat jednoduchou formu do vstrikolisu?
kolik je teda treba rocni mnozstvi?
da se ocekavat dlouhodobejsi odber?
zaridil bych vyrobu te formy i nalisovani potrebneho mnozstvi
nebylo by zajimavejsi udelat jednoduchou formu do vstrikolisu?
kolik je teda treba rocni mnozstvi?
da se ocekavat dlouhodobejsi odber?
zaridil bych vyrobu te formy i nalisovani potrebneho mnozstvi
Vsechna prava na chyby vyhrazena (E)
řekl bych, že ty originál kusy jsou z polyuretanu - tzn. - až si ten vytisklý bazmek z čehosi nějaká dáma vetkne do těch botek, tak to bude chtít mít připravený foťák - kopyta hore budou kontinuálně
O životnosti
Psal dorazy , sice to vypadá jako podpatek, ale když vidím ti drobné čupliky tak ty by museli ulítnout jen když se na ně člověk koukne, jen jsem nasimuloval jak dlouho by se to asi tisklo, pokud by to měl být podpatek tak tam vymodelujeme dírku pro papírák 
Přesně tak. Když napíšu dorazy, tak to jsou narážecí dorazy a ne žádné podpatky i když to tak někomu může připadat
Ale nejsem žádný svačílek, abych tady balamutil a psal něco, co to není.
Jinak díky všem za příspěvky, vezmu to postupně:
od fmodel » 10 lis 2019, 09:55 Nalejt do lukoprénové formy ,cena pružnýho matroše tak 800-1200/kg ,to snad zvládne kdekdo.
No to jo, to chápu. Ale podobně jako ty hned v dalším příspěvku píšeš, že máš jiné zajímavé projekty, tak zrovna tak já potřebuji tyto dorazy, ale nemám čas si hrát s nějakým nalejváním do lukoprenu. Proto jsem to sem dal a napsal, aby si to vzal někdo, kdo s tím má nějaké zkušenosti a dělá to. Já jsem nikdy nic neodléval, tudíž se do toho nebudu ani pouštět, bo to je přesně ten šlendrián, co nesnáším. Kuchař dělá manažera chemičky a chemik nám diktuje ekonomiku státu
Jestli mi to někdo odlije nebo vytiskne je mi šumák. Ať si klidně s tím někdo pohraje a vydělá si. Já tomu nerozumím, tak jsem to zadal.
od robokop » 10 lis 2019, 10:56
nebylo by zajimavejsi udelat jednoduchou formu do vstrikolisu?
kolik je teda treba rocni mnozstvi?
da se ocekavat dlouhodobejsi odber?
zaridil bych vyrobu te formy i nalisovani potrebneho mnozstvi
Hele já nevím. Myslím si, že to by ekonomicky asi neklaplo s tou formou. Sice originál evidentně z formy je, má to tam půlící rovinu. Ale s ohledem na množství (psal jsem cca 100 ks měsíčně) by se to asi prodražilo. Ale nevím, opět to není moje parketa a možná se mýlím. Ano, dlouhodobější odběr určitě. No a mohu to třeba kumulovat, že jako vezmu 600 ks na půl roku nebo tak něco.
od Pepa Žhář » 10 lis 2019, 11:30
Ahoj, mě to vychází zhruba na 4 hodky i s přípravou, je to počítáno na 10 kusů..
To je zajímavé co tady vidím
To jsi to jako takhle raz dva vysmahnul, jó? Co je to na tom obrázku jako? To je forma nebo nějaký model pro 3D tisk?
Jinak díky všem za příspěvky, vezmu to postupně:
od fmodel » 10 lis 2019, 09:55 Nalejt do lukoprénové formy ,cena pružnýho matroše tak 800-1200/kg ,to snad zvládne kdekdo.
No to jo, to chápu. Ale podobně jako ty hned v dalším příspěvku píšeš, že máš jiné zajímavé projekty, tak zrovna tak já potřebuji tyto dorazy, ale nemám čas si hrát s nějakým nalejváním do lukoprenu. Proto jsem to sem dal a napsal, aby si to vzal někdo, kdo s tím má nějaké zkušenosti a dělá to. Já jsem nikdy nic neodléval, tudíž se do toho nebudu ani pouštět, bo to je přesně ten šlendrián, co nesnáším. Kuchař dělá manažera chemičky a chemik nám diktuje ekonomiku státu
od robokop » 10 lis 2019, 10:56
nebylo by zajimavejsi udelat jednoduchou formu do vstrikolisu?
kolik je teda treba rocni mnozstvi?
da se ocekavat dlouhodobejsi odber?
zaridil bych vyrobu te formy i nalisovani potrebneho mnozstvi
Hele já nevím. Myslím si, že to by ekonomicky asi neklaplo s tou formou. Sice originál evidentně z formy je, má to tam půlící rovinu. Ale s ohledem na množství (psal jsem cca 100 ks měsíčně) by se to asi prodražilo. Ale nevím, opět to není moje parketa a možná se mýlím. Ano, dlouhodobější odběr určitě. No a mohu to třeba kumulovat, že jako vezmu 600 ks na půl roku nebo tak něco.
od Pepa Žhář » 10 lis 2019, 11:30
Ahoj, mě to vychází zhruba na 4 hodky i s přípravou, je to počítáno na 10 kusů..
To je zajímavé co tady vidím
Nebojím se dělat rukama a používat hlavu.
ano je to model pro 3d tisk , jen jsem zhruba vymodeloval cosi dle dostupných rozměrů , zbytek jsem hodil jen tak od oka ,aby to tak nejak vypadalo a prohnal to pres program ze ktereho to pak dávám do tiskárny, je to jen hrubá simulace kvuli predstavě jak dlouho by trvalo tisknout těch 10 kusů
Díky moc za potvrzení a vysvětlení. Další v SZ.
Nebojím se dělat rukama a používat hlavu.
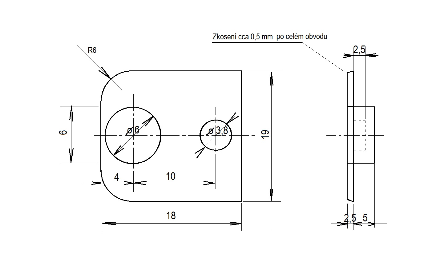
Připojuji náčrtek co jsem teď sesmolil pro lepší orientaci. Jinak díky všem co zatím reagovali a nabídli spolupráci.
Nebojím se dělat rukama a používat hlavu.
Původně jsem zeditoval svůj první příspěvek s tím, že "jedno ucho dovnitř a druhé ven". Když se tu objevil i výkres, tak mě to zaujalo natolik, že jsem to cca za pět minut namodeloval (jsem samouk a tak mi to jde pomalu) a zrovna jsem dokončoval tisk nějaké krabičky, tak jsem to fóknul do stroje. Je to PET G, protože s ním zrovna tisknu a nebudu měnit filamenty, to pouze pro vysvětlení barvy. Doba tisku toho jednoho kusu necelých 10 minut.