Regulator prackoveho motora
Nahadzem tu nejake odkazy na jednotlive stranky z fora ak by to niekto hladal.
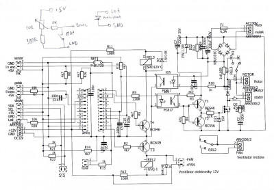
(NOVY DPS v07 k stiahnutiu DOLE v TOMTO PRISPEVKU - pridane popisy vyvodov do schemy)
Stranka kde je zdrojak uP (hex)
viewtopic.php?t=2142&start=1245
drziak enkodera 100imp
viewtopic.php?t=2142&start=1215
nejake fotky upevenia encodera, foto displeja, vypocet pre nastavenie spravneho zobrazenia otacok. Video regulator v akcii.
viewtopic.php?t=2142&start=1200
nahlad plosaku stara verzia, foto menu displeja
viewtopic.php?t=2142&start=1185
este jedna z prvych verzii schema a plosak
viewtopic.php?t=2142&start=1155
video funkcnej verzie, este sa ladi...
Je mozne regulovat aj DC motor s magnetom, len treba upravit pripojenie motora k regulatoru a doplnit brzdny odpor, kontakt rele vsak dostane zabrat, kedze prud bude obmedzeny len odporom.
Led preťaženia svieti len ta vyvedena na svorkovnicu displeja. Ta druha na dps je neaktivna. Potak musi byt 10k,tak je navrhnuty delic s vypinacom.
Vypinac ktory skratuje bezec sice zastavi motor aktivnym brzdenim ale nemoze byt povazovany za bezpecnostny stop. Ako pouzivam to ale ked sa prerazi tranzistor a otrha vam ruky.....
Aktivne brzdenie je na pevno nastavene na 2s, ide vsak nastavit sila brzdenia. 2s sa mi zdali optimalne. 2s cakat kym to zastane a zaroven sa prudko nebrzdi. Aspon na vrtacke to tak bolo.
Okrem toho toto je len ukazka ze to urobit ide. Takze to vyrobite a pouzivate na vlastne riziko. Este musim pohladat schemu od rusa, on vyuziva tachogenerator k regulacii tiez mu to pekne chodi.
Fotka predposlednej osadenej verzie je dole. Na tu publikovanej verzii uz je ine silnejsie rele pre motor a tusim iny tranzistor, aby slo spinat ventilator. Res. Ventilator je mozne pouzit aj 12V nejaku 120mm na chladenie motora, alebo nejaky 230V preto tam je rele. Primarne bol 12V vystup pre ventilator urceny na chladenie kondenzatora, diody, tranzistora a mostika na malom chladici, malym ventilatorom. (ja to nepouzivam, zatial sa to uchladilo bez toho)
Hlavne nezabudnite dimenzovat zdroj 12V pre. Napajanie dps s uP aby zvladol utiahnut ventilator, 12cm si nieco cucne.
Druhy zdroj je pomocny pre napajanie budenia gate tranzistora-pouzil som driver pre ledky (tusim 1 az 3 led 1w) tj prudovy zdroj, napatie sa obmedzi na zenerke na 15V. Vid foto dole.
Na prototype je jeden zdroj 12v spolocny pre uP aj budenie tranzistora tym padom je vsade sietove napatie aj na displeji aj potenciometri, vsetko mam v plastovych krabickach tak k dotyku nemoze dojst.
treba vsak davat pozor tak ci tak pri nastavovani parametrov PID a motora, tlacidlo je blizko zivych casti, doporucujem pouzit tlacidlo s dlhou stopkou, alebo na stlacanie pouzit nieco izolovane, pouzival som taviacu tycinku tj cinske lepidlo
Ventilator na testovacej vzorke to nemam. Kondik sa hreje(uz som jeden vymenil- treba pouzit znackovy kondik s malym ESR pre spinane zdroje), a motor tiez,ale zatial nezhorel i ked obcas bol horuci. Ak niekto nechce zatial investovat velke peniaze do pouziteho tranzistora,na skusku postaci aj IRFP460
Snimaci odpor 0.025R su pouzite 2x0.05R 5w, kupit to ide napr tu: #Aliexpress € 0,93 | 10pcs 5W 5% Cement Resistor Power Resistance 0.1 ~ 10K 0.1R 0.5R 1R 10R 100R 0.22 0.33 0.5 1 2 5 8 10 15 20 25 30 100 1K 10K ohm
https://a.aliexpress.com/_sLJVw3
Na plosaku je konektor, s oznacenim teplota. Je mozne pripojit externy termostat res vyuzit ten ktory je osadeny v statore motora (niektore motory ho maju, jedna sa o kontakt ktory teplom rozopina, teplota je uvedena na spinaci).
Na displeji by sa zobrazila hlaska prehriatie, zapol ventilator chladenia, a po par sec. odstavil motor.
Toto zatial nieje naprogramovane.
(NOVY DPS v07 k stiahnutiu DOLE v TOMTO PRISPEVKU - pridane popisy vyvodov do schemy)
Stranka kde je zdrojak uP (hex)
viewtopic.php?t=2142&start=1245
drziak enkodera 100imp
viewtopic.php?t=2142&start=1215
nejake fotky upevenia encodera, foto displeja, vypocet pre nastavenie spravneho zobrazenia otacok. Video regulator v akcii.
viewtopic.php?t=2142&start=1200
nahlad plosaku stara verzia, foto menu displeja
viewtopic.php?t=2142&start=1185
este jedna z prvych verzii schema a plosak
viewtopic.php?t=2142&start=1155
video funkcnej verzie, este sa ladi...
Je mozne regulovat aj DC motor s magnetom, len treba upravit pripojenie motora k regulatoru a doplnit brzdny odpor, kontakt rele vsak dostane zabrat, kedze prud bude obmedzeny len odporom.
Led preťaženia svieti len ta vyvedena na svorkovnicu displeja. Ta druha na dps je neaktivna. Potak musi byt 10k,tak je navrhnuty delic s vypinacom.
Vypinac ktory skratuje bezec sice zastavi motor aktivnym brzdenim ale nemoze byt povazovany za bezpecnostny stop. Ako pouzivam to ale ked sa prerazi tranzistor a otrha vam ruky.....
Aktivne brzdenie je na pevno nastavene na 2s, ide vsak nastavit sila brzdenia. 2s sa mi zdali optimalne. 2s cakat kym to zastane a zaroven sa prudko nebrzdi. Aspon na vrtacke to tak bolo.
Okrem toho toto je len ukazka ze to urobit ide. Takze to vyrobite a pouzivate na vlastne riziko. Este musim pohladat schemu od rusa, on vyuziva tachogenerator k regulacii tiez mu to pekne chodi.
Fotka predposlednej osadenej verzie je dole. Na tu publikovanej verzii uz je ine silnejsie rele pre motor a tusim iny tranzistor, aby slo spinat ventilator. Res. Ventilator je mozne pouzit aj 12V nejaku 120mm na chladenie motora, alebo nejaky 230V preto tam je rele. Primarne bol 12V vystup pre ventilator urceny na chladenie kondenzatora, diody, tranzistora a mostika na malom chladici, malym ventilatorom. (ja to nepouzivam, zatial sa to uchladilo bez toho)
Hlavne nezabudnite dimenzovat zdroj 12V pre. Napajanie dps s uP aby zvladol utiahnut ventilator, 12cm si nieco cucne.
Druhy zdroj je pomocny pre napajanie budenia gate tranzistora-pouzil som driver pre ledky (tusim 1 az 3 led 1w) tj prudovy zdroj, napatie sa obmedzi na zenerke na 15V. Vid foto dole.
Na prototype je jeden zdroj 12v spolocny pre uP aj budenie tranzistora tym padom je vsade sietove napatie aj na displeji aj potenciometri, vsetko mam v plastovych krabickach tak k dotyku nemoze dojst.
treba vsak davat pozor tak ci tak pri nastavovani parametrov PID a motora, tlacidlo je blizko zivych casti, doporucujem pouzit tlacidlo s dlhou stopkou, alebo na stlacanie pouzit nieco izolovane, pouzival som taviacu tycinku tj cinske lepidlo
Ventilator na testovacej vzorke to nemam. Kondik sa hreje(uz som jeden vymenil- treba pouzit znackovy kondik s malym ESR pre spinane zdroje), a motor tiez,ale zatial nezhorel i ked obcas bol horuci. Ak niekto nechce zatial investovat velke peniaze do pouziteho tranzistora,na skusku postaci aj IRFP460
Snimaci odpor 0.025R su pouzite 2x0.05R 5w, kupit to ide napr tu: #Aliexpress € 0,93 | 10pcs 5W 5% Cement Resistor Power Resistance 0.1 ~ 10K 0.1R 0.5R 1R 10R 100R 0.22 0.33 0.5 1 2 5 8 10 15 20 25 30 100 1K 10K ohm
https://a.aliexpress.com/_sLJVw3
Na plosaku je konektor, s oznacenim teplota. Je mozne pripojit externy termostat res vyuzit ten ktory je osadeny v statore motora (niektore motory ho maju, jedna sa o kontakt ktory teplom rozopina, teplota je uvedena na spinaci).
Na displeji by sa zobrazila hlaska prehriatie, zapol ventilator chladenia, a po par sec. odstavil motor.
Toto zatial nieje naprogramovane.
- Přílohy
-
- v07.rar
- schema a board eagle 7.6, gerber data pre vyrobu
- (136.26 KiB) Staženo 329 x
Naposledy upravil(a) atlan dne 17. 2. 2020, 6:30, celkem upraveno 34 x.
Tím že jde o PID regulaci univerzálního motoru v podstatě postavenou na Arduinu a že je zveřejněn HW a v podstatě už i SW, stal se z toho hodně zajímavý obsah a je dobře že má vlastní vlákno
Chtělo by to teď projektík trochu učesat a udělat z toho open source Projekt se vším co k tomu obvykle zápaďácí mají
Jinak začal bych doplněním chybějicích věcí viewtopic.php?t=2142&start=1245#p338057
Chtělo by to teď projektík trochu učesat a udělat z toho open source Projekt se vším co k tomu obvykle zápaďácí mají
Jinak začal bych doplněním chybějicích věcí viewtopic.php?t=2142&start=1245#p338057
- Zdenek Valter
- Příspěvky: 5425
- Registrován: 9. 1. 2009, 5:16
- Bydliště: Ústí n. L.
Tady bych se přimlouval za nějakou spolupráci.
Já jsem ještě z čajny PCB neobjednával takže bych naopak se svezl s Tebou. Měl bych zájem o tři kousky.
Hobbík - obráběč i 3D tiskař začátečník - strojní park je konečně instalován
- Zdenek Valter
- Příspěvky: 5425
- Registrován: 9. 1. 2009, 5:16
- Bydliště: Ústí n. L.
Ten display je na dalším plošňáku nebo je to nějaký hotový modul?
Hobbík - obráběč i 3D tiskař začátečník - strojní park je konečně instalován
Ano oled 0.96 alebo 1,3 palca, mozete si vybrat farbu bielu modru, len pozor. Lebo su aj take ktore maju zlty pasik hore.
Teoreticky vam viem plosak nahrat na easyeda. Ale na jlcb vam vyrobia aj z gbrl co som tu dal.
Este ti nahram poslednu verziu DPS, pre istotu.
Teoreticky vam viem plosak nahrat na easyeda. Ale na jlcb vam vyrobia aj z gbrl co som tu dal.
Este ti nahram poslednu verziu DPS, pre istotu.
Staci kliknut tu.https://jlcpcb.com/quote#/?orderType=1& ... aseNumber=
Nahrat to rarko co som sem dal. Malo by vygenerovat nahlad plosaku 2vrstvoveho. Vlozit do kosika 5ks 1.8E (10ks len o malicko drahsie) , zvolit dopravu bacilov rychlo za 20E alebo pomaly za 7E. A zaplatit kartou auz len sledovat proces ako vam to vyrabaju.
Nahrat to rarko co som sem dal. Malo by vygenerovat nahlad plosaku 2vrstvoveho. Vlozit do kosika 5ks 1.8E (10ks len o malicko drahsie) , zvolit dopravu bacilov rychlo za 20E alebo pomaly za 7E. A zaplatit kartou auz len sledovat proces ako vam to vyrabaju.
- Zdenek Valter
- Příspěvky: 5425
- Registrován: 9. 1. 2009, 5:16
- Bydliště: Ústí n. L.
Díky !!atlan píše: ↑7. 2. 2020, 7:05 Staci kliknut tu.https://jlcpcb.com/quote#/?orderType=1& ... aseNumber=
Nahrat to rarko co som sem dal. Malo by vygenerovat nahlad plosaku 2vrstvoveho. Vlozit do kosika 5ks 1.8E (10ks len o malicko drahsie) , zvolit dopravu bacilov rychlo za 20E alebo pomaly za 7E. A zaplatit kartou auz len sledovat proces ako vam to vyrabaju.
Promiň, že se zeptám jako opravdová lama to RA tam mám nahrát rozbalené nebo zkomprimované?
Sorry - edit maj to tam napsaný "Only accept zip or rar,Max 10 M"
A ještě otázka do fóra - najde se ještě další zájemce mimo mě a Grad?
Hobbík - obráběč i 3D tiskař začátečník - strojní park je konečně instalován
- Zdenek Valter
- Příspěvky: 5425
- Registrován: 9. 1. 2009, 5:16
- Bydliště: Ústí n. L.
Objednáno 10 plošňáků za 370 kč. Budou za cca měsíc.
Hobbík - obráběč i 3D tiskař začátečník - strojní park je konečně instalován
Ahoj a bude jeden volný ?
- Zdenek Valter
- Příspěvky: 5425
- Registrován: 9. 1. 2009, 5:16
- Bydliště: Ústí n. L.
Chalpci moji - všichni jste mlčeli jak hrob a teď se zájemci roztrhl pytel (jedině Grad se chtěl přidat). 
Rozhodně je tolik zájemců že že na mne ani nedostane.
JInak blbá zpráva je že prodejce mi vrátil objednávku. Poslal jsem to atlanovi a pooprosil ho ať se na to podívá.
Tím pádem všechno zlé je i k něčemu dobré - zkuste to jako při prodeji napsat sem, ať je zřejmé kolik desek bude potřeba já to pak objednám najednou.
Rozhodně je tolik zájemců že že na mne ani nedostane.
JInak blbá zpráva je že prodejce mi vrátil objednávku. Poslal jsem to atlanovi a pooprosil ho ať se na to podívá.
Tím pádem všechno zlé je i k něčemu dobré - zkuste to jako při prodeji napsat sem, ať je zřejmé kolik desek bude potřeba já to pak objednám najednou.
Naposledy upravil(a) Zdenek Valter dne 8. 2. 2020, 11:28, celkem upraveno 1 x.
Hobbík - obráběč i 3D tiskař začátečník - strojní park je konečně instalován
-
Reinkarnace
- Příspěvky: 1227
- Registrován: 21. 11. 2017, 9:16
Ještě jste nepřešli na moderní bezkomutátorové 3F motory?


No nevím. Ale tohle je pohled z druhé strany na ten motor, co jsi sem postoval. A má to vinutí na rotoru, takže to bude naprosto běžný univerzální motor. Tedy přesně to, na co tady hoši chtějí stavět tu regulaci.