Zásek v postupu.

Vse o konvencnich strojich, nic o jejich prestavbe na cnc
Odpovědět
Berči
Příspěvky: 49
Registrován: 5. 3. 2020, 11:50

7. 3. 2020, 11:33

Dobrý den, opovážil jsem se vloudit mezi společnost odborníků. A jejikož mi došly nápady. zkouším se podělit zde na Vašem fóru se svým případem. Mám starý soustruh a nefunguje pohon suportu. Oč jde. Ze skříňky na levé straně vychází dvě tyčky, jedna se závitem a jedna s drážkou a právě ta s drážkou( 6mm) má otáčet se šnekem, který je na ní volně posuvný. ve šneku je (nebo byl jen ustřižený kolíček (5mm). Nevěděl by někdo prosím Vás, jestli tam má být nějaké pero nebo něco, opravdu nemám tušení. Ve šneku žádná drážka není Zkusím sem dát obrázek. Děkuji.
IMG_1478.jpg
Petr68
Příspěvky: 883
Registrován: 3. 12. 2015, 9:38
Bydliště: Karlovy vary

7. 3. 2020, 12:03

Pokud se má šnek po vodící tyči posouvat a zároveň otáčet, jako že určitě má a není tam drážka pro pero tak se pravděpodobně síla přenáší právě přes ten ustřižený kolíček, který jezdí v drážce vodící tyče.
Strigon ME-250, SV18RA, Mikromat SFW200/600, L-TEC Ductling II
zverodoktor
Příspěvky: 3661
Registrován: 3. 6. 2007, 9:49
Bydliště: Bratislava

7. 3. 2020, 2:21

On sa ten kolík aj volá strižný kolík. Jednak slúži na prenos točivého momentu a zároveň vykonáva funkciu poistky pri preťažení - strihne sa a tým ochráni zvyšok ústrojenstva pred zničením. Daj tam druhý a bude to fungovať. A pre istotu predtým prekontroluj, či niečo nebráni otáčaniu toho šneku v posuvovej skrini.
SU32, MN80, FN25, ISEL4433, Jakobsen SJ25, N1, VS16, Anycubic Kossel
prochaska
Sponzor fora
Příspěvky: 8450
Registrován: 16. 7. 2006, 12:33
Bydliště: Praha Bohnice + Roudnice nad Labem
Kontaktovat uživatele:

7. 3. 2020, 2:32

Asi to tak bude, ale pro jistotu - jakou šířku má ta drážka?
Aleš Procháska
Uživatelský avatar
jova
Příspěvky: 2569
Registrován: 2. 11. 2007, 1:40
Bydliště: Chýnov to je kousek od Tábora
Kontaktovat uživatele:

7. 3. 2020, 2:45

Píše: drážka 6, kolíček 5mm. Třeba je to schválně a osazený kolíček se vládal zevnitř, aby nevypadával :roll:
prochaska
Sponzor fora
Příspěvky: 8450
Registrován: 16. 7. 2006, 12:33
Bydliště: Praha Bohnice + Roudnice nad Labem
Kontaktovat uživatele:

7. 3. 2020, 2:50

Jsem si nevšim :oops: Taky by tam mohlo být pero nebo spíš takový kámen chycený kolíčkem, aby se samotný kolíček hned neodřel.
Aleš Procháska
testone
Sponzor fora
Příspěvky: 7534
Registrován: 3. 12. 2010, 5:56
Bydliště: Slaný

7. 3. 2020, 4:39

ještě drobnost - ten kolíček by měl být z nějaký měkoty (automatovka), právě proto aby se snadno ustřihnul a fungoval jako pojistka
Obvykle se dějí věci obvyklé. Méně často se dějí věci neobvyklé a zcela vyjímečně se dějí věci vyjímečné...
Masturn 40 CNC, Hermle UWF1200H CNC a pár klasik
http://www.radialengine.cz" onclick="window.open(this.href);return false;
http://www.autopejsek.cz" onclick="window.open(this.href);return false;
zverodoktor
Příspěvky: 3661
Registrován: 3. 6. 2007, 9:49
Bydliště: Bratislava

7. 3. 2020, 5:57

No ak by som tam mal dať to pero, potom by som porozmýšľal v rámci jednoduchosti montáže o jeho uchytení cez tú dieru skrutkou.
SU32, MN80, FN25, ISEL4433, Jakobsen SJ25, N1, VS16, Anycubic Kossel
milan584
Příspěvky: 2126
Registrován: 12. 5. 2009, 2:17
Bydliště: na jihu

7. 3. 2020, 7:54

Berči píše: 7. 3. 2020, 11:33 Dobrý den, opovážil jsem se vloudit mezi společnost odborníků. A jejikož mi došly nápady. zkouším se podělit zde na Vašem fóru se svým případem. Mám starý soustruh a nefunguje pohon suportu. Oč jde. Ze skříňky na levé straně vychází dvě tyčky, jedna se závitem a jedna s drážkou a právě ta s drážkou( 6mm) má otáčet se šnekem, který je na ní volně posuvný. ve šneku je (nebo byl jen ustřižený kolíček (5mm). Nevěděl by někdo prosím Vás, jestli tam má být nějaké pero nebo něco, opravdu nemám tušení. Ve šneku žádná drážka není Zkusím sem dát obrázek. Děkuji.IMG_1478.jpg
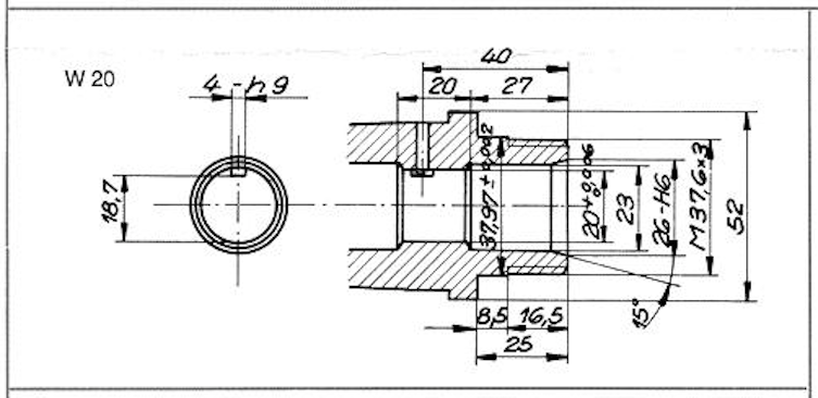
měl by tam být vložený takový "perokolík" jako mají v vřetenu třeba Schaubliny, Aciery a další mašiny - pro kleštinu. Ofrézuješ si kus čtyřhranu a pak ho v čtyřpakně odtočís do toho kolíku. Snížíš hlavu, hotovo. Zevnitř vetkneš, zavedeš špindli, práce na 15 minut.
download/file.php?id=119110&mode=view
Jo a tu hlavu by to mělo mít delší, aby to neničilo tu drážku - jako je to třeba u F1.
A není to měkký - obvykle je to zlepšený - takže třeba z QT nebo alespoň z bývalého držáku pájeného nože (je obvykle 11700, taky tak nějak zlepšná)
milan584
Příspěvky: 2126
Registrován: 12. 5. 2009, 2:17
Bydliště: na jihu

7. 3. 2020, 7:56

zverodoktor píše: 7. 3. 2020, 5:57 No ak by som tam mal dať to pero, potom by som porozmýšľal v rámci jednoduchosti montáže o jeho uchytení cez tú dieru skrutkou.
Nebylo by jednodušší to udělat tak, jak se to obvykle posledních cca 150 let dělá?
zverodoktor
Příspěvky: 3661
Registrován: 3. 6. 2007, 9:49
Bydliště: Bratislava

7. 3. 2020, 8:23

milan584 píše: 7. 3. 2020, 7:56 Nebylo by jednodušší to udělat tak, jak se to obvykle posledních cca 150 let dělá?
Iste bolo, ale ja som sa dozvedel ako sa to robí posledných 150 rokov až od teba :) .
SU32, MN80, FN25, ISEL4433, Jakobsen SJ25, N1, VS16, Anycubic Kossel
Uživatelský avatar
Zbýňa
Příspěvky: 2161
Registrován: 3. 9. 2010, 8:45
Bydliště: Čelákovice

8. 3. 2020, 7:10

Tyhle pera s čepem dělám v rámci oprav strojů celkem často.
Přílohy
DSCN5379.zmenena-velikost.JPG
DSCN5374.zmenena-velikost.JPG
DSCN5375.zmenena-velikost.JPG
Berči
Příspěvky: 49
Registrován: 5. 3. 2020, 11:50

8. 3. 2020, 7:45

Vážení, jsem velice překvapen z tolika pomocných příspěvků. Jste moc hodní, děkuji. Právě použít jenom kolíček jsem neuvažoval. Něktéré stroje mají tu drážku v tom šroubu a kolíček by asi? mohl do závitu (se pokazit) :oops: Berči
Odpovědět

Zpět na „konvenční soustruhy“