100+100kusů

Požadavky na výrobu dílů - poptávkové fórum
Pravidla fóra
Toto forum vyzaduje schvaleni prispevku moderatorem.
Odpovědět
Ravadeva
Příspěvky: 143
Registrován: 10. 7. 2018, 1:59
Bydliště: Nové Město na Moravě

1. 5. 2020, 10:23

potřeboval bych výrobu po 100kusech, materiál hlazenka, prosím o cenové nabídky
6692.JPG
6694.JPG
Ravadeva
Příspěvky: 143
Registrován: 10. 7. 2018, 1:59
Bydliště: Nové Město na Moravě

11. 5. 2020, 1:34

už mám vyřešeno. všem díky za nabídky jen pro informaci byli od 85 po 300Kč/kus
Ravadeva
Příspěvky: 143
Registrován: 10. 7. 2018, 1:59
Bydliště: Nové Město na Moravě

2. 11. 2020, 9:27

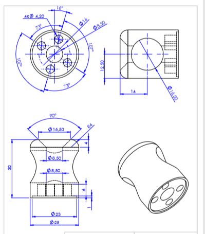
Zdravim, potreboval bych znovu vyrobit 200 a 200 respektive udelat diry do prumeru a do cela 4 diry 4,2 pod uhlem viz vykresy. Jde mi o ty diry jinak to mam hotove co slo na soustruhu. Delal mi to clovek na cnc freze ale ted je mimo. Docela dost mi to specha..diky za pomoc..
Odpovědět

Zpět na „Potřebuji vyrobit - vypomoc pri vyrobe“