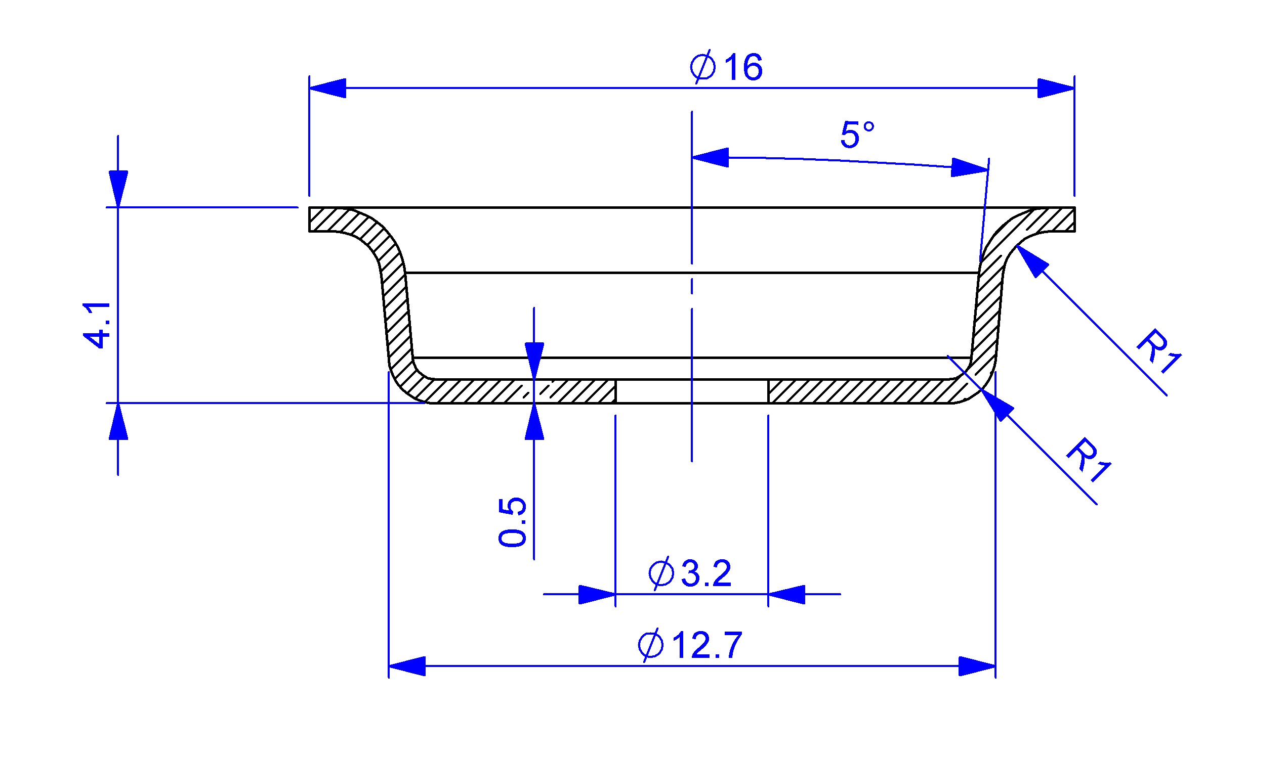
Sháním výlisek z mosazi
Pravidla fóra
Toto forum vyzaduje schvaleni prispevku moderatorem.
Toto forum vyzaduje schvaleni prispevku moderatorem.
CNC kovotlačení. Na laseru nechat vypálit polotovary, na CNC soustruhu vytočit vnitřní trn, přes koníka upnout plíšek a nožem s kuličkou objet konturu.
Nebo si z Tooloxu 44 vyfrézovat tvárník a tvárnici a takovej plíšek vylisuješ i v obyčekným svěráku, nebo na ručním lise.
Nebo si z Tooloxu 44 vyfrézovat tvárník a tvárnici a takovej plíšek vylisuješ i v obyčekným svěráku, nebo na ručním lise.
-
prochaska
- Sponzor fora
- Příspěvky: 8445
- Registrován: 16. 7. 2006, 12:33
- Bydliště: Praha Bohnice + Roudnice nad Labem
- Kontaktovat uživatele:
Tlačení mě nenapadlo, dík 
Ale nakonec skončím asi u toho nástroje z Tooloxu, jen jsem se chtěl vyhnout experimentování s rozměry, tak zkouším jestli to někdo nedělá nebo jich třeba nemá bednu pod stolem
Ale nakonec skončím asi u toho nástroje z Tooloxu, jen jsem se chtěl vyhnout experimentování s rozměry, tak zkouším jestli to někdo nedělá nebo jich třeba nemá bednu pod stolem
Aleš Procháska