frézování - SPĚCHÁ !!!

Požadavky na výrobu dílů - poptávkové fórum
Pravidla fóra
Toto forum vyzaduje schvaleni prispevku moderatorem.
Odpovědět
Pavel Praha
Příspěvky: 17
Registrován: 18. 10. 2018, 8:41

7. 10. 2020, 6:22

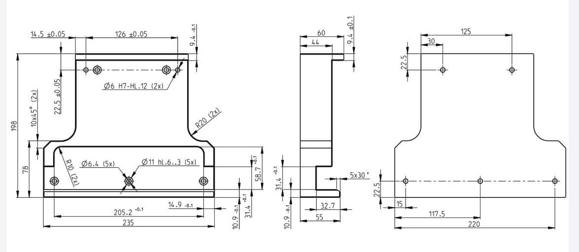
Poptávám výrobu tohoto dílu. Jedná se o 1 ks, materiál ocel 14220, dodám. Polotovar s přídavkem cca 2 mm na každé straně. Prosím o cenovou nabídku a možný termín, potřebuji to nejpozději v pondělí odpoledne. Ideálně okolí Prahy. Chybějící kóty doplním. Díky.
Přílohy
001 v.JPG
001 m.JPG
nellospeed
Příspěvky: 218
Registrován: 14. 3. 2018, 4:52

7. 10. 2020, 9:03

To by při troše dobré vůle šlo i na klasice, ale chtít něco narychlo a ještě si vybírat v cenových nabídkách to moc k sobě nejde dohromady. To víš kvůli jednomu kusu se poseru.
Uživatelský avatar
Mrosconi
Příspěvky: 2102
Registrován: 22. 2. 2015, 6:30
Bydliště: Netřebská 47, Praha 6 Ruzyně
Kontaktovat uživatele:

8. 10. 2020, 7:18

Ciao, to bych možná uměl, ale chtělo by to nějaký výkres. Máš něco?
Pavel Praha
Příspěvky: 17
Registrován: 18. 10. 2018, 8:41

8. 10. 2020, 7:19

Zakázka zadána. Díky všem.
Uživatelský avatar
Mrosconi
Příspěvky: 2102
Registrován: 22. 2. 2015, 6:30
Bydliště: Netřebská 47, Praha 6 Ruzyně
Kontaktovat uživatele:

8. 10. 2020, 7:38

OK
Odpovědět

Zpět na „Potřebuji vyrobit - vypomoc pri vyrobe“