Bernardo 350VD oprava elektroniky pohonu
... pokračování příběhu minisoustruhu Bernardo 350VD odsud
viewtopic.php?t=38397&p=391465#p391465
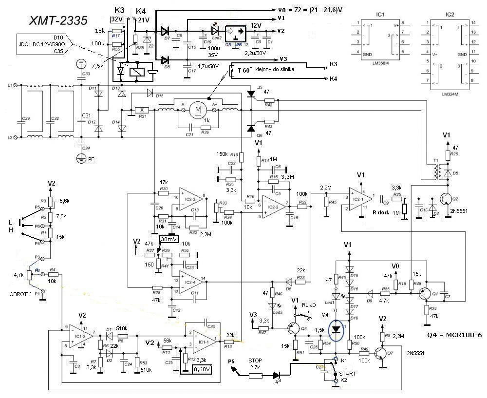
tak první zkoumání obkreslil jsem z desky schema výkonové části, je to řízený tyristorový můstek, 2x BT152 a 3x D8020L
zajímavost - ty diody jsou v 3vývodovém pouzdře TO220, dle DS č.1 katoda, č.2 anoda, č.3 nezapojen, číňan vývody 2 a 3 ustřihl nad deskou, spájel dohromady a pak drátem propojil do desky
první měření ohmmetrem bez napájení - diody ok, tyristory nejsou proraženy (přerušení takto nelze zjistit), pohledově bez závad
mezi chladiči tyristorů (propojeno s anodami) je stopa po záblesku (asi po tom který zmiňuje kolega v prvním postu), to ale bylo pravděpodobně způsobeno dotykem s něčím vodivým co shořelo (špona???), mezi chladiči je natvrdo síť, tj, asi tohle není hledaný problém
bude pokračováno, musím jít něco dělat
...
sorry za kvalitu fotek, mobil v ruce za blbého světla
....
děkuji za případné rady a tipy
viewtopic.php?t=38397&p=391465#p391465
tak první zkoumání obkreslil jsem z desky schema výkonové části, je to řízený tyristorový můstek, 2x BT152 a 3x D8020L
zajímavost - ty diody jsou v 3vývodovém pouzdře TO220, dle DS č.1 katoda, č.2 anoda, č.3 nezapojen, číňan vývody 2 a 3 ustřihl nad deskou, spájel dohromady a pak drátem propojil do desky
první měření ohmmetrem bez napájení - diody ok, tyristory nejsou proraženy (přerušení takto nelze zjistit), pohledově bez závad
mezi chladiči tyristorů (propojeno s anodami) je stopa po záblesku (asi po tom který zmiňuje kolega v prvním postu), to ale bylo pravděpodobně způsobeno dotykem s něčím vodivým co shořelo (špona???), mezi chladiči je natvrdo síť, tj, asi tohle není hledaný problém
bude pokračováno, musím jít něco dělat
...
sorry za kvalitu fotek, mobil v ruce za blbého světla
....
děkuji za případné rady a tipy
Obvykle se dějí věci obvyklé. Méně často se dějí věci neobvyklé a zcela vyjímečně se dějí věci vyjímečné...
Masturn 40 CNC, Hermle UWF1200H CNC a pár klasik
http://www.radialengine.cz" onclick="window.open(this.href);return false;
http://www.autopejsek.cz" onclick="window.open(this.href);return false;
Masturn 40 CNC, Hermle UWF1200H CNC a pár klasik
http://www.radialengine.cz" onclick="window.open(this.href);return false;
http://www.autopejsek.cz" onclick="window.open(this.href);return false;
Není náhodou problém přímo s motorem??? Zkoušel jsi ho rozjet z vnějšího zdroje (třeba improvizovaného - například jen jednocestně usměrněná síť)?
Chybu bych spíše čekal v silové části, že by zablokováním motoru odešla řídící slaboproudá část bych čekal méně pravděpodobné...
Chybu bych spíše čekal v silové části, že by zablokováním motoru odešla řídící slaboproudá část bych čekal méně pravděpodobné...
zatím ne, to je v plánu jako další krok
pavlík píše: ↑28. 11. 2020, 10:17 Není náhodou problém přímo s motorem??? Zkoušel jsi ho rozjet z vnějšího zdroje (třeba improvizovaného - například jen jednocestně usměrněná síť)?
Chybu bych spíše čekal v silové části, že by zablokováním motoru odešla řídící slaboproudá část bych čekal méně pravděpodobné...
Obvykle se dějí věci obvyklé. Méně často se dějí věci neobvyklé a zcela vyjímečně se dějí věci vyjímečné...
Masturn 40 CNC, Hermle UWF1200H CNC a pár klasik
http://www.radialengine.cz" onclick="window.open(this.href);return false;
http://www.autopejsek.cz" onclick="window.open(this.href);return false;
Masturn 40 CNC, Hermle UWF1200H CNC a pár klasik
http://www.radialengine.cz" onclick="window.open(this.href);return false;
http://www.autopejsek.cz" onclick="window.open(this.href);return false;
- Zdenek Valter
- Příspěvky: 5425
- Registrován: 9. 1. 2009, 5:16
- Bydliště: Ústí n. L.
- Zdenek Valter
- Příspěvky: 5425
- Registrován: 9. 1. 2009, 5:16
- Bydliště: Ústí n. L.
V Soustruhu by měla být i nějaká pomocná deska.
Hobbík - obráběč i 3D tiskař začátečník - strojní park je konečně instalován
připojil jsem motor přes graetz na regulační trafo
rozbíhá se to plynule od nějakých 5 nebo 10V oběma směry, při 230V si to bere asi 1A
motor se chová cudně
tady chyba nebude
....
další desky jsou v tom tři
jedna je stabilizovaný zdroj 5V pro napájení otáčkoměru, druhá ten otáčkoměr a třetí je asi nějaký tvarovač pro snímač otáček (???)
nic co by mohlo dělat brikule
zapojím to a zkusím zapojené
rozbíhá se to plynule od nějakých 5 nebo 10V oběma směry, při 230V si to bere asi 1A
motor se chová cudně
tady chyba nebude
....
další desky jsou v tom tři
jedna je stabilizovaný zdroj 5V pro napájení otáčkoměru, druhá ten otáčkoměr a třetí je asi nějaký tvarovač pro snímač otáček (???)
nic co by mohlo dělat brikule
zapojím to a zkusím zapojené
Obvykle se dějí věci obvyklé. Méně často se dějí věci neobvyklé a zcela vyjímečně se dějí věci vyjímečné...
Masturn 40 CNC, Hermle UWF1200H CNC a pár klasik
http://www.radialengine.cz" onclick="window.open(this.href);return false;
http://www.autopejsek.cz" onclick="window.open(this.href);return false;
Masturn 40 CNC, Hermle UWF1200H CNC a pár klasik
http://www.radialengine.cz" onclick="window.open(this.href);return false;
http://www.autopejsek.cz" onclick="window.open(this.href);return false;
- Zdenek Valter
- Příspěvky: 5425
- Registrován: 9. 1. 2009, 5:16
- Bydliště: Ústí n. L.
To relátko tam někde máš?
Hobbík - obráběč i 3D tiskař začátečník - strojní park je konečně instalován
žádný relé jsem v tom nenašel
zapojím to celé jak to bylo, připojím to na regulační trafo a zkusím na tom postupně zvyšovat vstupní síťové napětí
ono to něco ukáže
....
ještě je tam v přívodu trubičková pojistka
na tu jsem nekoukal, dostal jsem to po kouskách
aby to nakonec nebylo tak, že při přetížení kolegovi vylítla ta pojistka, při vrtání se v desce tam udělal nějaký kraťas mezi chladiči tyristorů (tam je vidět ohořelost a mluvilo se o záblesku, je na nich proti sobě natvrdo síť) atd
uvidíme
zapojím to celé jak to bylo, připojím to na regulační trafo a zkusím na tom postupně zvyšovat vstupní síťové napětí
ono to něco ukáže
....
ještě je tam v přívodu trubičková pojistka
na tu jsem nekoukal, dostal jsem to po kouskách
aby to nakonec nebylo tak, že při přetížení kolegovi vylítla ta pojistka, při vrtání se v desce tam udělal nějaký kraťas mezi chladiči tyristorů (tam je vidět ohořelost a mluvilo se o záblesku, je na nich proti sobě natvrdo síť) atd
uvidíme
Obvykle se dějí věci obvyklé. Méně často se dějí věci neobvyklé a zcela vyjímečně se dějí věci vyjímečné...
Masturn 40 CNC, Hermle UWF1200H CNC a pár klasik
http://www.radialengine.cz" onclick="window.open(this.href);return false;
http://www.autopejsek.cz" onclick="window.open(this.href);return false;
Masturn 40 CNC, Hermle UWF1200H CNC a pár klasik
http://www.radialengine.cz" onclick="window.open(this.href);return false;
http://www.autopejsek.cz" onclick="window.open(this.href);return false;
Pořádně bych se povrtal v té silové části - pokud se pamatuji, tak původní popis závady byl, že po zablokování sklíčidla vyhořela síťová pojistka soustruhu a vyrazilo to i jistič v rozvodu 230 V. Toto nemohla udělat elektronická část, to by byla viditelně někde vyhořelá, muselo odejít něco v té silové části.
Když to zapojíš a pustíš, stále to vyhazuje pojistku? Pokud ano, tak je něco proražené, pokud ne, tak je něco přerušené, těch součástek, které to mohou dělat je tam jen pár...
Dodatek: podle toho schéma, které jsi vydedukoval bych to, pokud to vyhazuje pojistku, viděl na proraženou diodu nebo tyristor v tom tyristorovém můstku...
Když to zapojíš a pustíš, stále to vyhazuje pojistku? Pokud ano, tak je něco proražené, pokud ne, tak je něco přerušené, těch součástek, které to mohou dělat je tam jen pár...
Dodatek: podle toho schéma, které jsi vydedukoval bych to, pokud to vyhazuje pojistku, viděl na proraženou diodu nebo tyristor v tom tyristorovém můstku...
- Zdenek Valter
- Příspěvky: 5425
- Registrován: 9. 1. 2009, 5:16
- Bydliště: Ústí n. L.
No já jsem jich už pár opravil - bohužel tyristory BT 152 nemají na rozdíl od diod izolovaný chladič. Takže jiskra mohla přeskočit mezi chladičem a kostrou.pavlík píše: ↑30. 11. 2020, 11:58 Pořádně bych se povrtal v té silové části - pokud se pamatuji, tak původní popis závady byl, že po zablokování sklíčidla vyhořela síťová pojistka soustruhu a vyrazilo to i jistič v rozvodu 230 V. Toto nemohla udělat elektronická část, to by byla viditelně někde vyhořelá, muselo odejít něco v té silové části.
Když to zapojíš a pustíš, stále to vyhazuje pojistku? Pokud ano, tak je něco proražené, pokud ne, tak je něco přerušené, těch součástek, které to mohou dělat je tam jen pár...
tím pádem mohla být elektronika nepoškozena.
Jeden soustruh (Asist) měl proražené vedení k vypínacímu kontaktu krytu nad univerzálou. Po zapnutí doma stejný efekt - rána , pojistka vyhořelá a vypadlý jistič.
Po odizolování vše O.K. včetně elektroniky.
To testone: při zkoušení si to zapoj přes žárovku v serii ideálně 200W (já teď používám 500W).
Hobbík - obráběč i 3D tiskař začátečník - strojní park je konečně instalován
Jo, s tou žárovkou je to dobré zkusit, je to šetrnější při nějaké závadě, tady je návod na jednoduchou realizaci žárovkové zkoušečky
https://www.youtube.com/watch?v=YavpHpF ... tu.be&t=80 (čas 9:23 test můstku)
https://www.youtube.com/watch?v=WvimphtPv4I
https://www.youtube.com/watch?v=Oin2AAb9-ng
https://www.youtube.com/watch?v=YavpHpF ... tu.be&t=80 (čas 9:23 test můstku)
https://www.youtube.com/watch?v=WvimphtPv4I
https://www.youtube.com/watch?v=Oin2AAb9-ng
Já to mám udělané z prodlužovačky.
Obyčejný levný pes se 3 zásuvkami a vypínačem. První zásuvku jsem nechal zapojenou normálně, druhou a třetí jsem zapojil do série.
Do poslední zásuvky připojím zkušené zařízení. A teď jde o to, co dám to té přeposlední:
- když ji propojím drátem nebo vypínačem, tak z toho mám normálně spínané napájení pro ten měřený subjekt
- když do ní zapojím běžnou stolní lampu, mám z toho žárovkový omezovač
- když do ní zapojím měřák na proudovém rozsahu, můžu snadno měřit odběr proudu toho měřeného subjektu
- když do ní zapojím kontakty relé nebo stykače, mám vzdálené nebo třeba časové spínání toho zařízení
- když tam zapojím NTC, mám plynulý rozběh pro to měřené zařízení
- atd.
dobrý
u mě se před lety vyskytlo regulační trafo RFT, 0-250V/6A, bedna 30x50x30cm a 40kg, má to vestavěné i trafo pro galvanické oddělení od sítě
na výstupu vestavěný voltmetr i ampérmetr
točím knoflíkem a koukám co to dělá, sleduji odběr
pohoda
žárovkový předřadník používám taky
u mě se před lety vyskytlo regulační trafo RFT, 0-250V/6A, bedna 30x50x30cm a 40kg, má to vestavěné i trafo pro galvanické oddělení od sítě
na výstupu vestavěný voltmetr i ampérmetr
točím knoflíkem a koukám co to dělá, sleduji odběr
pohoda
žárovkový předřadník používám taky
Obvykle se dějí věci obvyklé. Méně často se dějí věci neobvyklé a zcela vyjímečně se dějí věci vyjímečné...
Masturn 40 CNC, Hermle UWF1200H CNC a pár klasik
http://www.radialengine.cz" onclick="window.open(this.href);return false;
http://www.autopejsek.cz" onclick="window.open(this.href);return false;
Masturn 40 CNC, Hermle UWF1200H CNC a pár klasik
http://www.radialengine.cz" onclick="window.open(this.href);return false;
http://www.autopejsek.cz" onclick="window.open(this.href);return false;
- Zdenek Valter
- Příspěvky: 5425
- Registrován: 9. 1. 2009, 5:16
- Bydliště: Ústí n. L.
Pak to všem nemá chybu!!!testone píše: ↑30. 11. 2020, 3:00 dobrý
u mě se před lety vyskytlo regulační trafo RFT, 0-250V/6A, bedna 30x50x30cm a 40kg, má to vestavěné i trafo pro galvanické oddělení od sítě
na výstupu vestavěný voltmetr i ampérmetr
točím knoflíkem a koukám co to dělá, sleduji odběr
pohoda
žárovkový předřadník používám taky
Hobbík - obráběč i 3D tiskař začátečník - strojní park je konečně instalován
Ale nějaký starší model, ne? Obyčejný levný pes, kterého koupíš dnes, je nerozebíratelný, navíc je to vevnitř uspořádané tak, že překonfigurovat to, jak popisuješ dále, nebude myslím žádná sranda. Jinak zajímavé.
I ta pavlíkova videa
T.
mimooborová naplavenina • kolowratský zázrak™ • NPS • GCU • HirthCalc • ncDP.ino
