Servo ELP-D1000Z + ELM1000FM80H-SS

Odpovědět
Uživatelský avatar
Mrosconi
Příspěvky: 2099
Registrován: 22. 2. 2015, 6:30
Bydliště: Netřebská 47, Praha 6 Ruzyně
Kontaktovat uživatele:

4. 1. 2022, 7:56

Caio v novém roce a všem přeji silné nervy a snad už bez kovidu!

Mám samozřejmě dotaz. Koupil jsem si na zkoušku servoset:
http://www.leadshine.com/productdetail. ... elp-d1000z
a chtěl jsem se zeptat zda chápu správně zapojení na STEP/DIR.

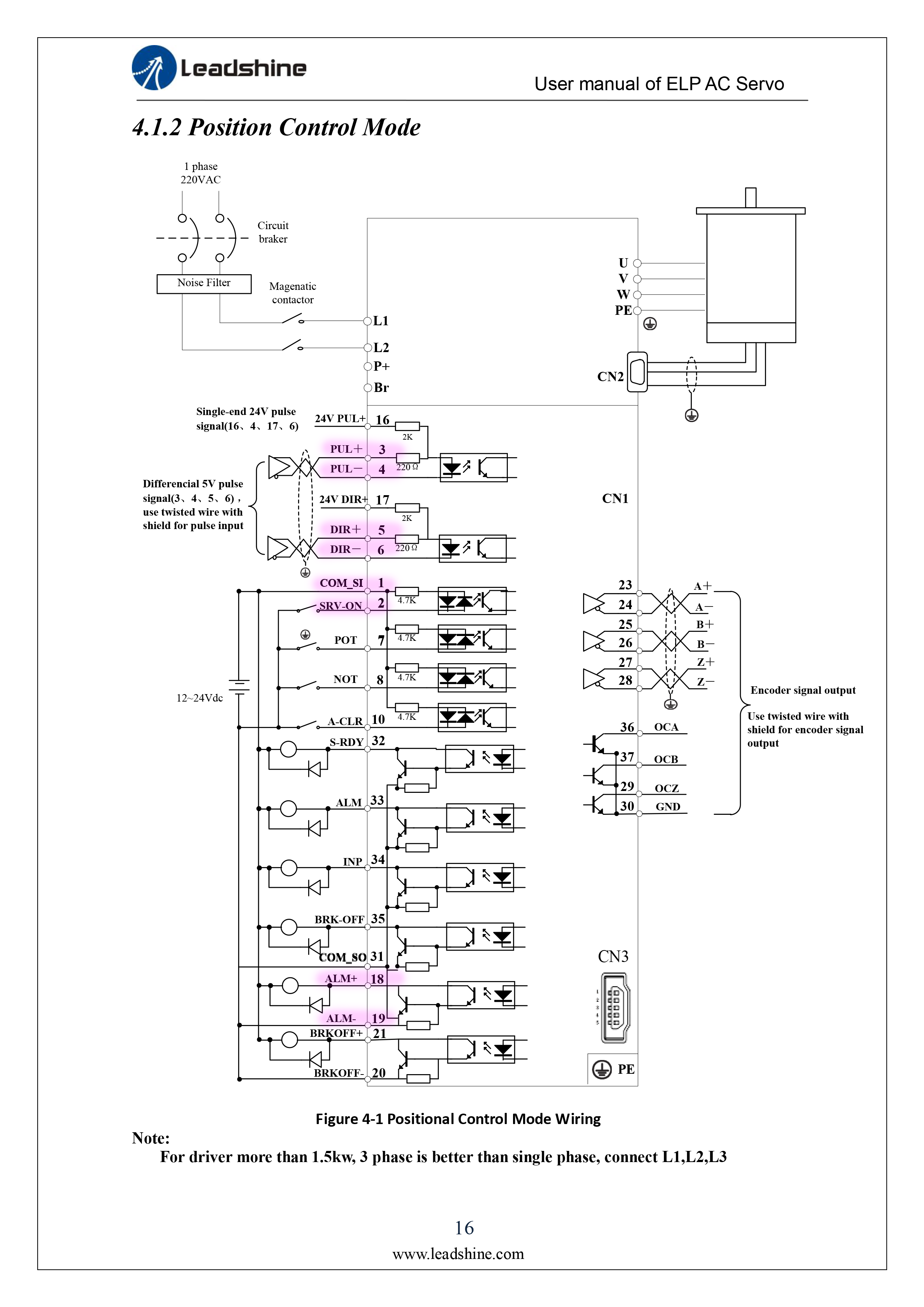
Dle obrázku
ELP AC Servo User Manual_20200603-16.png
vidím piny:
01 com-si tedy snad -ENABLED
02 srv-on tedy snad +ENABLED
03 pulse +
04 pulse -
05 dir+
06 dir-
18 alarm+
19 alarm-

Teď mám na EasyServo výstup na alarmy zapojené do desky jako home a napájení jde z 12V. Na desce je jak 5V tak i 12V pro tyto vstupy. Aktuálně to pracuje správně, tedy při překročení počtu chyb při polohování se driver vypne a s ním i Mach, takže vše je v pořádku. Chtěl bych aby to fungovalo stejně.
Nejsem si jistý tím zapojením, proto se raději ptám

Deska je tato: https://www.ebmia.pl/plyty-glowne/1476- ... k-mb2.html

Díky
Uživatelský avatar
Mrosconi
Příspěvky: 2099
Registrován: 22. 2. 2015, 6:30
Bydliště: Netřebská 47, Praha 6 Ruzyně
Kontaktovat uživatele:

12. 1. 2022, 11:12

Už jsem to rozchodil a běhá to hezky do 30m/min. Nastavení je zcela primitivní. Pokud se povede spustir program, protože jen tak na nějakém PC neběží, tak je to otázka 10min.
https://www.youtube.com/watch?v=obtY2gspl00&t=89s
Mohu doporučit. Cena je luxusní a dodání z CNCdrive z Maďarska do dvou dnů.
https://www.shop.cncdrive.com/index.php?productID=1070
https://www.shop.cncdrive.com/index.php?productID=1076
Odpovědět

Zpět na „Servomotory“