Filtrace s tranzistorem
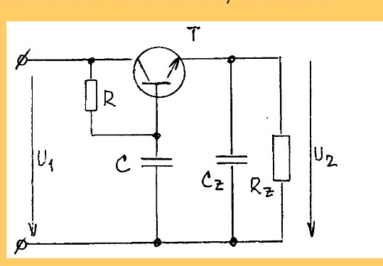
Pánové, řekněte mi někdo, proč tahle filtrace s tranzistorem, kde výstup by měl sledovat vstup mínus cca 1V nefunguje. Na vstupu naprázdno 14V, na výstupu 14V a když to mírně zatížím (cca 50 mA), tak mi spadne napětí na nějakejch 3,5V. Na začátku je 6V střídavejch při zátěži 250 mA.
Odpor je 470 ohmů, tranzistor má betu 250.
Odpor je 470 ohmů, tranzistor má betu 250.
No řekl bych, že to je tím, že NPN tranzistor se otevírá napětím mezi bází a emitorem. Naprázdno, bez odporu Rz bude tranzistor otevřený na plné koule, do saturace, ale jakmile dáš zátěž, tak na ní, průtokem proudu přes zátěž Rz, vzniká na Rz úbytek napětí a ten zvedá napětí na emitoru vůči bázi a začne tranzistor přivírat. A čím větší proud přes Rz poteče, tím větší napětí na něm vzniká a tím více tranzistor přivírá...
¨
Řešil bych to zapojením s tranzistorem PNP, aby jsi výstup odebíral z kolektoru a ne z emitoru...
¨
Řešil bych to zapojením s tranzistorem PNP, aby jsi výstup odebíral z kolektoru a ne z emitoru...
Bipolární tranzistor se otevírá proudem.
A nechtěl jsi to dát spíš do tématu Rébusy ???
Namátkou jsem našel stránku: elektrolab.eu/ Násobiče napätia, a tam se píše, že zapojení bez zenerky se v praxi nepoužívá.
Ale už tam není popsáno zdovůdnění.
Namátkou jsem našel stránku: elektrolab.eu/ Násobiče napätia, a tam se píše, že zapojení bez zenerky se v praxi nepoužívá.
Ale už tam není popsáno zdovůdnění.
Koupím hliníkové profily délky cca 60cm, nabízím 90,-Kč/kg.
Proč to nefunguje bys měl říct Ty, jako autor nebo aplikátor toho zapojení.
V bázi toho tranzistoru sis zapojil integrační článek. Průběh na něm bude (jako u každého integračního článku) záviset na poměru dob a impedancí, přes které se nabíjí a vybíjí.
Tak se zamysli kdy ten tranzistor nabíjíš a přes jaké impedance, a kdy ho vybíjíš a přes jaké impedance.
A co s tím případně ještě udělá ta kapacita na výstupu a jak změní průběh napětí za tím tranzistorem.
V bázi toho tranzistoru sis zapojil integrační článek. Průběh na něm bude (jako u každého integračního článku) záviset na poměru dob a impedancí, přes které se nabíjí a vybíjí.
Tak se zamysli kdy ten tranzistor nabíjíš a přes jaké impedance, a kdy ho vybíjíš a přes jaké impedance.
A co s tím případně ještě udělá ta kapacita na výstupu a jak změní průběh napětí za tím tranzistorem.
Aby se to chovalo jako emitorový sledovač, pak tam musíš mít ještě paralelní odpor přes kondenzátor C. Neřeším teď ty kondíky, i kdyby tam nebyly, tak je proud v kolektoru závislý na proudu v bázi přes tu betu. V tom tvém zapojení klesá se zátěží (viz Pavlíkova poznámka).pafik píše: ↑14. 9. 2022, 4:44 Pánové, řekněte mi někdo, proč tahle filtrace s tranzistorem, kde výstup by měl sledovat vstup mínus cca 1V nefunguje. Na vstupu naprázdno 14V, na výstupu 14V a když to mírně zatížím (cca 50 mA), tak mi spadne napětí na nějakejch 3,5V. Na začátku je 6V střídavejch při zátěži 250 mA.
Odpor je 470 ohmů, tranzistor má betu 250.
Bez názvu.jpg
Není to náhodou zapojení se společnou bází....
https://eluc.ikap.cz/verejne/lekce/594
...a není náhodou BETA také označováno jako h21e, kde "e" znamená se společným emitorem?
https://eluc.ikap.cz/verejne/lekce/594
...a není náhodou BETA také označováno jako h21e, kde "e" znamená se společným emitorem?
Habešan: to není rébus, to je skutečné zapojení, které mi nefunguje tak, jak jsem myslel, že bude.
miv, jeníček: ale to není ani zapojení SB, ani SE. To je SR (seriový regulátor).
Mex: jasně, ale když tam přidám paralelně ke kondenzátoru zenerku, tak to bude stabilizovat (viz můj předchozí příspěvek). A přitom ten integrační člen zůstane stejný. Proč se najednou neuplatňuje?
atlan: odpor místo zenerky se chystám vyzkoušet. Minimálně proto, abych si ověřil tvojí druhou připomínku o správnosti tranzistoru. Zapojení (plošňák) je OK, tranzistor snad taky (mám dvě tyhle filtrace). Ale jestli mi v GM místo NPN tranzistorů dali PNP, to se blbě u smd montáže pozná. Nemaj napsanej na sobě typ, ale jen nějakej kód, a ten se občas nedá dohledat.
miv, jeníček: ale to není ani zapojení SB, ani SE. To je SR (seriový regulátor).
Mex: jasně, ale když tam přidám paralelně ke kondenzátoru zenerku, tak to bude stabilizovat (viz můj předchozí příspěvek). A přitom ten integrační člen zůstane stejný. Proč se najednou neuplatňuje?
atlan: odpor místo zenerky se chystám vyzkoušet. Minimálně proto, abych si ověřil tvojí druhou připomínku o správnosti tranzistoru. Zapojení (plošňák) je OK, tranzistor snad taky (mám dvě tyhle filtrace). Ale jestli mi v GM místo NPN tranzistorů dali PNP, to se blbě u smd montáže pozná. Nemaj napsanej na sobě typ, ale jen nějakej kód, a ten se občas nedá dohledat.
